本内容仅供学习参考交流,欢迎转发

(1)大众、奥迪增压压力限制电磁阀(N75)
② 如下图所示,将软管(箭头)从压力罐上拔出。
一、涡轮增压传感器故障分析
故障现象:
◆ 发动机怠速不稳
◆ 发动机加速无力
◆ 发动机故障灯点亮
◆ 汽油油耗增加
故障原因:
◆ 涡轮增压传感器损坏
◆ 涡轮增压传感器线束插接器接触不良、断路或短路
◆ 发动机控制单元故障
故障诊断
◆ 分析:
增压传感器可测量涡轮增压器和节气门体之间的压力范围。此发动机使用的传感器是三级大气传感器。该部分进气系统的压力受发动机转速、节气门开度、涡轮增压器增压、进气温度(IAT)、大气压力(BARO)和增压空气冷却器效率影响。传感器向发动机控制模块(ECM)提供一个与压力变化相关的信号电压。在正常操作条件下,点火开关处于“ON(打开)”位置且发动机关闭时,该部分进气系统的最大压力等于大气压力。当发动机在节气门全开(WOT)的情况下操作时,涡轮增压器可将此压力增加到约240kPa(34.8lbf/in2)。发动机怠速运行或减速时,此压力等于大气压力。
◆ 诊断
(1)增压空气冷却器由需要使用专用高扭矩固定卡箍的柔性管道系统连接至涡轮增压器和节气门体上。这些卡箍不可替代。在进行管道维修作业时,为了防止任何类型的空气泄漏,必须严格遵守紧固规格和正确的卡箍位置,这至关重要;
(2)使用烟雾发生装置或喷雾瓶中的洗洁精水查明进气系统和增压空气冷却器总成中的所有可疑空气泄漏;
(3) 使用电脑诊断仪读取定格数据。存储DTC时,ECM将车辆和驾驶条件信息记录为定格数据。进行故障排除时,定格数据有助于确定故障出现时车辆是运行还是停止、发动机是暖机还是冷机、空燃比是稀还是浓,以及其他数据。
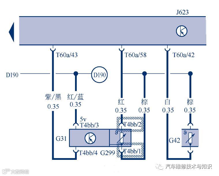
二、涡轮增压传感器电路


三、涡轮增压传感器维修检查操作步骤
1. 检查增压压力传感器的电源电压
拆下增压压力传感器插接器;根据下图以及表格中的值测量信号电压。


安装插接器。如果电压异常,则根据以下流程检查线束和插接器G31/T4bb/3端子—J623/T60a/9端子。如果正常,则检查增压压力传感器。


2. 检查增压压力传感器
拆下增压压力传感器插接器;根据下图测量增压压力传感器。将测量引线连接至增压压力传感器1、2号脚;将万用表旋至电阻挡;红、黑表笔分别连接两根引线;测量值为1.7kΩ;正常范围为1.0~2.0kΩ。

拆卸测量引线;连接增压压力传感器线束插接器。此步骤如果异常,则更换增压压力传感器;如果正常,检查线束和连接器(增压压力传感器-发动机控制单元)。
3. 检查线束和连接器(增压压力传感器-发动机控制单元)
断路检查:检查增压压力传感器T4bb/1端子与搭铁线;检查增压压力传感器T4bb/2端子与发动机控制单元J623/T60a/58端子;检查增压压力传感器T4bb/3端子与发动机控制单元J623/T60a/9端子;检查增压压力传感器T4bb/4端子与发动机控制单元J623/T60a/43端子;正常电阻应小于1Ω。
短路检查:检查增压压力传感器T4bb/1端子与搭铁线;检查增压压力传感器T4bb/2端子或发动机控制单元J623/T60a/58端子与车身搭铁;检查增压压力传感器T4bb/3端子或发动机控制单元J623/T60a/9端子与车身搭铁;检查增压压力传感器T4bb/4端子或发动机控制单元J623/T60a/43端子与车身搭铁。正常电阻应为10kΩ或更大。
如有断路或短路,则维修或更换线束和连接器(增压压力传感器-发动机控制单元);如果正常,则更换发动机控制单元J623。

废气涡轮增压系统示意 ▲

废气涡轮增压器安装位置 ▲

涡轮增压器外观 ▲

涡轮增压器剖面 ▲



机械增压器结构 ▲
在工作时(转子转动),叶片和外壁之间的空气就被从空气入口(吸入侧)输送到空气出口(压力侧)。

增压器通过电磁离合器与发动机曲轴连接或断开。部分发动机还带有增压空气冷却器,增压后的空气流经增压冷却器,冷却后被吸入气缸。


增压空气冷却器 ▲
双增压系统是指把机械增压和涡轮增压结合在一起的增压系统,目的是为了更好地解决两种技术各自的不足,同时解决低速扭矩和高速功率输出的问题。


增压空气冷却 ▲
文章内容来自互联网原者可联系删除
图文内容仅供参考,欢迎转发
特别鸣谢广州东方酷科(星际丰)汽配
欢迎扫码或添加服务微信:mmggppqq


