
点火线圈是产生点火所需高压电的一种变压器,它将12V的低压电转变成15~20kV的高压电。但点火线圈的工作方式却与普通变压器不一样,普通变压器是连续工作的,而点火线圈则是断续工作的,它根据发动机不同的转速以不同的频率反复进行储能及放能。
电控发动机中,点火线圈通常分为双缸式点火线圈和独立式点火线圈,如下图所示。

(1)双缸式点火线圈
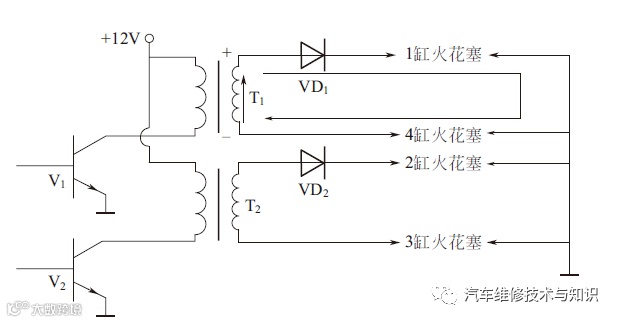
双缸式点火方式是指两个气缸合用一个点火线圈,即一个点火线圈有2个高压输出端,分别与火花塞相连,负责对2个气缸同时点火。无分电器双缸式点火线圈的工作原理如下图所示(以4缸发动机为例),内部初级绕组由两个晶体管分别控制搭铁,共用一根电源线。

无分电器双缸式点火线圈的工作原理 ▲
V1—1缸、4缸点火控制三极管;V2—2缸、3缸点火控制三极管;VD1—1缸、4缸高压二极管;VD2—2缸、3缸高压二极管;T1—1缸、4缸点火线圈的次级绕组;T2—2缸、3缸点火线圈的次级绕组
当点火控制器中的控制回路使三极管V1截止时,点火线圈初级绕组中的电流被切断,在次级绕组T1中感应出上“+”下“-”的高压电,此高压电同时击穿1缸、4缸的火花塞电极间的气体,产生高压火花,火花塞跳火。在两缸同时点火的过程中,压缩行程气缸的点火为有效点火,而排气行程气缸的点火为无效点火。发动机2缸、3缸的同时点火工作原理与上述相同。
捷达轿车点火线圈采用的是无分电器双缸式点火线圈,如下图所示,插头共有4个脚,其中1脚与3脚为控制脚,分别接发动机控制单元;2脚为供电端,接12V电源;4脚为接地端,当1脚和3脚输入控制信号时,高压端头输出高压电,供4个气缸的火花塞点火。


(2)独立式点火线圈
独立式点火是指每一个气缸分配一个点火线圈,即点火线圈和输出放大器集成在一个部件上,点火线圈直接安装在火花塞的顶上。奔驰C级轿车/GLK级越野车M272发动机使用带点火输出端的独立式点火线圈,点火线圈实物及安装位置如下图所示。点火线圈的1端子为供电端,2端子为车身接地,3端子为发动机接地,4端子为触发/诊断端。


奔驰C级轿车/GLK级越野车M272发动机点火线圈实物及安装位置▲
奔驰C级轿车/GLK级越野车M272发动机的工作原理图如下图所示。点火线圈有两组绕组,即初级绕组和次级绕组。初级绕组由粗铜丝组成,接低电压,当电流流过初级绕组时,产生磁场。发动机电子设备(ME)控制单元触发点火线圈4端子和2端子的初级电路,由于电流流过初级线圈(LP)时产生一个磁场,点火时刻,初级电流被中断,引起次级线圈(LS)的磁场突然减弱,这时在次级线圈上产生点火电压,由于次级绕组的匝数比初级绕组多得多,因此,在次级绕组中感应出高压电,通过火花塞产生电火花,从而点燃可燃混合气。

每一个点火线圈安装了一个二极管,是为了抑制输出端关闭时产生的附加电压。
(1)独立式点火线圈的检测
某个独立式点火线圈出现故障时,会造成单缸不工作或工作不正常,表现为怠速抖动、动力不足、加速不良等。
检测方法:拆下火花塞,通过观察电极处的燃烧情况来判断是哪一个气缸不正常,燃烧不正常的火花塞电极处会发黑或有油污。确定某缸有故障后,将有故障气缸的点火线圈与另一气缸的点火线圈互换,如果故障随着点火线圈转移,即可确定为点火线圈故障。同时也要检查点火线圈的连接线是否存在断路现象,点火线圈的控制信号与控制电脑之间应无断路或短路现象。
(2)双缸式点火线圈的检测
双缸式点火线圈出现故障时,会造成两个或四个气缸不工作(以四缸发动机为例),表现为发动机不能启动或启动困难、怠速熄火、加速不良等现象。
检测方法:可用万用表20kΩ挡测量点火线圈高压端1、4缸和2、3缸之间的电阻,正常应有一定的阻值,如下图所示。如果出现电阻值无穷大,说明点火线圈次级绕组断路,应更换点火线圈。如果点火线圈没有故障,应检查点火线圈的连接线及连接线与控制电脑之间是否存在断路现象



