打印机如何确定需要换硒鼓???
硒鼓是打印机的耗材,在墨粉量不足时,会出现白色条纹或打印暗淡与不均匀。如果出现此问题,请将硒鼓取出,摇晃硒鼓使其中的墨粉分布均匀后重新装入,打印文件依然出现打印暗淡的情况,请更换新的硒鼓。
更换硒鼓步骤
Step 1
打开顶盖。握住顶盖边缘将其完全打开。

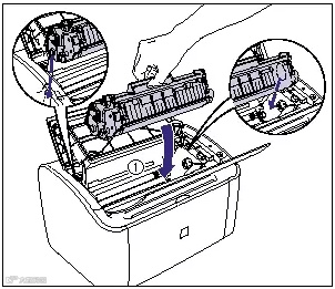
Step 2
请按箭头方向(1)提起硒鼓,然后将其取出(2)。

Step 3
将新的硒鼓从保护袋中取出。在箭头附近有一个凹槽切口,可以用手撕开袋子。如果无法用手撕开袋子,请使用剪刀打开保护袋以免损坏硒鼓。

注意:
a. 请保存好硒鼓的保护袋。在取出硒鼓后打印机维护时需要用到它。
b. 不得触碰或者损坏硒鼓中得感光鼓,否则打印质量将降低。
请确保不要触碰或者打开感光鼓保护盖(A)。
注意不要按住或者触碰未在此步骤中指定得敏感区域。
否则可能导致硒鼓损坏。
c. 请勿将硒鼓置于阳光直射或强光下。
Step 4
如图所示握住硒鼓,轻轻摇晃5到6次,使硒鼓内的墨粉分布均匀。

注意:
a. 如果未使用墨粉分布均匀,可能会导致打印质量降低。请确保正确执行此操作。
b. 请确保轻轻摇动硒鼓。如果未轻轻摇动硒鼓,墨粉可能溅出。
c. 请注意不要手持或触摸敏感区域,如电气触点(A)或传感器,
否则可能导致硒鼓或打印机损坏。
Step 5
将硒鼓置于平面上,握住硒鼓轻轻拉出密封胶带(大约长为50cm),请沿箭头方向平直拉出密封胶带。

注意:
a. 请勿斜向、向上或向下拉出密封胶带。如果胶带断裂,将很难将其完全拉出。
b. 从硒鼓中完全拉出密封胶带。如果硒鼓中还残留有胶带,这将会导致打印质量下降。
c. 当拉出密封胶带时,请注意不要握住感光鼓保护盖(A)。
d. 从保护袋中取出后,请尽快在打印机中安装硒鼓。
e. 根据当地法规处理密封胶带。
Step 6
将硒鼓两端突起的部分与打印机内部的硒鼓导板对接,再将硒鼓完全推入打印机(1),然后向自身方向向下推。


Step 7
关上顶盖。

注意:
a. 如果无法关闭顶盖,请检查硒鼓是否正确安装。如果强行关闭顶盖,这可能会导致打印机损坏。
b. 请勿在安装硒鼓后长时间开启顶盖。


