奔驰EQC400车无法启动故障检修
一辆行驶里程仅1000km的 2020年奔驰EQC400纯电动汽车。客户反映:该车无法换挡。
故障诊断:此车客户购买1个月左右,无任何维修记录。检查车辆,车子无法启动,仪表出现蓄电池故障报警(如图1所示),且车辆无法挂挡。
用奔驰专用诊断仪(XENTRY)对车辆进行快速测试,结果蓄电池管理系统N82/3和N82/4有较多故障码(如图2、图3所示),其中有若干个故障码是德文的,无法理解故障码含义,判断这是由于EQC车型上市不久,诊断软件功能尚未完全成熟引起的。尽管如此,可通过引导测试了解诊断范围。


EQC作为新产品,代表了梅赛德斯一奔驰全新研发的纯电动汽车,在这首先简要介绍该款车型三电系统的工作原理(如图4所示):高压蓄电池通过电力电子装置向电机供电,使电机运转,驱动车辆行驶。此外,它还为其他耗电量高的用户提供电能,如制冷剂压缩机或PTC加热器等,并通过直流/直流转换器为12V车载蓄电池充电。高压部件之间通过高压电源分配器相互连接,电源分配器上的保险丝用于保护高压用电器。

在了解基本原理后,着手检查此故障,首先对故障码进行引导测试(如图5~图9所示),引导过程中有些实际值不在标准范围内,并提示更换高压蓄电池,而最终结果为需要对N83/11、N127、N129/1和N129/2进行SCN设码。





根据引导测试结果,检查相关控制单元的软件,高压音倒牛的所有控制单元和传动系控制单元均为最新软件版本(如图10所示),排除软件可能。
分析引导测试,有两个线索:一个是更换高压蓄电池,直接更换太武断了;另一个是部分实际值不正常。据此提示,读取高压和12V系统的实际值,结果发现绝缘阻值不正常,如图11所示。

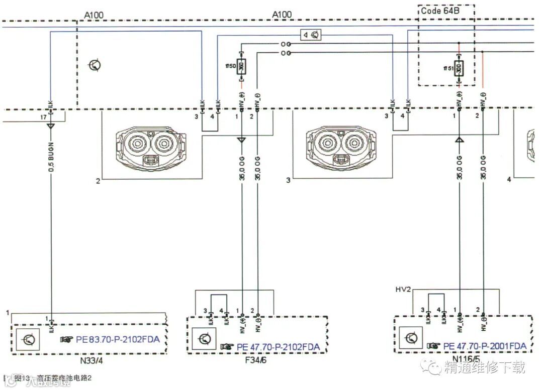
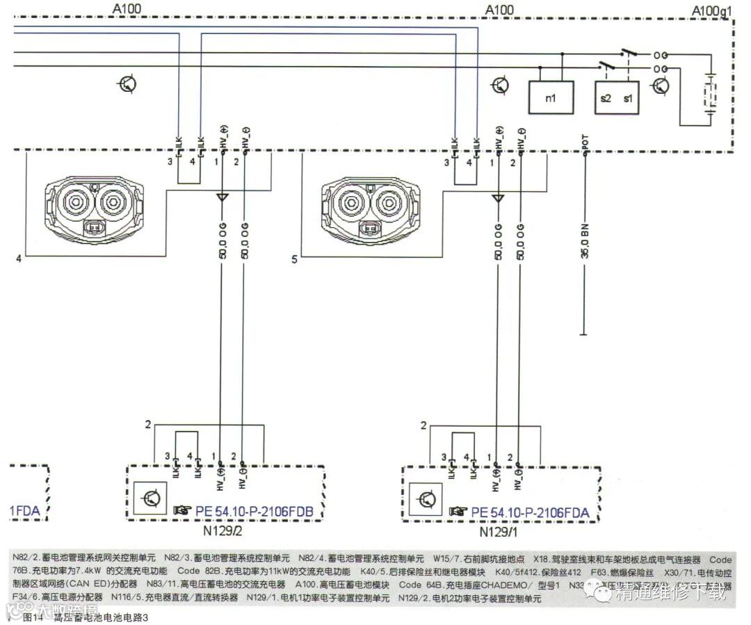
根据上一步的检查发现,需要检查绝缘阻值是否正常,也就是使用兆欧表施加500V的电压,然后测量高压蓄电池上的4个高压插头的绝缘阻值。这样,在WIS中查找高压电池包的电路图(如图12~图14所示),然后逐个脱开高压插头测量绝缘阻值,结果发现N129/2的HV+和HV-绝缘阻值分别为1.5 MΩ和1.1MΩ(如图15、图16所示),均不正常,即前部电机有故障。





根据上一步的检查结果,更换前电机(如图17所示),然后删除故障码,车子顺利启动,故障彻底排除。

文章内容来自互联网原者联系删除
特别鸣谢广州东方酷科(星际丰)汽配商行提供文章内容,文章内容仅供参考学习交流,欢迎转发分享,欢迎提供宝贵意见及技术内容。欢迎添加服务微信:mmggppqq

