Linea Research system engineer 8



支持Martin Audio
1.O-line
2.SX Subwoofers
3.XD/DD
4.CDD
5.BlacklineX
6.LE Monitors
7.Adorn
8.DDX
9.Flexpoint
10. TH Series
System Engineer 8 采用一种新的面向工作流程的方法,分为三个主要部分,以便于导航,互联设备的发现和同步是即时的,三个工作流程视图(Setup、Presets 和 Tune)简化了导航,使系统配置变得快速直观。
Setup (设置) 视图允许操作员配置设备的全局功能。它包括新的灵活输入路由混音器/矩阵、通道分配、网络和连接,IP地址分配,固件升级。
Presets 在预设视图中,可以创建、编辑预设并将其保存到计算机。在预设窗口中预览选定的预设,然后将其拖放到目标设备中。还可以使用虚拟设备离线创建预设,以便在连接到硬件后进行部署。
预设储存库没有数量限制任意添加
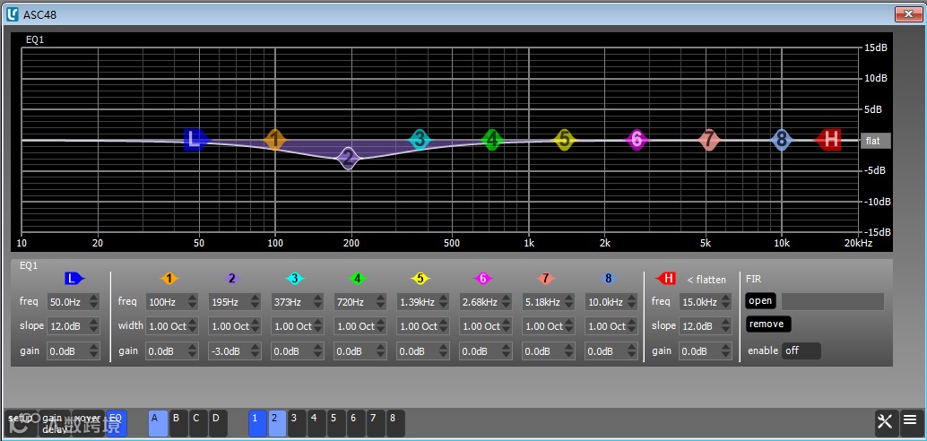
Tune 视图是进行详细配置的地方。用于 Mutes(静音)、Gain(增益)、Delay(延迟)、EQ、X-Over(分频)、Polarity(极性)、Impedance(阻抗)和 Current(电流)的专用快速视图按钮在 Explorer (资源管理器) 部分为每个模块提供了快速视图信息。点击左边模块中的信息,它会在下面的 详细信息 部分展开以进行编辑和调整。
在 Tune 视图中,EQ Toggle 是一项新功能,允许用户在同一个音频信号中添加多个没有限制的频点,可在不同均衡之间切换。此功能在 input、和 groups 上可用。
EQ Toggle EQ频点无上限添加
System Engineer 8 的分组功能允许多个模块分组,以便通过 Overlay EQ、Delay、Gain 和 Mute 进行统一控制。模块可以分配给 12 个可用组中的任何一个,也可以分配给多个组,这使得此功能对于控制大型系统和安装非常强大。

System Engineer 7 与 System Engineer 8
System Engineer 7 分4个界面,第一个设置界面,里面有输入信号选择模拟或数字,信号路由,保存预设,保存场景,编组,固件更新。

System Engineer 8 分3个界面,第一个设置界面里面有,保存预设到电脑,电脑预设导入设备,输入信号模拟数字选择,信号路由,IP地址设置,固件更新。

System Engineer 7第二增益延时操作界面里面有,增益,延时,立体声模式,反相,低切,静音。

System Engineer 8第二预设操作界面里面有,预设保存,预设调用。

System Engineer 7 第三个分频操作界面,分频功能,限幅,放大增益。

System Engineer 8第三个调试操作界面有,静音,信号表头监控,增益,延时,EQ,分频,放大增益,反相,阻抗监控,电流监控,编组,EQ对比,复制EQ,FIR导入。

System Engineer 7第四个EQ操作界面,EQ,EQ复制粘贴,FIR文件导入。

System Engineer8-EQ对比作界面


EQ对比功能
多点EQ在演出中随时切换,且没有EQ上限
System Engineer7与8的预设储储存操作界面

System Engineer7的快照有20个,预设储存有50个。System Engineer8的快照和预设储存没上限。
System Engineer7与System Engineer8的功能对比

System Engineer7与System Engineer8的使用对比体验
1·联机-System Engineer8联机更方便,打开软件自动搜索设备并且联机, System Engineer7要手动搜索设备。
2·路由-System Engineer8的图形化看着简洁明了。
3·调试-System Engineer8的调试都集中在一个界面,EQ,分频,反相,静音,增益,延时, System Engineer7的增益, 分频,EQ,分别在3个界面,调试要来回切换界面,每次调整参数都会有2秒上传时间。
4·EQ复制- System Engineer8(只能复制DSP端)输出不能复制。System Engineer7可以任意复制。
5·EQ对比- System Engineer8多一个EQ对比功能,可以无限添加EQ点任意切换,这些功能只能在DSP端使用。
6·EQ调试- System Engineer8可以直接点击EQ调整Q值频率, System Engineer7只能在操作界面里调整。
7·预设储存- System Engineer8可以无限储存预设, System Engineer7只能储存50个。
9·编组- System Engineer8的编组可以任意DSP组合添加到一个编组(只能DSP)输出不能编组, System Engineer7只能一个DSP一个编组,使用不方便。
10·两个软件操作体验功能大致相同, System Engineer8调试会更方便些,预设保存也没有上限,多个EQ频点对比调试起来更方便。



