在化工生产中,为了保证化学反应的顺利进行,使化学反应维持在一定温度和压力下进行。有时需要加热,有时需要冷却。因此合理而有效地进行传热是化工生产中十分重要的基本操作之一。
根据传热机理的不同,热传递有三种基本方式:热传导、对流传热和辐射传热。
1.1 热传导:是依靠物体内分子的相互碰撞进行的热量传递过程。
1.2 对流传热:流体内部质点发生宏观相对位移而引起的热量传递过程,对流传热只能发生在液体或气体流动的场合。
1.3 辐射传热:热量以电磁波的形式在空间的传递称为热辐射。热辐射与热传导和对流传热的最大区别就在于它可以在完全真空的地方传递而无需任何介质。
传热过程中冷热流体(接触)热交换可分为三种基本方式,直接混合式换热,间壁式换热,蓄热式换热三种。
2.1 直接混合式换热:冷、热流体直接接触,相互混合传递热量。该类型换热器结构简单,传热效率高,适用于冷、热流体允许混合的场合。
2.2 蓄热式换热:蓄热式换热是在蓄热器中实现热交换的一种换热方式。此类换热器是借助于热容量较大的固体蓄热体,将热量由热流体传给冷流体。当蓄热体与热流体接触时,从热流体处接受热量,蓄热体温度升高,然后与冷流体接触,将热量传给冷流体,蓄热体温度下降,从而达到换热的目的。
2.3 间壁式换热:冷、热流体被固体壁面(传热面)所隔开,互不接触,它们在壁面两侧流动,热量由热流体通过壁面传给冷流体。适用于冷、热流体不允许混合的场合。
可分为列管式换热器、蛇管式换热器、套管式换热器、喷淋式换热器、翅片管式换热器;
可分为平板式换热器、翅片板式换热器、螺旋板式换热器、板壳式换热器;
2.4 冷凝器:用于流体、蒸汽的冷凝,分馏过程的馏分回收或产生真空;
直接混合式换热器,间壁式换热器,蓄热式换热器三种。其中间壁式换热器在化工生产中应用最广。
列管式换热器是目前生产上应用最广的一种换热设备。它主要由壳体、换热管、封头、管板、折流挡板等部件组成。列管式换热器的主要优点是单位体积所具有的传热面积大以及传热效果好。此外,结构简单,制造材料的范围较广,操作弹性较大等,因此,在高温高压和大型装置上多采用列管式换热器。

其结构特点是两块管板分别焊接于壳体的两端,管束两端焊接或胀接在管板上,封头用螺栓与管板相连,封头与管板之间的空间构成流体的分配室。为了提高壳内流体的流速,通常在壳体内安装一定数量与管束垂直的折流挡板。常用的挡板形式有圆缺形(又称弓形)和盘环形两种(见图)。由于管板与壳体、管子都焊在一起,位置完全固定不变,故称为固定管板式。整个换热器分为两部分:换热管内的通道及与其两端相贯通处称为管程;换热管外的通道及与其相贯通处称为壳程。若管流体一次通过管程,称为单管程。流体在管内依次往返多次,则称为多管程。常采用二管程和四管程(见图)。
固定管板式换热器的优点是结构简单、紧凑。每根换热管都可以进行更换,且管内清洗方便。其缺点是壳程不能进行机械清洗;当换热管与壳体的温差较大时,需在壳体上设置膨胀节,因而壳程压力受膨胀节强度的限制不能太高。固定管板式换热器适用于壳程流体清洁且不易结垢,两流体温差不大或温差较大但壳程压力不高的场合。
|
|
|
由于冷热流体的温度不同,外壳和管子的温度也必然会有所差异,会导致外壳和管子热膨胀的程度有所不同,严重时可将管子扭曲变形,或管子从管束上脱落。当外壳和管子的温差超过50℃时,就必须采取措施来减小或消除它们之间因热膨胀量不同所造成的影响,固定管板式换热器采用补偿圈来消除管子与壳体的热膨胀量不同引起的热应力的影响。它与普通固定管板式换热器的不同,就在于在壳体上具有一圈通过滚压或焊接的波形补偿圈(又称膨胀节),这种换热器结构简单,但补偿能力有限,它只能在管子与壳体的温度差不大于60~70℃的情况下使用。另外,当壳程流体压强大于6atm时,由于补偿圈过厚,难以伸缩,也会失去温差补偿的作用。
|
|
|
|
其结构特点是只有一个管板,换热管为U型,管子两端固定在同一管板上。管束可以自由伸缩,当壳体与U型换热管有温差时,不会产生温差应力。U型管式换热器的优点是结构简单,只有一个管板,密封面少,运行可靠,造价低;管束可以抽出,管间清洗方便。
其缺点是管内清洗比较困难:由于管子需要有一定的弯曲半径,故管板的利用率较低,在同样的体积下所提供的传热面积较小;只有一块管板支撑管束,操作中易发生振动。内层管子坏了不能更换,因而报废率较高(一根U形管相当于两根直管)。U型管式换热器适用于管、壳壁温差较大或壳程介质易结垢,而管程介质清洁不易结垢以及高温、高压、腐蚀性强的场合。一般高温、高压、腐蚀性强的介质走管内,可使高压空间减小,并可节约材料和减少热损失。
|
|
|
|
其结构特点是将管侧一端的管板用法兰固定到壳体上,另一端管板可以在壳体内沿轴向自由伸缩,该端称为浮头。浮头式换热器的优点是当换热管与壳体有温差存在,壳体或换热管膨胀时,互不约束,不会产生温差应力;管束可从壳体内抽出,便于管内和管间的清洗。其缺点是结构较复杂,用材量大,造价高;浮头盖与浮动管板之间若密封不严,发生内漏,会造成两种介质的混合。浮头式换热器适用于壳体和管束壁温差较大或壳程介质易结垢的场合。
|
1) 不洁净的,易结垢的或带固体颗粒的流体适宜走管程,便于清洗(一般冷却水含杂质多,硬度高,易结垢,走管程);
2) 腐蚀性的或高温高压的流体宜走管程,从而避免管束和壳体同时受腐蚀和受压;
3) 粘度较小,流量小的流体;被加热的或不易加热的流体宜走管程;
4) 被冷却的流体宜走壳程,便于散热,但冷冻剂却最好走管程,因为管程热损失小;
5) 饱和蒸汽宜走壳程,因为蒸汽比较洁净,还便于排出不凝气和冷凝液;
|
|
|
|
|
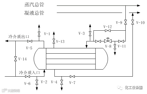
1)投用前应检查压力表,温度计,安全阀,液位计以及有关阀门是否齐全好用;
2)换热器投用前须先用工厂风吹扫,吹扫时顶部放空(V-3、V-1)给气,底部倒淋(V-2、V-4)排气,管壳程同时吹扫,避免出现憋压、泄漏;再用氮气置换。
3)投用蒸汽总管:引蒸汽时先打开蒸汽总管上的倒淋,稍开蒸汽阀暖管,防止发生水击,至倒淋无水时,关倒淋,全开蒸汽阀。
4)先打开高点放空阀(V-1),再打开冷介质入口阀(V-6),由高点放空阀(V-1)排气,排气完毕后关阀放空阀,打开冷介质出口阀(V-5);
5)引蒸汽时要缓慢,升温速度控制在25℃/h,做到先预热后加热,先打开调节阀(V-8)倒淋(V-11),再缓慢开启蒸汽根部入口阀(V-9)暖管,至倒淋无水时,关倒淋,打开壳体高点放空阀(V-13),先由副线阀(V-12)控制升温速度,由壳体高点放空阀(V-13)排气,排气完毕后关闭;打开底部倒淋(V-4)排凝,至凝液温度、压力满足要求时,关闭底部倒淋,打开(V-7)和(V-10)至凝液总管。稳定后缓慢提量,再由副线阀切换到控制阀;
6)正常操作中,如需提高或降低蒸汽量时,应做到缓慢增加或缓慢降低,做到少量多次;
|
|
|
1)停用蒸汽时要缓慢进行,为防止控制阀不严,由蒸汽根部入口阀(V-9)控制降温速度,关闭蒸汽出入口根部阀和出入口阀;紧急停用时,先将蒸汽副线阀打开,再关闭蒸汽出入口阀。
2)先开冷介质副线阀(V-14),再关闭冷介质出入口阀;
3)由换热器底部倒淋(V-2)、(V-4)倒空物料;再由高点放空(V-1)(V-3)进行吹扫,彻底倒空物料。
|
|
|
|
|
|
1)投用前应检查压力表,温度计,安全阀,液位计以及有关阀门是否齐全好用;
2)换热器投用前须先用蒸汽吹扫,吹扫时顶部放空给汽,底部导淋排汽,管壳程同时吹扫,避免出现水击、憋压、泄漏;再用氮气置换。
3)先打开高点放空阀(V-1),再打开冷介质入口阀(V-6),由高点放空阀(V-1)排气,排气完毕后关阀放空阀,打开冷介质出口阀(V-5);
4)引热油时要缓慢,升温速度控制在30℃/h,做到先预热后加热,防止换热器法兰突然受热漏油,先由热油根部出口阀(V-10)控制升温速度,打开高点放空阀(V-3),全开热油出口控制阀(V-8),由高点放空阀(V-3)排气,排气完毕后关闭;再打开热油入口阀(V-7)和热油根部入口阀(V-9),稳定后缓慢提量,再由根部阀切换到控制阀;
5)正常操作中,如需提高或降低热油量时,应做到缓慢增加或缓慢降低,做到少量多次;
|
|
|
1)停用热油时要缓慢进行,为防止控制阀不严,由热油根部入口阀(V-9)控制降温速度,关闭热油出入口根部阀和出入口阀;紧急停用时,先将热油副线阀打开,再关闭热油出入口阀。
2)先开冷介质副线阀(V-11),再关闭冷介质入口阀(V-6)、冷介质出口阀(V-5);
3)由换热器底部倒淋(V-2)、(V-4)倒空物料;再由高点放空(V-1)(V-3)进行吹扫,彻底倒空物料。
|
|
|
套管式换热器是由两种不同直径的直管套在一起组成同心套管,其内管用U型肘管顺次连接,外管与外管互相连接而成的,换热时一种流体走内管,另一种流体走环隙,内管的壁面为传热面。此类换热器适用于高温、高压及小流量流体间的换热。
|
通常按照换热方式不同,将蛇管式换热器分为沉浸式和喷淋式两类。
|
|
沉浸式蛇管换热器多以金属管弯绕而成,制成适应容器的形状,沉浸在容器内的液体中,两种流体分别在管内、管外进行换热。为了改善传热效果,通常在容器里装设搅拌器。
沉浸式蛇管换热器具有结构简单、价格便宜、材料范围广。能承受高压、操作管理方便等优点,常用在传热量不大的反应釜中作辅助加热器用。
|
|
|
喷淋式蛇管换热器:冷却水由管上方的喷淋装置中均匀地喷洒在上层蛇管上,并沿着管外表面淋沥而下,降至下层蛇管表面,最后收集在排管的底盘中。该装置通常放在室外空气流通处,冷却水在空气中气化时,可带走部分热量,以提高冷却效果。
|
|
|
|
它是由两张间隔一定的平行薄金属板卷制而成的。两张薄金属板形成两个同心的螺旋型通道,两板之间焊有定距柱以维持通道间距,在螺旋板两侧焊有盖板。冷、热流体分别通过两条通道,通过薄板进行换热。适用于流速较高,温差较小,操作温度和压力不宜太高的场合。因整个换热器为卷制而成,一旦发现泄漏,维修很困难。
|
其结构特点是在换热器管的外表面或内表面装有许多翅片,常用的翅片有纵向和横向两类。翅片管式换热器适用于两种流体的传热膜系数相差很大的情况。翅片管式换热器作为空气冷却器,在工业上应用很广。
|
|
|
|
|
|
|
空冷器是利用空气在翅片管的外面流过,以冷却或冷凝在管内通过的流体。
|
|
2.7 夹套式换热器
|
|
夹套式换热器结构如图所示。夹套空间是加热介质或冷却介质的通路,这种换热器主要用于反应过程的加热或冷却。当用蒸汽进行加热时,蒸汽上部接管进入夹套,冷凝水由下部接管流出。作为冷却器时,冷却介质(如冷却水)由夹套下部接管进入,由上部接管流出。
夹套式换热器结构简单,但由于其加热面受容器壁面限制,传热面较小,且传热系数不高,常用于传热量不大的场合,为改进这些缺点,通常在容器内装上搅拌器使流体处于强制对流状态,同时在容器内加设盘管,以增大传热面积。
|
|
|
板式换热器是由一组长方形的薄金属板平行排列,夹紧组装于支架上面构成。两相邻板片的边缘衬有垫片,压紧后板间形成密封的流体通道,且可用垫片的厚度调节通道的大小。每块板的四个角上,各开一个圆孔,其中有两个圆孔和板面上的流道相通,另两个圆孔则不相通。它们的位置在相邻板上是错开的,以分别形成两流体的通道。冷、热流体交替地在板片两侧流动,通过金属板片进行换热。板式换热器便于清洗,操作压力和温度受密封垫片材料性能限制而不宜过高。
|
免责声明:本文转自网络,版权归原作者所有,如涉及作品版权问题,请及时与我们联系删除,谢谢!