常用零件尺寸标注
一、 螺纹标注
类型 |
特征代号 |
用途及说明 |
|
普通螺纹 |
粗牙 |
M |
最常用的一种联接螺纹,直径相同时,细牙螺纹的螺距比粗牙螺纹的螺距小,粗牙螺纹不注螺距 |
细牙 |
M |
||
管螺纹 |
55°非密封管螺纹 |
G |
管道联接中的常用螺纹,螺距及牙型均较小,其尺寸代号以in为单位,近似地等于管子的孔径。螺纹的大径应从有关标准中查出,代号R表示圆锥外螺纹,Rc表示圆锥内螺纹,Rp表示圆柱内螺纹 |
55°密封管螺纹 |
Rc |
密封螺纹在一定压力下能保持管道联接处内外界的密封 |
|
梯形螺纹 |
Tr |
常用的两种传动螺纹,用于传递运动和动力,梯形螺纹可传递双向动力,锯齿形螺纹用来传递单向动力 |
|
锯齿形螺纹 |
B |
普通螺纹的尺寸标注
普通螺纹的牙型代号为M,有粗牙和细牙之分,粗牙螺纹的螺距可省略不注;中径和顶径的公差带代号相同时,只标注一次;右旋螺纹可不注旋向代号,左旋螺纹旋向代号为LH;旋合长度为中型(N)时不注,长型用L表示,短型用S表示。
M16-5g6g表示粗牙普通螺纹,公称直径16,右旋,螺纹公差带中径5g,大径6g,旋合长度按中等长度考虑。(粗牙螺纹不注螺距)
M16×1LH-6G表示细牙普通螺纹,公称直径16,螺距1,左旋,螺纹公差 带中径、大径均为6G,旋合长度按中等长度考虑。
二、 轴类零件
这类零件一般有轴、衬套等零件,在视图表达时,只要画出一个基本视图再加上适当的断面图和尺寸标注,就可以把它的主要形状特征以及局部结构表达出来了。为了便于加工时看图,轴线一般按水平放置进行投影,最好选择轴线为侧垂线的位置。
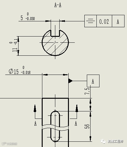
1.轴上的键槽需要标注对称度。轴的宽度与深度也需要标注公差(图中A基准有错误,应与尺寸线对齐)

3.倒脚的标注

简化前简化后错误标注
4.孔的标注



5.退刀槽标注
一般的退刀槽可按“槽宽×直径”或“槽宽×槽深”的形式标注:


槽宽X直径槽宽x槽深
注:螺纹孔M8x20,其中M8是指螺纹大径为8,螺纹有效长度为20。表示对螺纹底孔(盲孔)深度没有严格要求。如果底孔有可能把板子打穿则需要标注底孔深度
也可以这样表示:M8深20孔深30.
沉头孔标注时需要在横截面上剖开,以表达沉头孔的的位置。
粗糙度
1、粗糙度0.8以下:抛光
2、粗糙度0.8:用磨床加工的面
3、粗糙度1.6—3.2:车床、铣床加工面
4、粗糙度3.2—12.5:一般性的常规加工
5、一般而言,既要光滑美观,又要有相当的摩擦,以方便安装的话,粗糙度0.8可以,既显得美观高档,手感也可以的。
形位公差的标注
被测要素的标注

如果公差带为圆形或者圆柱形,公差值前应加注符号“Φ”,如果公差带为圆球形,公差值前应加注符号“SΦ”


基准要素的标注

基准要素为中心要素时,基准符号的连线与尺寸线对齐。基准要素为轮廓要素时,基准符号的连线与尺寸线应明显错开(≥3mm)。基准方格及字母应水平放置。



未注线性公差GB1804f/m/c/v
精密f,中等m(常用)。
圆柱度与径向跳动度公差的区别。
区别;是,无基准
全跳动是,有基准。
联系:两者都只适用于轮廓要素
圆度会影响跳动但又有所区别。圆度相当于在一个截面上测量的的变化量。跳动则是对一个基准来说的,轴类的基准就是(),对截面圆来讲就是圆心。时测量所得的圆心随实际圆的轮廓在偏移,跟原中心基准没多大关系,但若是把原基准圆心固定不动再测量外圆,所得误差就是跳动了。打个比方,一串圆在一根上串起来,单独测量每个圆的直径误差就是圆度值,把固定旋转起来,测量这一串圆上综合起来的最高点与最低点的值就是跳动。
免责声明:本文系网络转载,版权归原作者所有。如涉及版权,请联系删除!文中内容仅代表作者个人观点,转载不同于本平台认同或者持有相同观点。

