--正文--
我们总结了机加工中什么样的工作是自动完成的,什么样的工作是由工人完成的。机加工往往被认为什么都可以用机器加工,但实际上,需要由手工进行的重要工作却意外地多。希望你能一起模拟体验一下这份辛苦和困难。
取而代之的被经常使用的是数控铣床和加工中心。
若说区别在哪里,应该是驱动机器的控制部分和刀具(工具)的更换方法。
加工方法 |
控制 |
换刀 |
通用铣床 |
手动操作手柄 |
手动更换 |
数控铣床 |
基于数值控制的自动运行 |
手动更换 |
加工中心 |
基于数值控制的自动运行 |
自动更换(ATC) |
另一方面,在数控中,机器将刀具的位置识别为一个高精度的坐标值,并根据程序的指令自动移动到下一个位置,然后再移动到下一个位置。目前,这种数控机加工是主流。
当您听到这些时,可能听起来像是工人什么都不用做,机器就能自行加工,但事实并非如此。工人需要完成的工作大致有两项。
一个是工序准备,另一个是编程。

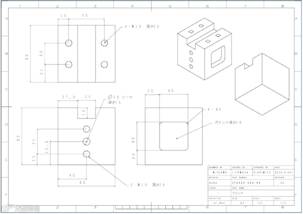
图2-1块件图纸

|
|
|
|
|
|
|
|
|


加工工序准备的第一步是将工件固定到工作台上。根据形状和加工方法不同,有多种固定方法,例如(1)装夹工具、(2)精密虎钳、(3)专用夹具等。即使固定方法是同一个,每个加工企业的专有技术也不相同。
此次,我们考虑使用最正统的装夹工具进行固定。
装夹工具是利用工作台的凹槽用爪等工具将工件与工作台面夹紧来固定工件的工具。将机器的工作台面和工件底面擦拭干净,防止切屑被夹住,然后将工件放在工作台面上。如图 4.3-1 所示,用夹具固定工件。


原因是工作方向与主轴方向不匹配。
说得极端些,就是图4.3-2那样的状态。例如,如果要在这种状态下直接加工切口形状,会发生什么情况?
当然,由于主轴以轴向为基准移动,因此如图 4.3-3 所示,会相对于工件形成斜槽,从而导致 NG。

此处常用的是图4.3-4所示的“测试指示器”。它也被称为Pick Gauge(pick)等。测试指示器是一款适用于各种场合的优秀产品。可以通过将称为“探头”的杠杆式顶端部压在对象物上来检测其位移量。

预拧紧装夹工具,将此测试指示器安装到主轴并将其接触工件的近前侧表面。沿 X 方向移动主轴并读取偏差量(位移)。就是以图4.3-5那样的感觉进行工作。
例如,假设如图4.3-6所示,在工件的左侧将测试指示器按压至数值“10”(①的状态),然后保存状态不变移动到右侧(X方向)(②的状态)。在右侧,表盘更改为“20”。如果表盘是1刻度0.01毫米,则20-10=10个刻度,所以有0.1毫米左右的倾角。(严格来说,需要校正探头倾斜的量)
由于无法以 0.1 mm 的倾斜度进行加工,因此请调整工件的倾斜度。例如用塑料锤子等,轻轻敲打工件的右端,使其稍微移动。然后,用测试指示器检查倾斜度,如果仍然倾斜,就再敲打调整……,重复该过程。如果如图 4.3-7 所示移动测试指示器,数值也没有变化,则找平调整完成。现在主轴方向和工件朝向一致。

对于像此处的块状工件,中心点通常设置为 X 轴和 Y 轴的原点。设置原点的方法似乎有多种,但典型的方法是使用称为“PointMaster”的工具。
PointMaster是一种安装在主轴上的工具,当移动主轴使触针顶端与工件接触时,LED灯点亮,通知接触。

在主轴上组装PointMaster,一边操作控制装置的手柄,一边将其移近工件端面。

让我们从左右方向(X 轴方向)上的原点开始设置。
接下来,像②那样,将Point Master从右侧移近工件,并记录右侧表面的位置 (X2)。然后将 X1 和 X2 的中点作为该工件 的X 轴的原点 X0 输入机器。同样对于前后方向的Y轴,记录近前侧(Y1)和里侧(Y2)的位置,将其中点作为Y轴的原点Y0输入机器。
现在已经设置完X 轴和 Y 轴的原点。公众号:solidworks非标机械设计
原点 X0=(X1+X2)/2

至此工件设置完成了。
接下来我们从之后的工序开始,一次性模拟体验整个加工工序。
此次首先想加工平底的切口形状,因此使用方头铣刀。
名称 |
形状 |
用途 |
|
球头立铣刀 |
|
形状加工 |
• 顶端为圆弧状的立铣刀 • 精加工曲面形状时使用 |
方头铣刀 |
|
• 顶端为矩形的立铣刀 • 加工平面、切口形状时使用 |
|
钻头 |
|
孔加工 |
• 开孔(钻孔)时使用 |
铰刀 |
|
• 开孔(铰孔)时使用 • 开设预钻孔后使用 |
|
锥钻 |
|
• 开孔(螺纹孔)时使用 • 开设预钻孔后使用 |
|
表4.5-1工具的概要
刀具从铣夹头端部伸出多长的量称为“突出量”。这是与设计相关的一个重要元素,所以请暂时记住这个词。要求高精度时,有时还会检查刀具的振摆。
将前面所说的测试指示器抵住刀具的侧面,并旋转主轴,确认振摆。如果摆动幅度超过预期(例如 0.01 毫米等),请重新安装工具,并检查,调整至尽可能没有振摆。
加工过程
<面 1 > |
<面2> |
<面3> |
|||||||||||||||||||||||||||||||||||||
工序准备 |
方头铣刀 |
钻头 |
锥钻 |
工序准备 |
钻头 |
锥钻 |
钻头 |
铰刀 |
工序准备 |
方头铣刀 |
|||||||||||||||||||||||||||||
平 |
原 |
工 |
程 |
起 |
工 |
程 |
起 |
工 |
程 |
起 |
平 |
原 |
工 |
程 |
起 |
工 |
程 |
起 |
工 |
程 |
起 |
工 |
程 |
起 |
平 |
原 |
工 |
程 |
起 |
||||||||||

该顶端位置的测量也称为“测量长度”。用于测量长度的是一种图 4.5-2 所示的名为“机外对刀装置”的工具。此外还有多种测量长度的方法,例如用块规代替机外对刀装置。公众号:solidworks非标机械设计
工具设置现已完成。之后,编好程序,就可以顺利开始加工了!

加工过程
<面 1 > |
<面2> |
<面3> |
|||||||||||||||||||||||||||||||||||||
工序准备 |
方头铣刀 |
钻头 |
锥钻 |
工序准备 |
钻头 |
锥钻 |
钻头 |
铰刀 |
工序准备 |
方头铣刀 |
|||||||||||||||||||||||||||||
平 |
原 |
工 |
程 |
起 |
工 |
程 |
起 |
工 |
程 |
起 |
平 |
原 |
工 |
程 |
起 |
工 |
程 |
起 |
工 |
程 |
起 |
工 |
程 |
起 |
平 |
原 |
工 |
程 |
起 |
||||||||||
根据立铣刀加工、孔加工、攻丝加工等加工种类,准备了各种程序指令。NC 数据是通过将称为 G 代码或 M 代码的程序指令与 X、Y 和 Z 三个主轴的顶端中心位置的坐标值指令组合起来创建的。
对于简单加工或由熟练的 NC 技工进行加工的情况,可以直接在控制设备上编程。当加工较为复杂时,使用名为 CAM 的计算机应用程序编程,并将数据传输到控制装置。
机器按照程序自动运转,机工件。在此期间,操作者要做的就是检查机液是否正确抵达刀具、工件,有无异常声音或振动。加工本身由机器按照程序自动完成。
机液(也称为冷却液)是喷到刀具和工件上的油。喷射机液的原因是为了冲走切屑、冷却刀具和工件、保持刀具的锋利度。机液有两种:“油基机液”,主要用于铁、铜等易生锈的工件;“水溶性机液”,主要用于铝等,具有优良的散热性能。
按照一套程序运行后,机器将停止,加工完成。只要准确进行工序准备并创建适当的程序,就能够进行高精度的加工!
<面 1 > |
<面2> |
<面3> |
|||||||||||||||||||||||||||||||||||||
工序准备 |
方头铣刀 |
钻头 |
锥钻 |
工序准备 |
钻头 |
锥钻 |
钻头 |
铰刀 |
工序准备 |
方头铣刀 |
|||||||||||||||||||||||||||||
平 |
原 |
工 |
程 |
起 |
工 |
程 |
起 |
工 |
程 |
起 |
平 |
原 |
工 |
程 |
起 |
工 |
程 |
起 |
工 |
程 |
起 |
工 |
程 |
起 |
平 |
原 |
工 |
程 |
起 |
||||||||||

螺丝孔不能突然开设。首先,用钻头打一个底孔。(如果需要精密加工,可以用中心钻头在钻孔前打一个引导槽)将安装在主轴上的方头铣刀拆下,装上钻头。由于更换刀具=工具,因此称为更换工具。公众号:solidworks非标机械设计
接下来创建开孔加工用程序。钻头开孔有一个名为钻头循环的独特指令。程序完成后,启动它并开始开孔加工。
<面 1 > |
<面2> |
<面3> |
|||||||||||||||||||||||||||||||||||||
工序准备 |
方头铣刀 |
钻头 |
锥钻 |
工序准备 |
钻头 |
锥钻 |
钻头 |
铰刀 |
工序准备 |
方头铣刀 |
|||||||||||||||||||||||||||||
平 |
原 |
工 |
程 |
起 |
工 |
程 |
起 |
工 |
程 |
起 |
平 |
原 |
工 |
程 |
起 |
工 |
程 |
起 |
工 |
程 |
起 |
工 |
程 |
起 |
平 |
原 |
工 |
程 |
起 |
||||||||||

测量长度并创建攻丝用程序……启动!当螺纹孔加工漂亮地完成时,<面1>的加工终于完成了!!
<面 1 > |
<面2> |
<面3> |
|||||||||||||||||||||||||||||||||||||
工序准备 |
方头铣刀 |
钻头 |
锥钻 |
工序准备 |
钻头 |
锥钻 |
钻头 |
铰刀 |
工序准备 |
方头铣刀 |
|||||||||||||||||||||||||||||
平 |
原 |
工 |
程 |
起 |
工 |
程 |
起 |
工 |
程 |
起 |
平 |
原 |
工 |
程 |
起 |
工 |
程 |
起 |
工 |
程 |
起 |
工 |
程 |
起 |
平 |
原 |
工 |
程 |
起 |
||||||||||

当然,由于是将工件翻转,重新装夹,因此在工作台上的位置和朝向也都发生改变。因此要进行“工件找平行”—“固定工件”—“设置原点”这些工序准备工作。该更换工序工作是最费功夫的部分。
<面 1 > |
<面2> |
<面3> |
|||||||||||||||||||||||||||||||||||||
工序准备 |
方头铣刀 |
钻头 |
锥钻 |
工序准备 |
钻头 |
锥钻 |
钻头 |
铰刀 |
工序准备 |
方头铣刀 |
|||||||||||||||||||||||||||||
平 |
原 |
工 |
程 |
起 |
工 |
程 |
起 |
工 |
程 |
起 |
平 |
原 |
工 |
程 |
起 |
工 |
程 |
起 |
工 |
程 |
起 |
工 |
程 |
起 |
平 |
原 |
工 |
程 |
起 |
||||||||||

<面 1 > |
<面2> |
<面3> |
|||||||||||||||||||||||||||||||||||||
工序准备 |
方头铣刀 |
钻头 |
锥钻 |
工序准备 |
钻头 |
锥钻 |
钻头 |
铰刀 |
工序准备 |
方头铣刀 |
|||||||||||||||||||||||||||||
平 |
原 |
工 |
程 |
起 |
工 |
程 |
起 |
工 |
程 |
起 |
平 |
原 |
工 |
程 |
起 |
工 |
程 |
起 |
工 |
程 |
起 |
工 |
程 |
起 |
平 |
原 |
工 |
程 |
起 |
||||||||||

<面 1 > |
<面2> |
<面3> |
|||||||||||||||||||||||||||||||||||||
工序准备 |
方头铣刀 |
钻头 |
锥钻 |
工序准备 |
钻头 |
锥钻 |
钻头 |
铰刀 |
工序准备 |
方头铣刀 |
|||||||||||||||||||||||||||||
平 |
原 |
工 |
程 |
起 |
工 |
程 |
起 |
工 |
程 |
起 |
平 |
原 |
工 |
程 |
起 |
工 |
程 |
起 |
工 |
程 |
起 |
工 |
程 |
起 |
平 |
原 |
工 |
程 |
起 |
||||||||||

|
|
<面2> |
<面3> |
|||||||||||||||||||||||||||||||||||||
工序准备 |
方头铣刀 |
钻头 |
锥钻 |
工序准备 |
钻头 |
锥钻 |
钻头 |
铰刀 |
工序准备 |
方头铣刀 |
|||||||||||||||||||||||||||||
平 |
原 |
工 |
程 |
起 |
工 |
程 |
起 |
工 |
程 |
起 |
平 |
原 |
工 |
程 |
起 |
工 |
程 |
起 |
工 |
程 |
起 |
工 |
程 |
起 |
平 |
原 |
工 |
程 |
起 |
||||||||||

<面 1 > |
<面2> |
<面3> |
|||||||||||||||||||||||||||||||||||||
工序准备 |
方头铣刀 |
钻头 |
锥钻 |
工序准备 |
钻头 |
锥钻 |
钻头 |
铰刀 |
工序准备 |
方头铣刀 |
|||||||||||||||||||||||||||||
平 |
原 |
工 |
程 |
起 |
工 |
程 |
起 |
工 |
程 |
起 |
平 |
原 |
工 |
程 |
起 |
工 |
程 |
起 |
工 |
程 |
起 |
工 |
程 |
起 |
平 |
原 |
工 |
程 |
起 |
||||||||||

<面 1 > |
<面2> |
<面3> |
|||||||||||||||||||||||||||||||||||||
工序准备 |
方头铣刀 |
钻头 |
锥钻 |
工序准备 |
钻头 |
锥钻 |
钻头 |
铰刀 |
工序准备 |
方头铣刀 |
|||||||||||||||||||||||||||||
平 |
原 |
工 |
程 |
起 |
工 |
程 |
起 |
工 |
程 |
起 |
平 |
原 |
工 |
程 |
起 |
工 |
程 |
起 |
工 |
程 |
起 |
工 |
程 |
起 |
平 |
原 |
工 |
程 |
起 |
||||||||||

<面 1 > |
<面2> |
<面3> |
|||||||||||||||||||||||||||||||||||||
工序准备 |
方头铣刀 |
钻头 |
锥钻 |
工序准备 |
钻头 |
锥钻 |
钻头 |
铰刀 |
工序准备 |
方头铣刀 |
|||||||||||||||||||||||||||||
平 |
原 |
工 |
程 |
起 |
工 |
程 |
起 |
工 |
程 |
起 |
平 |
原 |
工 |
程 |
起 |
工 |
程 |
起 |
工 |
程 |
起 |
工 |
程 |
起 |
平 |
原 |
工 |
程 |
起 |
||||||||||


方件的加工终于完成了!!啊,好长啊。
我想你们一定看到了经过这么多工序制作出来的成品。我想让大家记住的第一件事就是
工序准备工作不容易!!
如您所见,加工本身是由机器按照程序自动执行的,但是编程、最重要的加工准备工作=工序准备工作都是由工人完成的工作。工序准备工作需要现在的加工技术人员的专业知识和工人的熟练技术。
另外,每次更换工序,加工精度都会下降,而且耗费大量工时,导致成本增加。设计人员在考虑设计内容时,是不是应该思考如何能够减少工序准备工作。
例如,考虑通过统一内角倒角和螺钉规格来减少所使用的刀具数量,或减少要加工的表面数量。当您听到数控铣床和加工中心时,可能会觉得一切都是自动完成的,但请务必记住,在其背后,人为工作是一个非常重要的因素。
此次,首先希望大家了解制造商是如何参与机加工的,因此我聚焦工序准备工作,介绍了一系列流程。希望大家能记住此次的加工流程,对下一次设计时的要点有所感悟。
我认为重点是在设计工作中,要在头脑中想象通过怎样的加工来实际实现自己设计的内容。下一次以后,我将基于在这些加工现场实施的工作,讲解具体的设计要点。
本公众号所分享的文章为本公众号原创或根据网络搜索下载编辑整理,文章版权归原作者所有,仅供读者学习、参考,禁止用于商业用途。因转载众多,无法找到真正来源,如标错来源,或对于文中所使用的图片、文字、链接中所包含的软件、资料等,如有侵权,请联系后台管理员删除!






