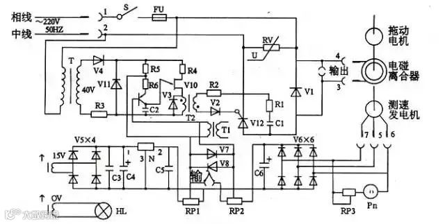
1、可控硅调速电路

2、电磁调速电机控制图

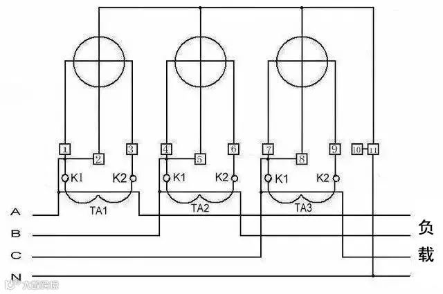
3、三相四线电度表互感器接线

4、能耗制动

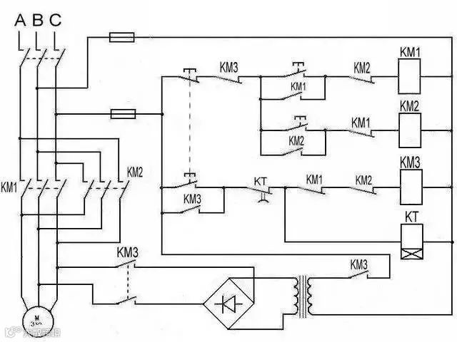
5、顺序起动,逆序停止

6、锅炉水位探测装置

7、电机正反转控制电路

8、电葫芦吊机电路

9、单相漏电开关电路

10、单相电机接线图

11、带点动的正反转起动电路

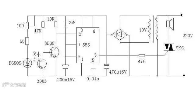
12、红外防盗报警器

13、双电容单相电机接线图

14、自动循环往复控制线路

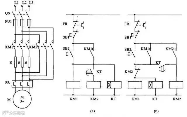
15、定子电路串电阻降压启动控制线

16、按启动钮延时运行电路

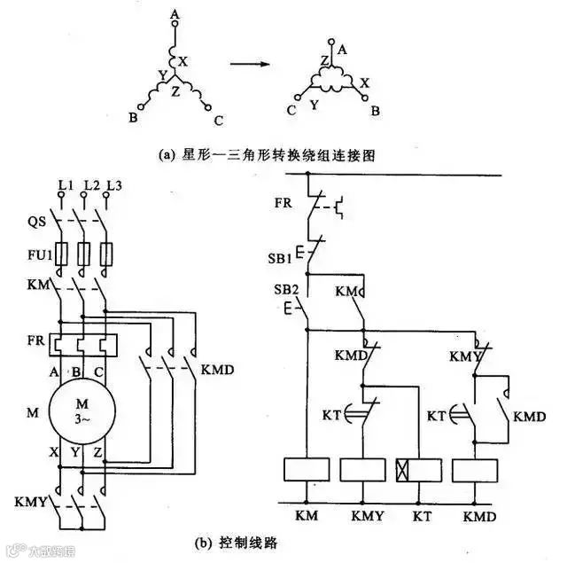
17、星形 - 三角形启动控制线路

18、单向反接制动的控制线路

19、具有反接制动电阻的可逆运行反接制动的控制线路

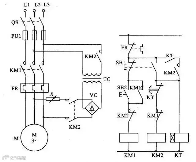
20、以时间原则控制的单向能耗制动线路

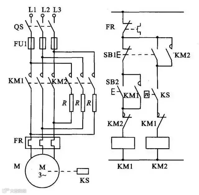
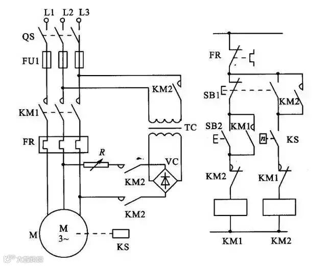
21、以速度原则控制的单向能耗制动控制线路

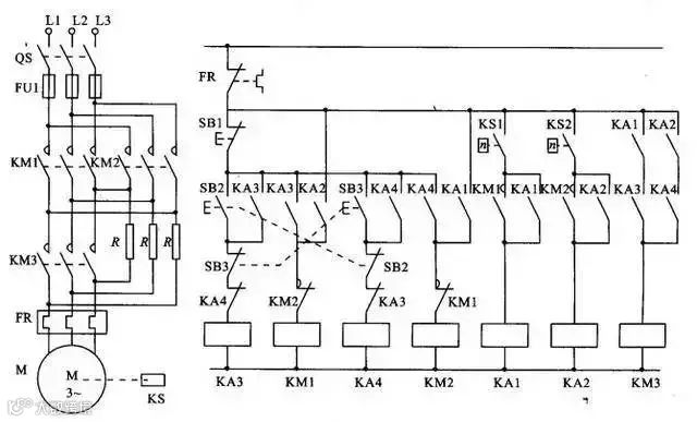
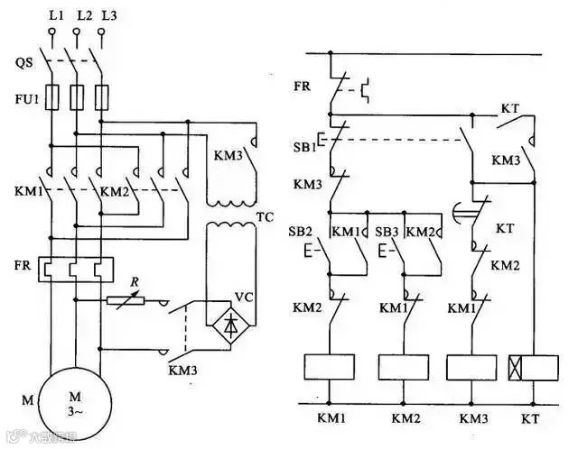
22、电动机可逆运行的能耗制动控制线路

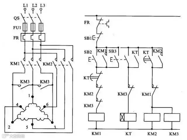
23、双速电动机改变极对数的原理

24、双速电动机调速控制线路

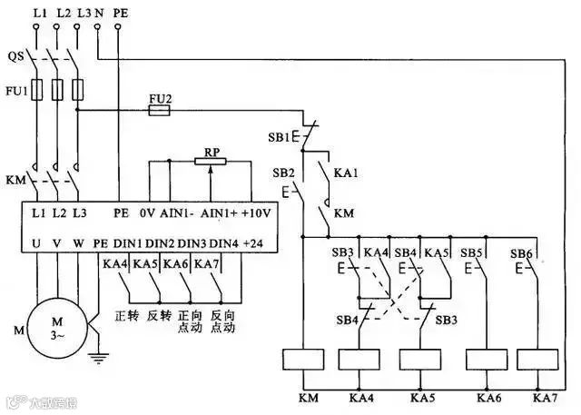
25、使用变频器的异步电动机可逆调速系统控制线路

26、正确连接电器的触点

27、线圈的连接

28、继电器开关逻辑函数

29、三相半波整流电路图

30、三相全波整流电路图

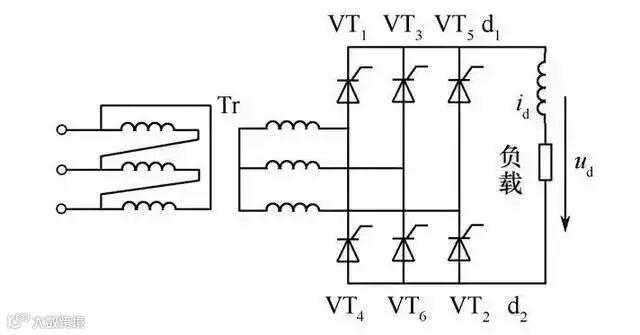
31、三相全波6脉冲整流原理图

32、六相12脉冲整流原理图

33、负载两端的电压

在一个周期中,每个二极管只有三分这一的时候导通(导通角为120度)。负载两端的电压为线电压。
34、直流调速原理功能图

以上这34个电器接线图,看懂完胜80%的电工!各位小伙伴赶紧点赞收藏吧!
免责声明:本文转自网络,版权归原作者所有,如有侵权请及时与我们联系删除,谢谢!

