彻底理解几何公差的符号及管控意义,并正确理解尺寸公差的概念,是一件非常困难的事情。

本文聚焦几何公差的“读取”与“测量”,以最通俗易懂的语言进行细致解说。
什么是几何公差?
ISO将几何公差定义为“Geometrical product specifications(GPS) −Geometrical tolerancing− Tolerancing of form, orientation, location and run-out”。
换言之,“几何特性”指的是物体的形状、大小、位置关系等,“公差”则是“容许误差”。“几何公差”的特点,是不仅定义尺寸,还会定义形状、位置的容许误差。
1、尺寸公差与几何公差的区别:
设计图纸的标注方法,大致可分为“尺寸公差”与“几何公差”这两类。尺寸公差管控的是各部分的长度。
而几何公差管控的则是形状、平行度、倾斜度、位置、跳动等。

尺寸公差图纸

几何公差图纸
意为“请进行对示面(A)的‘平行度’不超过‘0.02’的加工”
2、几何公差的优点:
为什么需要标注几何公差呢?举个例子,设计者在订购某板状部件时,通过尺寸公差进行了如下标示。

但是根据上述图纸,生产方可能会交付如下所示的部件。

这样的部件会成为不适合品或不良品。
究其原因,就是没有在图纸上标注平行性。相应的责任不在于加工业者,在于设计者的公差标示。
用几何公差标注同一部件的图纸,可得到如下所示的设计图。该图在尺寸信息的基础上,追加了“平行度”、“平面度”等几何公差信息。这样一来,就能避免因单纯标注尺寸公差而导致的问题。(我们推荐你关注“机械工程师”公众号,第一时间掌握干货知识、行业信息)
差标注同一部件的图纸,可得到如下所示的设计图。该图在尺寸信息的基础上,追加了“平行度”、“平面度”等几何公差信息。这样一来,就能避免因单纯标注尺寸公差而导致的问题。

综上所述,几何公差的优点,就是能够正确、高效地传达无法通过尺寸公差来体现的设计者意图。
3、独立原则
尺寸公差与几何公差管控的公差不同。尺寸公差管控的是长度,几何公差管控的则是形状及位置关系。
因此,尺寸公差和几何公差并无优劣之分,结合使用这两种公差,可实现高效的公差标示。
此外,尺寸公差及几何公差分别以不同测量设备及检测方法测量。例如,尺寸公差会使用游标卡尺、千分尺等测量2点间距离,此时,下图中的尺寸公差全部合格。


但是,几何公差会利用真圆度测量仪、三坐标测量仪检测真圆度及中心轴的位置,根据指定的公差范围,可能会被判定为不合格。换言之,根据尺寸公差会被判定为合格,根据几何公差则不合格。
因此我们可以认为,尺寸公差管控与几何公差管控基本上不存在相关性。这种思考方式就是“独立原则”。
4、ISO中的定义
尺寸与几何特性的关系定义如下。
ISO 8015-1985
除去特别指定相关性的情形,图纸中标示的各要求事项,例如尺寸公差及几何公差,与其他一切尺寸、公差或特性不存在任何关联性,独立发挥作用。
如上所述,独立原则是ISO明文规定的国际标准。但是,在美国等国家,部分企业可能会遵循不适用独立原则的ASME(美国机械工程师协会)准则。因此,在与境外企业开展贸易时,建议务必提前通过协商等途径,明确规格要求。
几何公差图纸与符号
几何公差在图纸上通过符号进行指定。目前,几何公差的符号共有16种,并根据管控的公差进行分类。
1、几何公差特性的分类与符号
几何公差的符号如下所示。所谓“适用要素”的“独立要素”,就是不关联基准(无需标示基准)的要素。“基准”是为了决定姿态、位置、跳动而设定的理论理想要素。而“关联要素”则是与基准存在关联的要素,用于指定姿态、位置、跳动公差。


几何公差符号一览(相关规格:ISO5459)
2、真位置度理论(用方框围起的尺寸值)
用“理论正确尺寸(TED:Theoretically Exact Dimension)”标示几何公差(位置度、轮廓度、倾斜度)的思考方式。TED会用方框(□)围起理论正确尺寸,将与该位置相关的公差填入形体控制框。(我们推荐你关注“机械工程师”公众号,第一时间掌握干货知识、行业信息)
位置的指定
进行如下图所示的位置指定时,尺寸公差标示的基准尺寸和公差均会成为尺寸公差的总和(累积公差),无法指定正确位置。而利用TED进行标示时,因其不附带公差,不会引发累积公差的问题。


公差带的指定
在指定公差带时,真位置度理论会在公差值的中心,正确标示需要用TED管控的位置。
要素为点时,公差带就是以该点为中心的圆形(a)或球形;要素为直线时,则公差带为以该直线个别正确离开公差值一半的平行二平面(b),或以该直线为中心的圆柱公差带(c)。

什么是基准(datum)
所谓基准(datum),就是在进行加工及尺寸测量时作为基准的面、线、点。
1、ISO中的定义
ISO 5459:2011定义:位置(公差)及/或姿态(公差)的公差带,抑或是为了定义表现执行状态的理想要素,而选择的实际组成要素(1个以上)所适用的设定要素(1个以上)。
2、基准的种类
基准分为“基准要素”与“模拟基准要素”。还有组合2个以上的基准,指定要素的“基准体系”。
基准要素
用于设定基准的目标物实际要素(部件的表面、孔洞等)。
模拟基准要素
在设定基准时与基准要素相接,形状极其精密的实际表面(平板、轴承、心轴等)。
基准体系
为了设定带公差要素的基准,组合使用2个以上不同基准的基准组。
标示为基准的部件的面,并不具备完美的形状。因此,必须将拥有更精密表面的平板、尺规、心轴等作为实用基准,进行接触。

3、基准要素的图纸标注
基准可通过下列符号(基准符号)进行标注。基准符号由镂空或涂黑的三角形标注。而代表基准的英文字母必须与图纸的方向一致。

此外,作为对象的区域,会因图纸中基准符号的位置而异。为了严谨传达设计意图,请注意标示基准的位置。
标示轴线或中心平面时
将尺寸线与基准合并在一处,标示基准要素。标示的基准要素中心,将成为基准轴或基准中心平面。

标示母线时
标示时需错开基准要素的尺寸线与基准。标示的基准要素中心,将成为基准轴或基准中心平面。

形体控制框
几何公差用“形体控制框”标示。形体控制框中应包含下列要素。

a:几何特性符号
标注几何公差的种类。
b:直径符号(必要时)
必须标注的几何特性如下所示。
二维平面中的圆中区域:位置度、同心度
三维空间中的圆柱中区域:真直度、平行度、直角度、倾斜度、位置度、同轴度、
三维空间中的球体中区域:位置度
c:几何公差值
公差的值。单位为“ mm (毫米) ”。
d:实体公差、公共公差带等
主要包括“(最大实体要求)”、“(最小实体要求)”、“CZ (公共公差带:Common Zone) ”等。以及其他、等。
e:优先基准
将设计者需要优先设定为基准的部分指定为基准。标注多项基准时,按照从左到右、优先度从高到低的顺序进行标注。(我们推荐你关注“机械工程师”公众号,第一时间掌握干货知识、行业信息)
通常情况下,设计者会按照优先度顺序,决定基准的字母,因此越靠前的字母优先度越高。
几何公差的种类
目前,几何公差分类中共有14种符号。若以其它方式分类,则有15种符号。
这些符号分属“形状公差”、“姿态公差”、“位置公差”、“跳动公差”,借助这些公差,可以指定所有形状。
“最大实体要求”在轴孔嵌合等设计中不可或缺,“最小实体要求”则是设计管道厚度等强度维持必要参数的有效手段,下面也介绍这些方式的概要。
1、形状公差(形状偏差)
所谓形状公差,就是决定目标物(部件)形状的基本几何公差。都是无需基准,可独立决定形状的几何公差。
1)真直度
指定“笔直度”的参数,标示应该呈现何等正确的笔直度。适用于直线而非平面对象,表示中心线、母线等的弯曲情况。因此,可用于设定长尺寸物体的容许翘曲等。
标注示例

图纸解读
表示圆柱直径的尺寸与形体控制框相连时,该圆柱的轴线必须位于直径0.1 mm的圆柱内。
2)平面度
指定“表面凸凹度”,标示应该呈现何等正确的平坦面。最凸起部分与最凹陷部分必须位于上下分离2个平面之间夹住的一定距离。
标注示例

图纸解读
该表面必须位于仅相隔0.3 mm的2个平行平面之间。
3)真圆度
指定“圆度”的参数。表示轴、孔、圆锥等圆形截面的圆度,标示应该呈现何等正确的圆形。
标注示例

图纸解读
任意轴直角截面的外周,必须位于在同一平面上仅相隔0.1 mm的2个同心圆之间。
4)圆柱度
指定“圆度”与“笔直度”的参数。表示圆柱的歪曲度,标示应该呈现何等正确的圆柱形。
标注示例

图纸解读
作为对象的面,必须位于仅相隔0.1 mm的2个同轴圆柱面之间。
2、形状公差、位置公差(线轮廓度、面轮廓度)
线轮廓度与面轮廓度同样被用于位置公差。在形状公差和位置公差中的形体控制框标注方法是相同的。
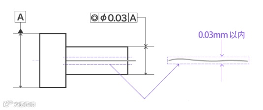
1)线轮廓度
这是标示设计部件“实际曲面是否与设计理想值一致”的参数,表示轮廓线(表面切断面呈现的线要素)的歪曲度。切断指定曲面的截面线,必须位于公差带内。
标注示例

图纸解读
在投影面平行的任意截面作为对象的轮廓必须在具有理论上正确轮廓的线上置中,并在直径0.03 mm的圆所产生的2条包络线之间。
2)面轮廓度
标示设计部件“实际曲面(表面)等是否与设计理想值一致”的参数。面轮廓度不同于线轮廓度,以整个指定曲面为对象。
标注示例

图纸解读
对象面必须在具有理论上正确轮廓的线上置中,并在直径0.1 mm的球所产生的2条弯曲线之间。
3、姿态公差
所谓姿态公差,就是相对于某项基准,决定相应要素应有姿态的公差。指定姿态公差之前,必须确定基准,因此姿态公差是与基准相关联的要素,即关联要素的几何公差。
1)平行度
类似于平面度,平行度中存在基准(作为基准的平面、直线)。平行度指定“2条直线或2个平面相互平行的程度”。
标注示例

图纸解读
标示线箭头所指的面,必须位于与基准平面A平行,且与标示线箭头方向仅间隔0.05 mm的2个平面之间。
2)直角度
指定相对于基准(作为基准的平面、直线)的“直角正确程度”。直角度指定的数值单位并非角度,而是mm。
标注示例

图纸解读
标示线箭头所指的平面,必须位于与基准平面A垂直的直径0.03 mm的圆柱内。
3)倾斜度
指定的直线及平面非90°时,指定“相对于基准(作为基准的平面、直线)是否呈现正确倾斜状态”。倾斜度指定的数值单位并非角度,而是mm。
标注示例

图纸解读
标示线箭头所指的面,必须与基准平面A准确呈现45°的理论倾斜,且位于与标示线箭头方向仅间隔0.3 mm的2个平行平面之间。
4、位置公差
所谓位置公差,就是相对于某项基准,决定相应要素应处位置(真位置)的公差。指定位置公差之前,必须确定基准,因此位置公差是与基准相关联的要素,即关联要素的几何公差。(我们推荐你关注“机械工程师”公众号,第一时间掌握干货知识、行业信息)
1)位置度
指定“相对于基准(作为基准的平面、直线)的位置正确程度”的精度。
标注示例

图纸解读
标示线箭头所指的圆的中心点,必须位于直径0.1 mm的圆中。
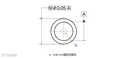
2)同轴度
指定“2个圆柱的轴同轴 (中心轴无偏差)的程度”。
标注示例

图纸解读
标示线箭头所指的圆柱轴线,必须位于以基准轴直线A为轴线的、直径0.03 mm的圆柱中。
3)同心度
指定“2个圆柱的轴同轴 (中心点无偏差)程度”的精度。与同轴度的区别在于,基准要素是中心点(平面)。
标注示例

图纸解读
标示线箭头所指的圆柱轴线,必须位于以基准轴直线A为轴线的、直径0.05 mm的圆柱中。
4)对称度
指定“相对于基准(作为基准的平面)保持对称”的精度。
标注示例

图纸解读
标示线箭头所指的中心面,必须位于与基准中心平面A对称间隔0.05 mm的2个平行平面之间。
5、跳动公差(跳动偏差)
所谓“跳动公差”,就是将某条直线设定为旋转轴,旋转目标物(部件),对目标物要素的跳动变动值进行管控的几何公差。指定跳动公差之前,必须确定基准,因此跳动公差是与基准相关联的要素,即关联要素的几何公差。
1)圆跳动
指定部件“旋转时任意圆周部分的跳动”。圆跳动——即旋转部件时测量值的跳动,必须处于规定范围内。
标注示例

图纸解读
围绕基准轴直线旋转1周时,在垂直于基准轴直线的任意测量平面上,标示线箭头所指圆柱面的半径方向跳动不得超过0.03 mm。
2)全跳动
指定部件“旋转时整个表面的跳动”。全跳动——即圆柱面整体测量值的跳动,必须处于规定范围内。
标注示例

图纸解读
围绕基准轴直线旋转圆柱部分时,在圆柱表面上的任意点,标示线箭头所指圆柱面的半径方向全跳动不得超过0.03 mm。
6、最大实体要求(MMR)与最小实体要求(LMR)
最大实体要求(MMR:Maximum Material Requirement)用于标示轴孔等嵌合部件的公差。而最小实体要求(LMR:Least Material Requirement)则用于指定端面周边位置的孔的强度及管道厚度。
1)标注方法
对部分尺寸适用最大实体要求时,需要在几何公差数值后,抑或是形体控制框内的基准符号之后,标注。而在适用最小实体要求时,应标注。
标注示例

2)最大实体要求与最小实体要求的优点
能够根据尺寸偏差与几何公差的偏差,正确实施体积相关管控,可实现合理的公差设定。用于轴、孔等公差时,能够正确表现部件的体积,具有可降低加工成本、提升品质的优点。
免责声明:本文系网络转载,版权归原作者所有。如涉及版权,请联系删除!文中内容仅代表作者个人观点,转载不同于本平台认同或者持有相同观点。

