西门子可以通过博图软件进行PLC数据的采集和状态记录,但是,仅适用于S7-1200和S7-1500,且不能连续录波。如果需要连续记录PLC内的数据,或者进行长时间的时序和故障追踪,可以采用第三方的软件。
国外的有PLC-ANALYZER、IBA等,价格较高,无法免费使用。国内的PLC-Recorder,免费功能强大,入门简单。下面将简单介绍一下利用该软件对西门子各种PLC(S7-200、S7-200SMART、S7-1200、S7-1500、S7-300、S7-400、LOGO!)进行录波的操作方法。
一、配置和采集
1、通道配置
通道就是需要访问的PLC设备,此处可以创建多达16个PLC设备,同时进行记录。点击按钮1可以调出通道配置的画面,进行通道的各种操作。按2可以打开每个通道的子画面(3),进行通道的配置,此处可以输入IP地址,PLC类型、CPU的位置(其中每种PLC都有自己的默认参数,如无特殊需要,不要修改。)、采集周期、是否激活(是否投入录波)等。
2、变量配置
在通道的配置界面里,有“数值变量”、“开关变量”和“字符串变量”三种类型的变量的三个表单。
在变量配置的界面里,可以为每种类型的变量进行单个或者多个的变量操作(操作技巧视频),变量可以激活(纳入采集)或者不激活(不采集)。
对于西门子设备,可以监控的变量区域包括:I、Q、M、DB、V(对于S7-200、S7-200SMART)。地址的表达方式包括两种:模糊方式和准确方式(鼠标放地址框里,会有格式的自动提示)。举个例子:我们习惯的MD4就是一种模糊方式,它可能表示长整型、也可能表示浮点数。对于准确方式,变量在PLC里的地址由本栏的起始地址和后面的类型来唯一确定。比如,MD4的准确表达可能是:起始地址M4,类型:float。我们可以按照工控人员习惯的方式输入模糊地址,系统会自动转变成准确地址。如果需要确定类型,或地址错误,都会醒目提醒。
下表为西门子变量类型与本软件变量类型的对照表:
3、存储设置
在存储设置界面可以设置文件存储路径、间隔等,并可以启用历史文件管理功能。
4、触发设置
可以设置启动采集和停止采集的各种模式和条件,也可以进行循环录波(需要授权),用于逐个产品的记录。
5、分组功能
当变量较多时,可以通过分组的方式进行关注组合,并可以在波形查看时进行批量操作。
6、启动录波(采集)
在配置好通道和变量后,即可启动录波(点击带有红点的按钮),主界面上各区域的简单说明见红色文字。
启动录波后,软件将首先与PLC建立连接,然后逐个变量检查是否可以访问,如果遇到错误,会进行提醒,并终止连接。如果检查无误,将开始连续记录。下方的加减按钮可以调整实时曲线的显示范围。
再次点击红点按钮后,即可停止采集,最后未存储的数据将被存入磁盘,并进行完整显示。
二、离线波形的使用
停止录波后,可以打开任何历史波形,进行查看、搜索分析、标记、导出等各种操作。
1、显示区域控制
可以进行分析模板操作、数据文件操作、网格显示、曲线区域操作、实时统计等多种操作。
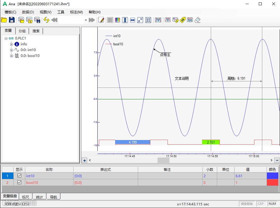
2、波形标注
可以为波形进行时段、脉宽、数据点等标注:
3、数值搜索
该功能可以对于所有变量(不管是否显示)进行特定条件的搜索,并进行光标的定位。
4、数据文件快速操作
软件提供功能丰富的文件打开方式:
1)直接打开:将保存时的显示格式、标记内容等完整打开。
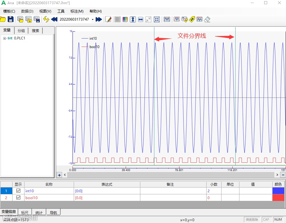
2)快速浏览:将遍历数据文件所在的目录,然后通过前后按钮可以快速切换数据文件,此时,采取直接打开的方式。
3)连接、多文件打开等(下面为文件连接的示意图)
5、保存和导出功能
调整过的波形文件有多种导出方式,可以图形复制、长图复制(在显示界面之外的图形也可以一起复制,下图可见效果)。
也可以局部或者完整导出数据,进行二次分析:
三、小结
以上仅简单介绍了软件的录波方法和主要功能,更多功能和细节还需查看手册和功能教程。本软件为PLC数据采集,时序分析,故障追踪等提供了便利条件,操作也符合中国工程师的习惯,是国外专业录波软件的不错替代。
另外,随着不断的开发,该软件的界面和功能在不停完善和优化中,最新版本需要到官方页面查看,下载。
来源:
https://blog.csdn.net/chengjl8/article/details/104485797?spm=1001.2014.3001.5502
本公众号所分享的文章为本公众号原创或根据网络搜索下载编辑整理,文章版权归原作者所有,仅供读者学习、参考,禁止用于商业用途。因转载众多,无法找到真正来源,如标错来源,或对于文中所使用的图片、文字、链接中所包含的软件、资料等,如有侵权,请联系后台管理员删除!

