搜索
首页
大数快讯
大数活动
服务超市
文章专题
出海平台
流量密码
出海蓝图
产业赛道
物流仓储
跨境支付
选品策略
实操手册
报告
跨企查
百科
导航
知识体系
工具箱
更多
找货源
跨境招聘
DeepSeek
首页
>
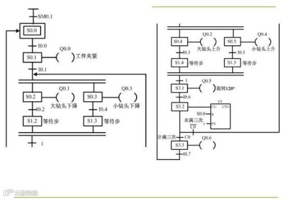
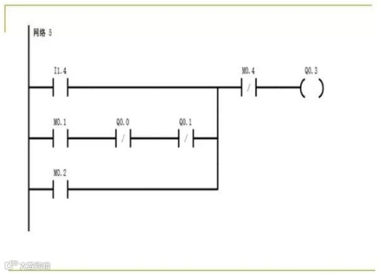
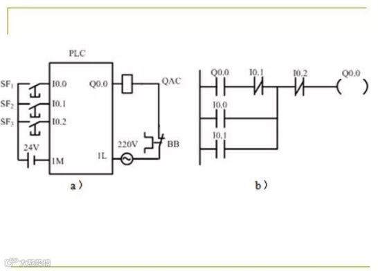
80页PPT,帮你一键掌握PLC控制程序的设计!
>
80页PPT,帮你一键掌握PLC控制程序的设计!
广州市新欧机械有限公司
2023-03-16
1
导读:来源:网络,版权归原作者所有,如有侵权请联系删除!
来源:网络,
版权
归原作者所有,如有
侵权
请联系删除!
【声明】内容源于网络
0
0
广州市新欧机械有限公司
内容
0
粉丝
0
关注
在线咨询
广州市新欧机械有限公司
广州市新欧机械有限公司
总阅读
0
粉丝
0
内容
0