液压是机械行业、机电行业的一个名词,是机电一体化技术的代表。液压元件逐步实现了标准化、系列化,其规格、品种、质量、性能都有了很大提高,尤其是采用电子技术、伺服技术等新技术新工艺后,液压系统的质量得到了显著的提高。液压技术在索道设备系统中占有越来越重要的地位,从早期固定抱索器索道中液压技术仅仅应用于液压制动系统,到现在液压技术应用于索道的制动系统、张紧系统、紧急驱动系统、弯轨提升系统、应急救援系统等,索道液压技术贯穿于索道技术管理的全方位、全角落。
一、认识液压系统
在学习一个设备的液压系统前,我们首先需要认识液压系统。一个完整的液压系统由动力元件、执行元件、控制元件、辅助元件和工作介质五个部分组成。
其次需要对以上五个部分的分类有所了解,知道我们液压系统所有元器件所归属的类别从而判断其在系统中起到的作用,如此才能快速、准确地分析出液压系统工作原理。
1.学习液压元器件功能作用
动力元件的作用是将原动机的机械能转换成液体的压力能。动力元件指液压系统中的液压泵,它向整个液压系统提供动力。液压泵的结构形式一般有齿轮泵、叶片泵、柱塞泵、螺杆泵。如图一部分动力元件图。
图1 部分动力元件图
执行元件的作用是将液体的压力能转换为机械能,驱动负载作直线往复运动或回转运动。执行元件有液压缸和液压马达。如图二部分执行元件图。
图2 部分执行元件图
控制元件(即各种液压阀)在液压系统中控制和调节液体的压力、流量和方向。根据控制功能的不同,液压阀可分为压力控制阀、流量控制阀和方向控制阀。如图三部分控制元件图。
图3 部分控制元件图
辅助元件包括蓄能器、过滤器、冷却器、加热器、油管、管接头、油箱、压力计、流量计、密封装置等,它们起连接、储油、过滤和测量油液压力等辅助作用,可参考《液压传动》《液压系统设计丛书》。如图四部分控制元件图。
图4 部分辅助元件图
工作介质是指各类液压传动中的液压油或乳化液,有各种矿物油、乳化液和合成型液压油等几大类。液压系统就是通过其实现运动和动力传递的。
2.学习液压元器件符号
液压元器件的符号学习是读懂液压图的关键,基本原则类似电气图纸读图,关键是要知道管路通断的基本知识,下面就天台索道液压张紧系统为例,在学习液压系统时需要掌握识图基本原则:
两线交叉,画实心点为管路交叉相通,无实心点为管路交叉不相通;电磁阀位置为断电状态下的工位,具体在实际运行状态是否通电根据实际情况确定,最简单的方法是设备运行常态下电磁阀线圈发热就是运行状态下通电,否则为断电状态;单向阀,图标中单向阀尖头为油路入口方向,圆圈为出口方向;长虚线为液压系统中的模块单元;短虚线为控制油路;实线为主油路;截止阀,空心为常开截止阀,实心为常闭截止阀;溢流阀读图一定要注意溢流压力参数等等。不同的厂家在液压图的表述上有细微差别,需要我们掌握并在实际系统分析中论证。
3.了解几个基本的液压回路
增压回路是利用一个输出压力高于系统压力的增压器,使系统中某一部分油液获得较高压力,以适应执行元件对力或转矩的要求,如图五所示。
图5 增压回路
减压回路是从系统的高压力油中引出一部分油液,使其通过减压阀而降低压力,以满足系统中某些部件的低压力要求,如图六所示。
图6 减压回路
调压回路是利用压力控制阀来控制系统整体或某一部分的压力,以满足液压执行元件对力或转矩的要求,如图七所示。
图7 调压回路
保压回路是利用一些能长时间保持油液压力的液压元件(如蓄能器等)或补油装置来保持系统中某处的压力,以适应执行元件对力或转矩的要求,如图八所示。
图8 保压回路
二、分析液压系统
正确分析液压系统,是我们学习液压系统工作原理以及做好液压设备维保工作的关键。特别对于新入职索道技术行业的技术人员来说,如何快速准确读懂液压系统图,如何正确分析系统原理及判断系统故障是一项难度较大的问题。
那么如何快速学习一个新的液压系统工作原理,天台索道技术团队通过大量的液压专业技术培训并评估培训效果后总结了几个学习液压系统培训小妙招,可以让液压系统知识相对匮乏的技术人员在短时间内学会读懂液压系统图:
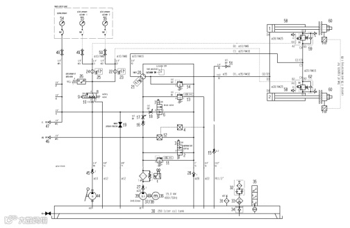
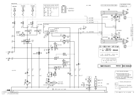
1.按照液压系统元件分类从动力元件和执行元件解读液压张紧系统图,如图九所示。
图9 液压张紧系统图
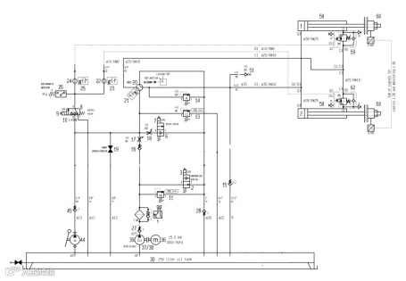
第一步:找出液压系统中的动力元件和执行元件(其他元器件是在液压系统中为保护系统、实现功能而存在),如图十所示;
图10 动力元件和执行元件
第二步:找出连接动力元件和执行元件的管路(以此才能知道介质的流动方向),如图十一所示;
图11 动力元件和执行元件连接管路
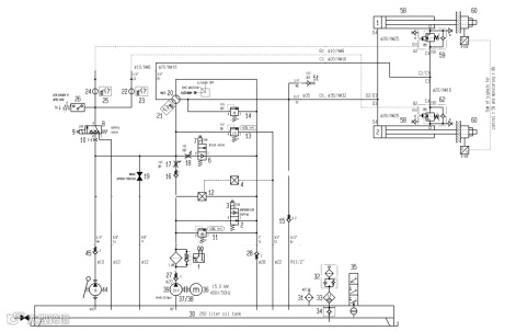
第三步:找出动力元件与油箱连接管路(以此才能知道做功结束后介质回流至油箱方向),如图十二所示;
图12 动力元件与油箱连接管路
第四步:找出液压缸中无杆腔(或有杆腔)在有杆腔(或无杆腔)补压时的油路方向,如图十三所示;
图13 无杆腔在有杆腔补压时的油路
第五步:找出液压缸中无杆腔(或有杆腔)在有杆腔(或无杆腔)泄压时的油路方向,如图十四所示;
图14 无杆腔在有杆腔泄压时的油路
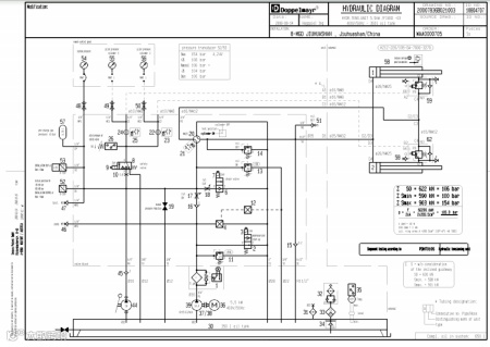
第六步:综合以上执行元件在补压/泄压时介质流动方向和路径推断出系统工作油路,再根据油路工作状态反推电磁阀、溢流阀等控制元件在实际系统工作是的动作和状态,推导出液压系统工作原理,如图十五所示。
图15 液压张紧系统工作油路
最后,通过实际液压系统工作的状态,佐证各控制元件在系统工作时的动作是否合理,验证自主分析的系统工作原理是否科学、合理。
2.按照液压系统元件分类从辅助元件出手用减法来解读液压系统图
第一步:在复杂的液压系统图中(如图九)除去边款和标题栏,以简化图纸,如图十六所示;
图16 无边框和标题栏张紧图
第二步:清除液压系统中液压单元的边界线(点划线),进一步除去干扰,使得图纸中线条都为液压管路,如图十七所示;
图17 无液压单元边界线
第三步:清除图中参数、备注,以进一步清洁图纸,如图十八所示;
图18 无参数及备注
第四步:清除图中压力表、压力表管路接头及各测量点管路(此为压力显示、功能测试使用,不影响系统功能的实现),如图十九所示;
图19 无压力表及管路
第五步:清除图中的选装件、过滤器等附件,例如天台索道液压制动系统中的件4和件12为选装件,在分析系统图中可视为不存在,如图二十所示;
图20 无附件
第六步:根据连接油箱的管路及单向阀的朝向,标出进/出油管路,如图二十一所示。
图21 油箱进出油管路
最后,根据液压缸补压/泄压找出系统工作状态下油路,再逆推各控制元件在系统工作时的状态来推算出液压系统工作原理。
三、结语
作为设备维保人员,除了按要求做好设备维保,确保设备稳定性的同时,还需要做好设备突发情况下的应急处置,对于突发故障的判断能力和水平就显得尤为重要。如何做到快速、准确地锁定故障并排除,就需要在日常的培训和学习中判断可能存在的故障并提出解决方案。
以液压系统为例,我们可以通过假设元器件发生故障,例如:单向阀卡阻导致的压力不稳定、电磁阀卡阻不动作、溢流阀故障导致的压力异常等等,都有可能导致系统异常,以上都可以通过系统图的分析得到验证。关于液压系统原理的学习我们一直在路上,此文介绍的小妙招,仅供业内同仁参考。由于本人水平有限,文中如有不当之处,希望大家批评指正。
本文选自2024年全国索道年会论文
《液压系统学习小妙招》
▌作者 | 林鑫
▌编辑 | 张浩然
▌版权 | ©九华旅游索道技术交流,转载请务必注明来源
本公众号所分享的文章为本公众号原创或根据网络搜索下载编辑整理,文章版权归原作者所有,仅供读者学习、参考,禁止用于商业用途。因转载众多,无法找到真正来源,如标错来源,或对于文中所使用的图片、文字、链接中所包含的软件、资料等,如有侵权,请联系后台管理员删除!


