液压基本回路是由一些液压元件组成的,用来完成特定功能的控制油路。液压基本回路是液压系统的核心,无论多么复杂的液压系统都是由一些液压基本回路构成的,因此,掌握液压基本回路的功能是非常必要的。
1.背压回路

2.比例远调压力回路

3.变量泵回路

4.冲液阀回路

5.串联同步回路

6.电磁泄荷回路

7.分流阀同步回路

8.换向回路1

9.换向回路2

10.节流阀出口节流回路

11.节流阀旁路旁路节流调速回路

12.单级调压回路

13.无级减压回路

14.平衡回路

15.减压回路

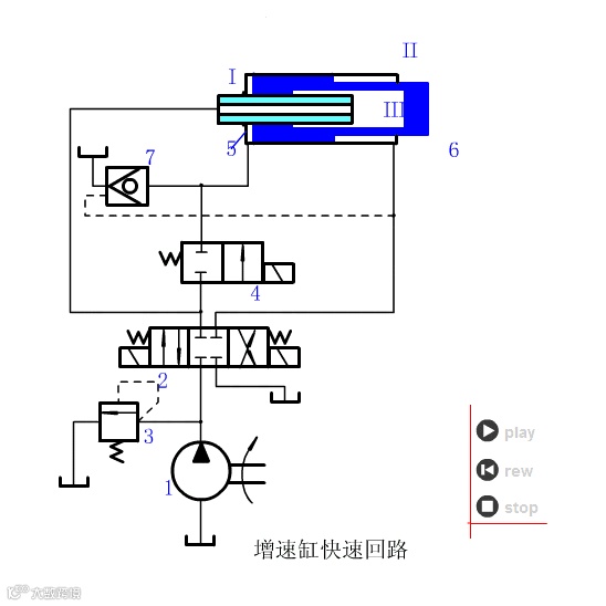
16.增速缸快速回路

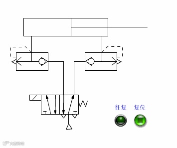
17.液压缸差动连接快速回路

18.调速阀并联的速度换接回路

19.调速阀串联的速度换接回路

20.电磁溢流回路

21.进油调速回路

22.节流阀进油调速回路

23.节流阀进油调速回路

24.蓄能器油缸回路

25.气缸快速往复运动回路

26.三压回路

27.双泵回路

28.双压调压回路

29.行程阀控制顺序动作回路

30.行程开关和电磁阀控制顺序动作回路

31.双作用增压缸的增压回路

32.液压泵保压回路

33.锁紧回路

34.蓄能器保压回路

35.中位泄荷回路

36.单作用增压缸增压回路

37.远程调压回路

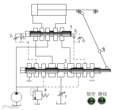
38.典型机床回路

39.典型机床回路2

40.快进工进回路

41.用行程阀的速度换接回路

42.调速阀串联的二次进给速度换接回路

43.调速阀并联的二次进给速度换接回路

44.调速阀并联的二次进给速度换接回路2

45.行程阀控制的快慢速换接回路

46.行程控制制动式换向回路

47.行程开关和电磁换向阀控制的顺序运动回路

48.行程开关控制的快慢速换接回路

本公众号所分享的文章为本公众号原创或根据网络搜索下载编辑整理,文章版权归原作者所有,仅供读者学习、参考,禁止用于商业用途。因转载众多,无法找到真正来源,如标错来源,或对于文中所使用的图片、文字、链接中所包含的软件、资料等,如有侵权,请联系后台管理员删除!


