In Ceramics China 2019 exhibition, the mobile glazing airless system cabin of TecnoCer was displayed in the booth of FCRI group, it attracted the attention of many professoinal visitiors.
TecnoCer Italia SRL is a leader in the field of glazing in the Italian ceramics industry. With more than 30 years of experience in glazing line equipment, TecnoCer always adheres to the concept of spreading tradition and attention to detail typical of made in Italy. Each of TecnoCer product is entirely designed and manufactured by itself to maintain consistently high and stability quality.
Since a few years ago, TecnoCer concentrated on the development of GPC4.0 (Glazing Process Control), the industrial 4.0 intelligent glazing control system, which has become the leader of the industry 4.0 application in the field of glazing in the Italian ceramics
TecnoCer is able to design complete ceramic systems to meet specific customer requirements. Each system is designed to maximize production efficiency while maintaining the highest quality standards.
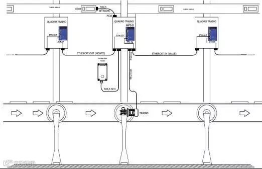
TecnoCer produces glazing line with Ethercat network to exchange data with all the accessories on the line. With this system you can easy manage the production in real time.
Full control of input and output of the glaze, KW consumption, water consumption, air consumption, pieces producted and so on.
Integrate all the data collected with “Wizard” - the unique management and supervisor system of TecnoCer proprietary - that gives an image in real time of what you have now in production and what you can do to increase it!
Every machine is composed by touch screen to simple manage the production. Tecnocer can make a remote access to solve problem in every place of the world just with WI-FI connection.
In Europe, the traditional glazing process in ceramic production has been replaced by advanced glazing technology. The mobile glazing airless system cabin has many advantages such as:
* Smoother glazed surface
* More convenient adjustment of glaze effect
* Reduce the glaze consumption.
It has become the best choice for the production of ceramic slabs to improve quality and reduce costs.
TecnoCer can customize the cabin with independent dispenser movement from 1 to 12 according to customer's production needs. Device for glazing with independent axes, designed by TecnoCer under the exclusive license of GEMATA SpA: Patent No. IT1388913.
The innovative concepts offered by Tecnocer machine are:
★ Provided of stability system with high-precision linear guides, avoided the fluctuations and vibrations problem due to the movement of high-frequency nozzles.
★ Unlimited creation of work trajectories in order to allow optimal drafts at full field.
★ Spray gun system for a higher quality application.
★ Possibility to create designs and effects with different shades on the tile.
★ Innovative ignition switch-off system when the material passes.
All this is made possible by the new integrated software, which processes the operator’s requests in real time directly from the line supervision system.
Except digital printing machine, TecnoCer can provide all equipment on glazing line including: Cabin, Pump, Glaze Station, Lamp for Glaze Drying, Large Format Centering device, Tile Expulsion device, Tile Crusher for larger formats, and etc.
Parts of TecnoCer’s user
In order to develop the Asia market and provide better service, TecnoCer reached a strategic cooperation agreement with FCRI Group as its exclusive agency in Asia area.
FCRI has always adhered to the tenet of “building a global excellent material and equipment supplier”, and exerting its network advantages of sales and service to providing good service and guarantee for all ceramic enterprises.
FCRI currently has a prototype of mobile glazing airless system cabin in Foshan. Welcome all customers come for further communication.
Contact
● Mr.Chester Chen
Mobile: +8613702554720
Email: chester@fcri.com.cn
● Mr.Wu
Mobile: +8613808833872
Long press the identification QR code to follow us

