搜索
首页
大数快讯
大数活动
服务超市
文章专题
出海平台
流量密码
出海蓝图
产业赛道
物流仓储
跨境支付
选品策略
实操手册
报告
跨企查
百科
导航
知识体系
工具箱
更多
找货源
跨境招聘
DeepSeek
首页
>
广东省交通运输厅安委办关于转发《广东省高风险作业和重点领域(岗位)“一线三排”工作指引》的通知
>
广东省交通运输厅安委办关于转发《广东省高风险作业和重点领域(岗位)“一线三排”工作指引》的通知
广州市危险货物运输行业协会
2021-06-03
1
导读:广东省交通运输厅安委办关于转发《广东省高风险作业和重点领域(岗位)“一线三排”工作指引》的通知
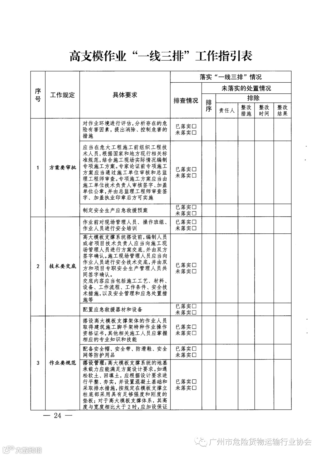
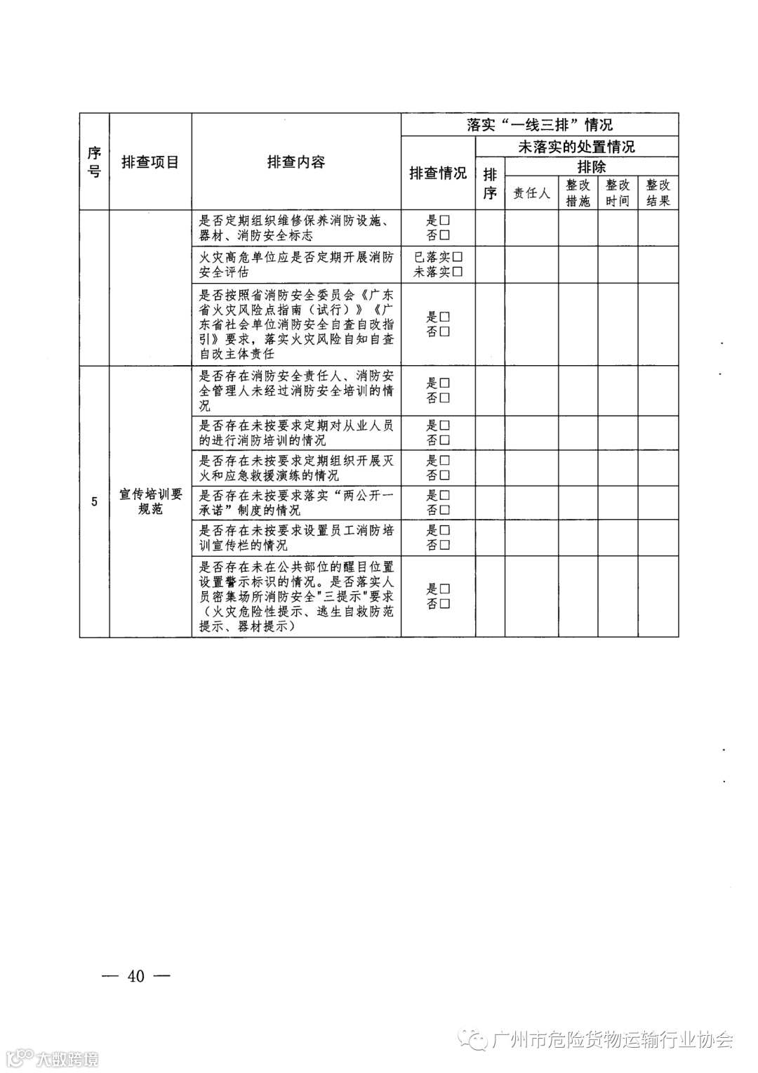
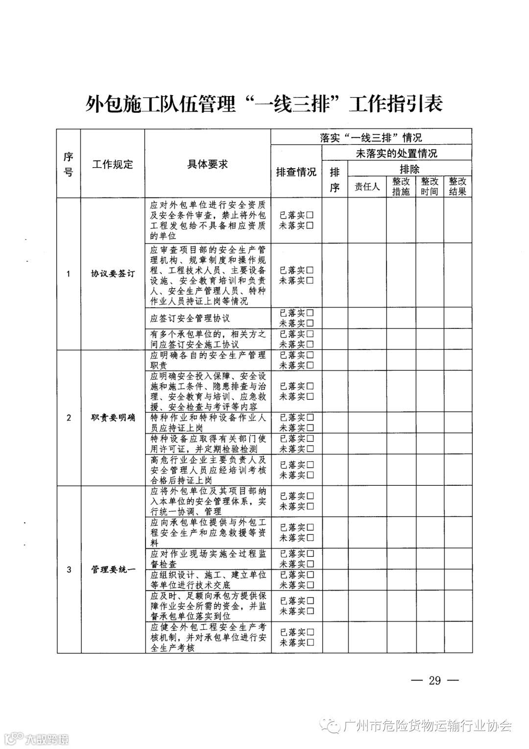
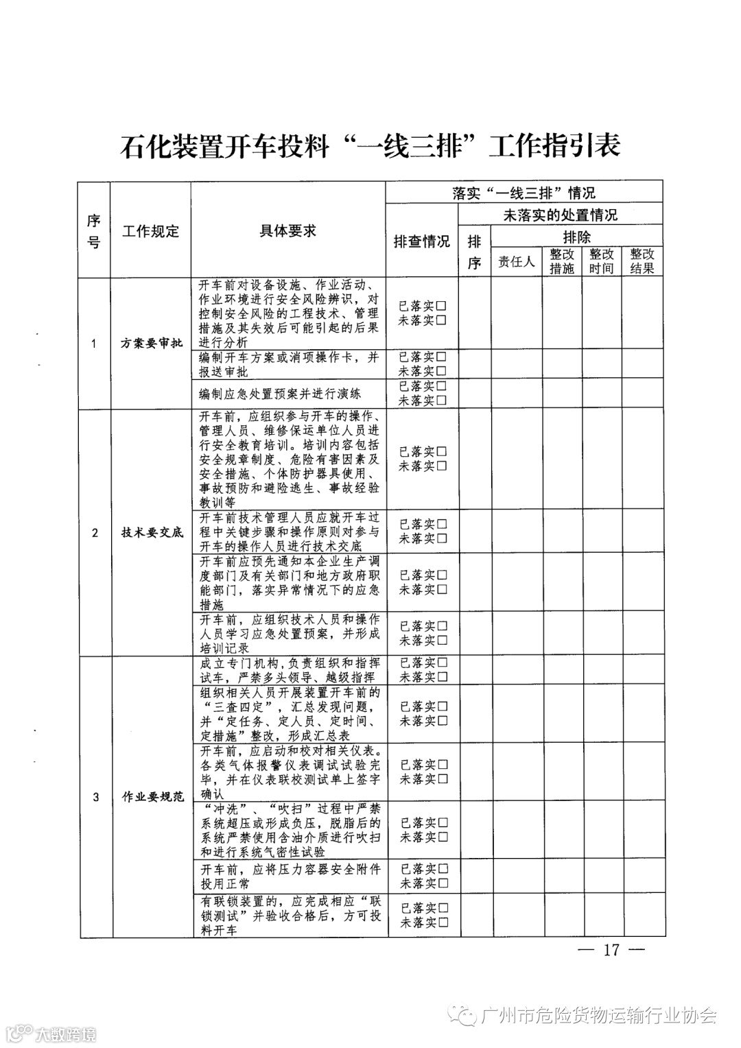
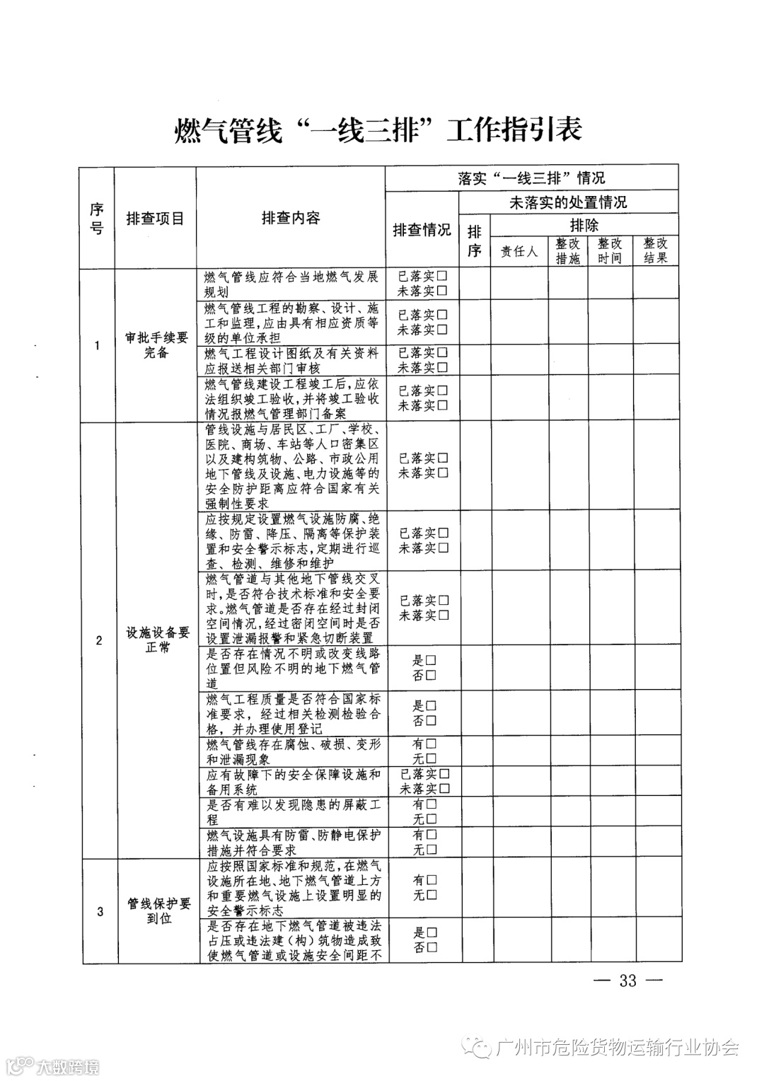
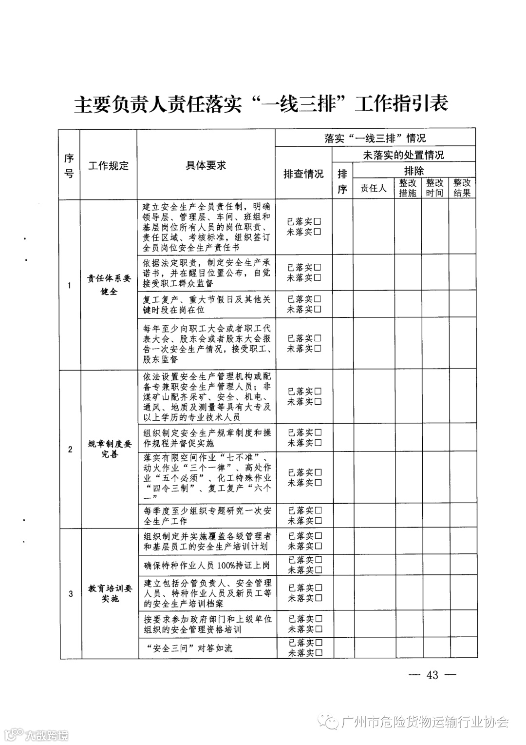
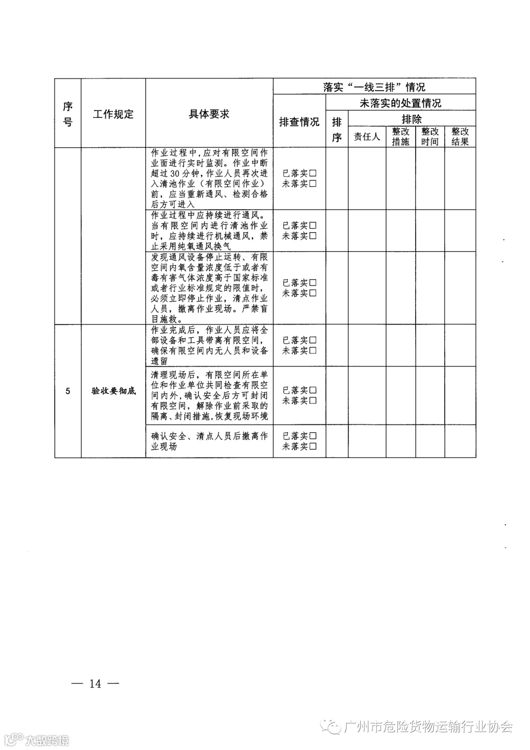
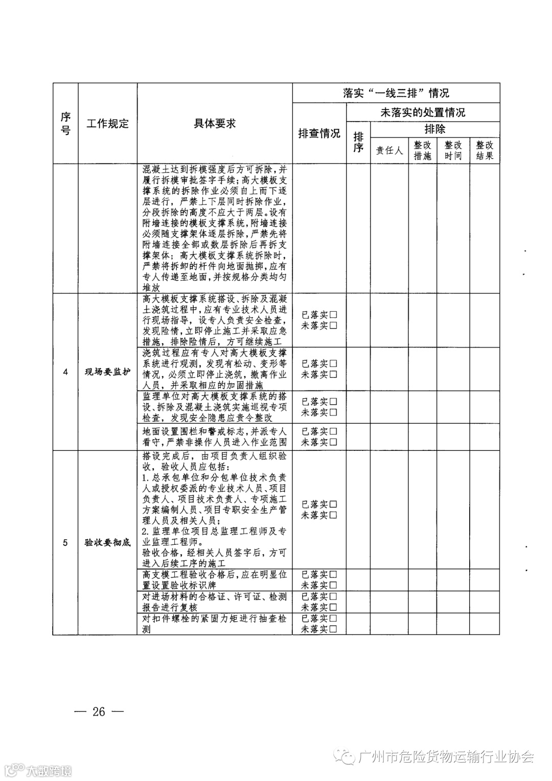
广东省交通运输厅安委办关于转发《广东省高风险作业和重点领域(岗位)“一线三排”工作指引》的通知
【声明】内容源于网络
0
0
广州市危险货物运输行业协会
服务于危险货物物流相关企业,定期发布最新行业动态,法律法规、协会线上线下活动通知。
内容
1282
粉丝
0
关注
在线咨询
广州市危险货物运输行业协会
服务于危险货物物流相关企业,定期发布最新行业动态,法律法规、协会线上线下活动通知。
总阅读
890
粉丝
0
内容
1.3k