应急部答复:GB30077-2023《危化品单位应急救援物资配备要求》全文强制,9月1日起实施!
GB30077-2023 《危险化学品单位应急救援物资配备要求》标准将于9月1日实施!近日,应急管理部官网公开答复了关于该标准的疑问,具体如下。
关于GB 30077.2023和GB18218-2018中危险化学品使用单位的疑问
咨询: 1.GB 30077.2013的适用范围是危化品生产和储存单位,新版增加了危险化学品单位定义,包含了使用单位,但是定义下方有备注:本文件中特指满足附录A的危险化学品生产和储存单位,请问使用单位是否适用,这句话是指?2. 根据GB18218-2018进行识别时,危化品重大危险源辨识的适用范围包括使用单位,但是附录A危化品重大危险源辨识流程只分为生产单元和储存单元,是指使用单元不在等级内?咨询时间: 2024-03-08
回复: 1.本文件对生产和贮存单位的物资配备做强制性要求(见标准3.2条款),使用单位可根据自身情况参照执行;2.本文件针对危化品生产和贮存单位进行分类规定(见标准3.2条款),以重大风险源等级作为分类依据,使用单位可根据自身情况参照执行。回复单位: 国家安全生产应急救援中心 回复时间: 2024-03-11
关于《危险化学品单位应急救援物资配备要求》GB30077-2023危险化学品单位类别划分标准
咨询: 您好:2024年9月1日实施的《危险化学品单位应急救援物资配备要求》GB30077-2023,标准中在附录A通过从业人数、营业收入和危险化学品重大危险源级别划分危险化学品单位类别,但是标注4解释了”企业规模按从业人员、营业收入划分不一致的,按最低等级确定”。我单位从业人数在300人以下,但是营业收入40000万元以上,到底应该划分为第三类危险化学品单位还是第二类危险化学品单位?咨询时间: 2024-03-04
回复: 根据附录A,从业人数在300人以下和营业额4000万元以上分别属于企业规模的最低等级和最高等级,根据表A.1中“注4:表中企业规模按从业人员、营业收入划分不一致的,按最低等级确定。”可知,该企业可按照“从业人数在300人以下”确定企业规模。回复单位: 国家安全生产应急救援中心 回复时间: 2024-03-07
咨询: 1. GB30075-2023的版本没有了关于条款强制性和推荐性的描述,请问是指标准中所有条款对于危险化学品单位来说都是强制性吗 2. 请问附录A中的从业人员和营业收入是指什么范围?营业收入是不是指使用危化品那部分产品所获得的收入?咨询时间: 2024-02-27
回复: 1.按照强制性国标修制定最新要求,修改后的GB30077版本全部为强制性要求,原标准中涉及到的推荐性描述均转为资料性附录,请参照。2.修订后的GB30077-2023版 附录A中有关危险化学品单位的类别的划分延续了GB30077-2013版本要求,即通过企业规模和危险化学品重大危险源级别联合确定危险化学品单位的类别,该划分方法通过10余年的实践,有效的指导了本标准的实施。按照标准要求,从业人员是指在本单位工作并取得劳动报酬的全部人员数;营业收入包括主营业务收入和其他业务收入,危险化学品单位的营业收入包括但不限于危化品产品销售的收入。回复单位: 国家安全生产应急救援中心 回复时间: 2024-03-05
咨询:1、请问附录A中的危险化学品单位类别根据从业人数、营业收入和危险化学品重大危险源级别划分,我司一级重大危险源2个,从业人员800人,营业收入超过4亿,判定为第几类危险化学品单位啊?2、注 4:企业规模按从业人员、营业收入划分不一致的,按最低等级确定,这句话怎么理解。咨询时间: 2024-03-11
回复:根据附录A,企业危险化学品重大危险源级别为一级危险化学品重大危险源,从业人数在300人以上1000人以下的,企业类别划分为第二类危险化学品单位;营业收入在40000万元以上的,企业类别划分为第一类危险化学品单位,根据表A.1中“注4:表中企业规模按从业人员、营业收入划分不一致的,按最低等级确定”可知,该企业可按照“从业人数在300人以上1000人以下”确定企业类别。回复单位: 国家安全生产应急救援中心 回复时间: 2024-03-12
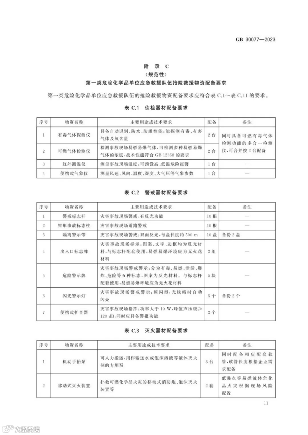
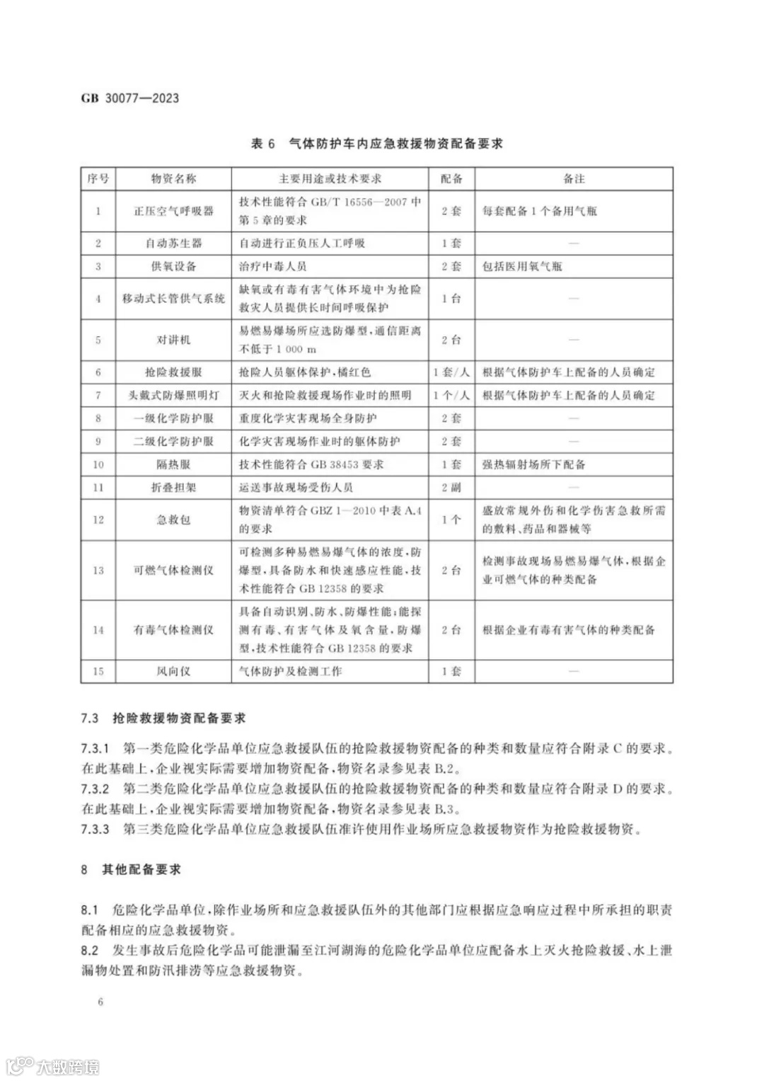
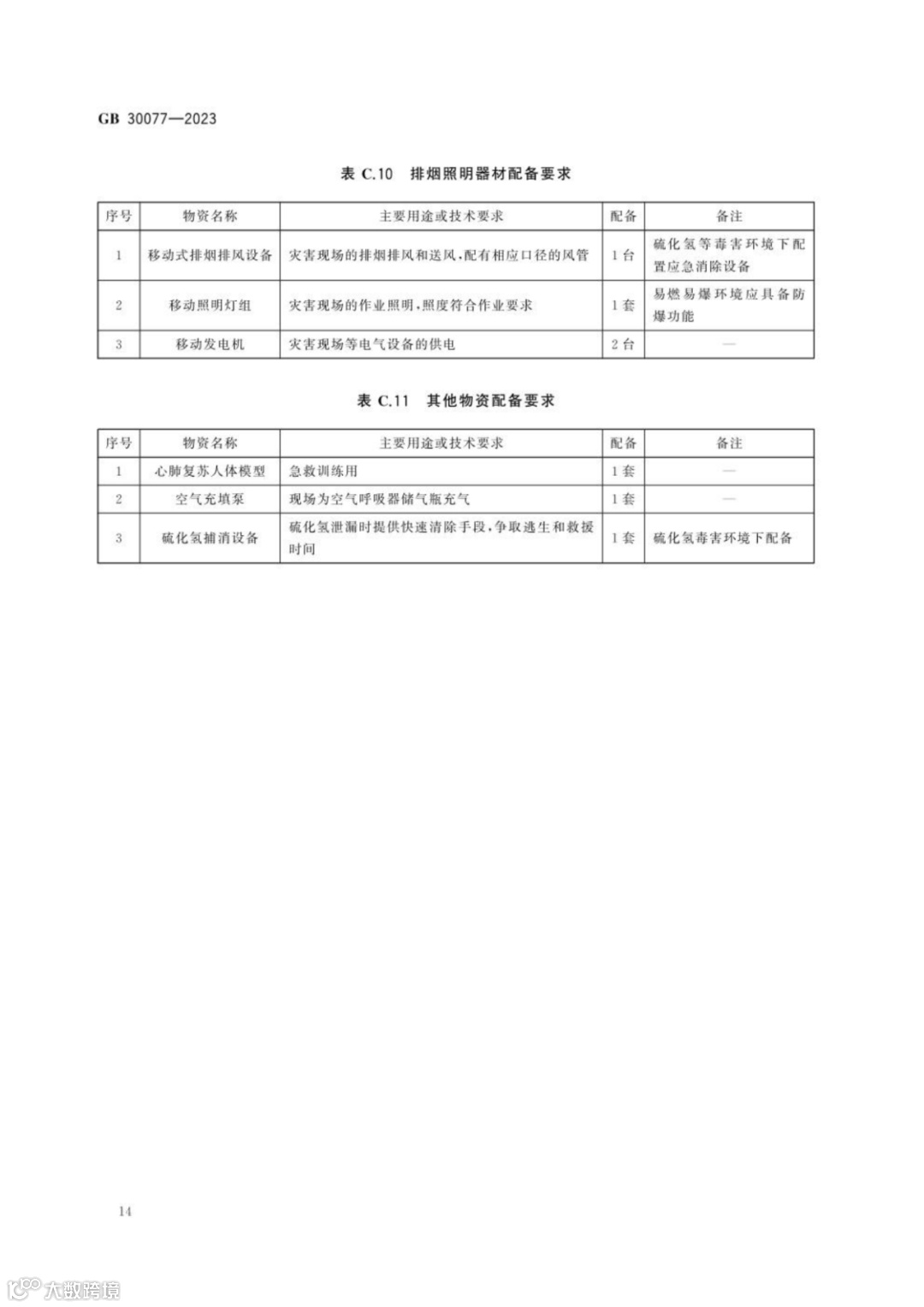
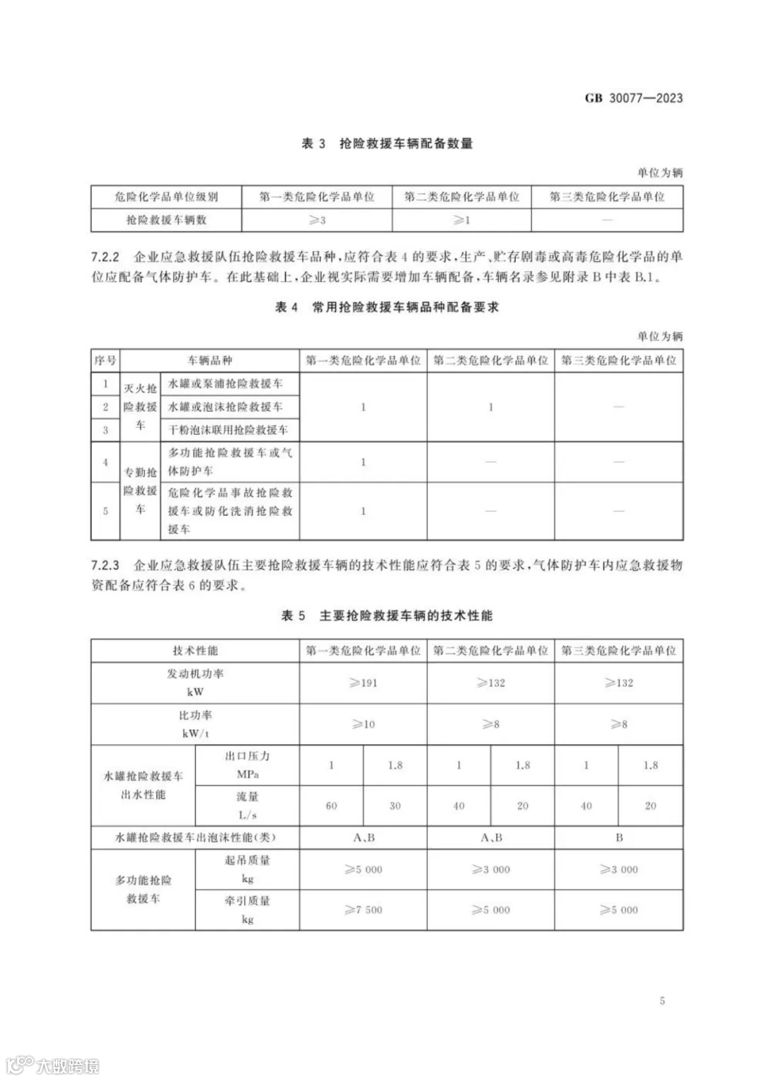
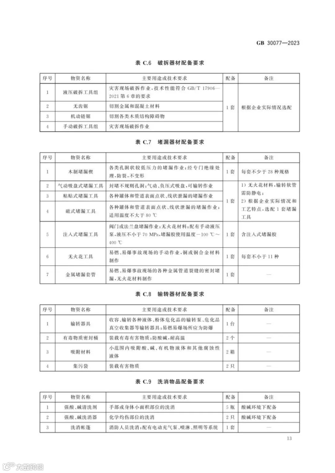
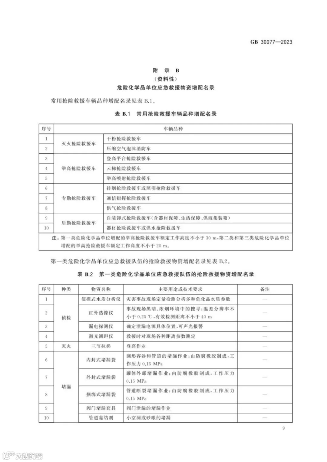
GB30077-2023 危险化学品单位应急救援物资配备要求标准全文

