搜索
首页
大数快讯
大数活动
服务超市
文章专题
出海平台
流量密码
出海蓝图
产业赛道
物流仓储
跨境支付
选品策略
实操手册
报告
跨企查
百科
导航
知识体系
工具箱
更多
找货源
跨境招聘
DeepSeek
首页
>
最新发布 | 危险废物储运单元编码要求,2020年12月正式实施
>
最新发布 | 危险废物储运单元编码要求,2020年12月正式实施
广州市危险货物运输行业协会
2020-07-06
2
导读:最新发布 | 危险废物储运单元编码要求,2020年12月正式实施
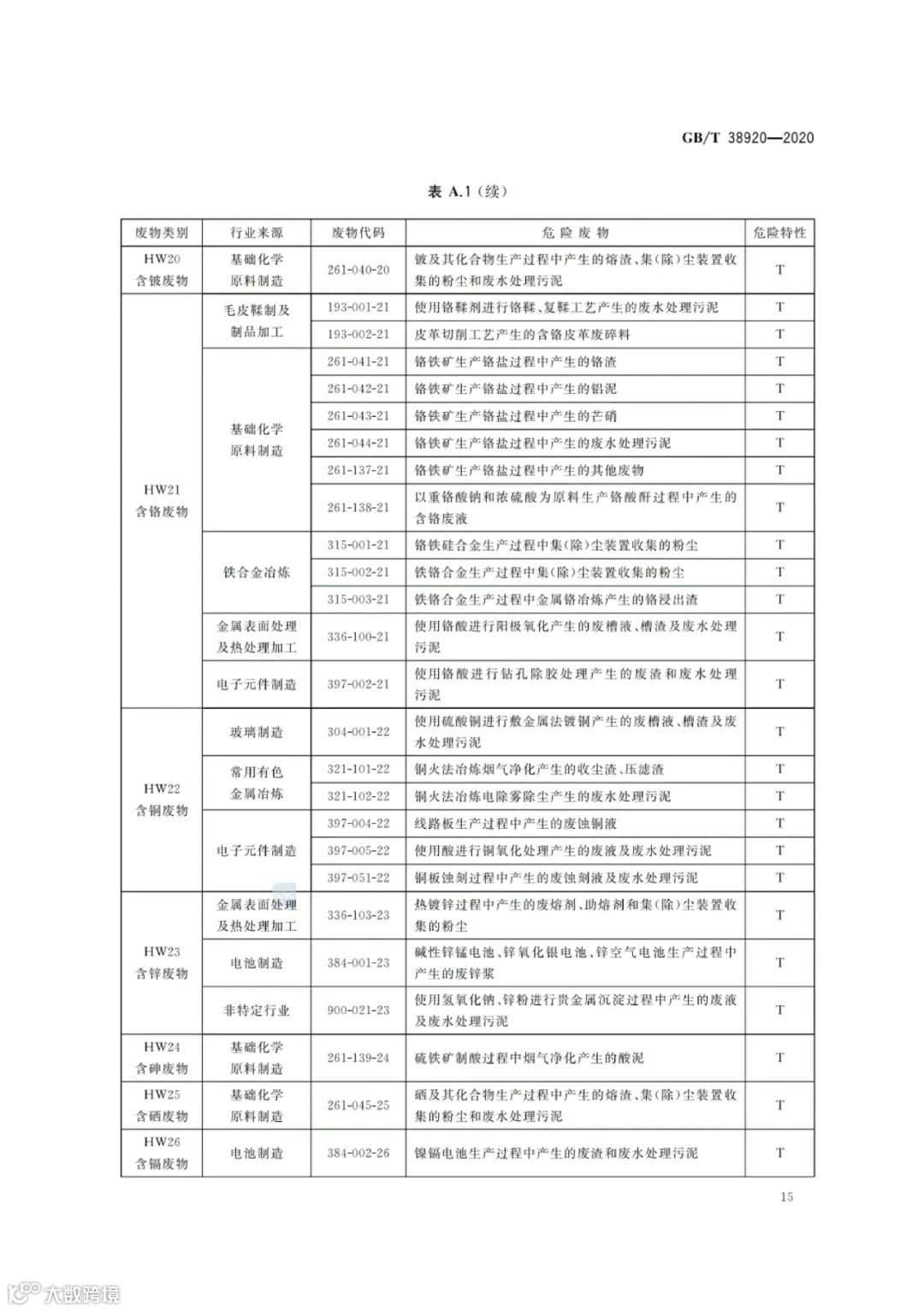
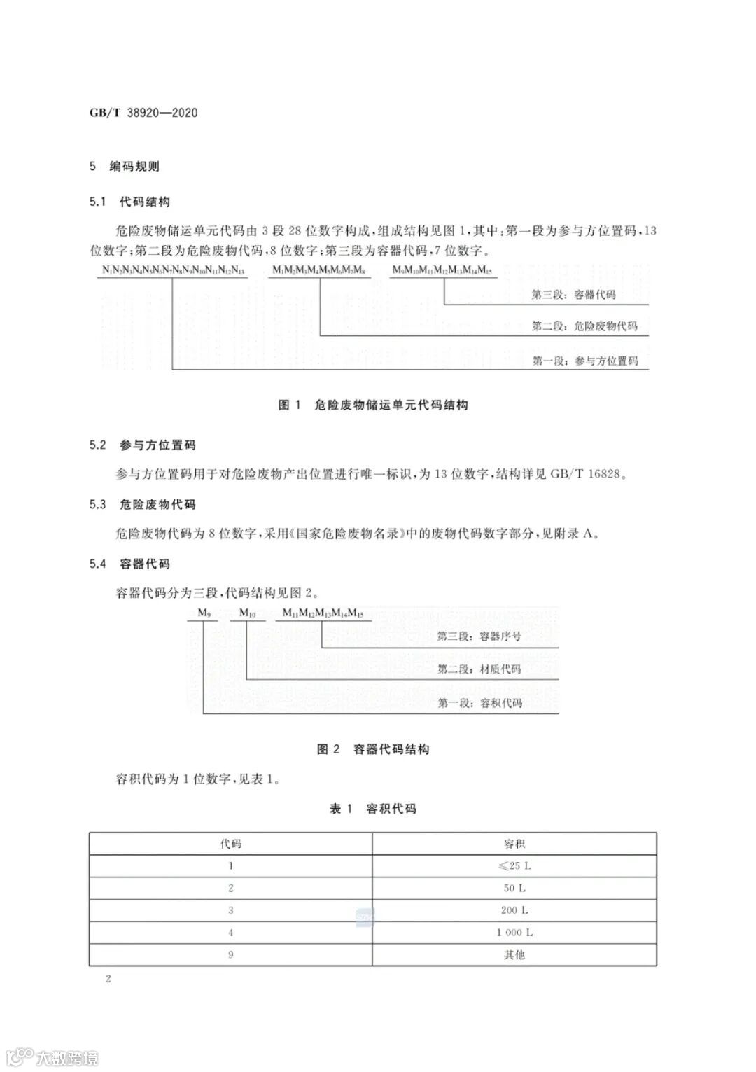
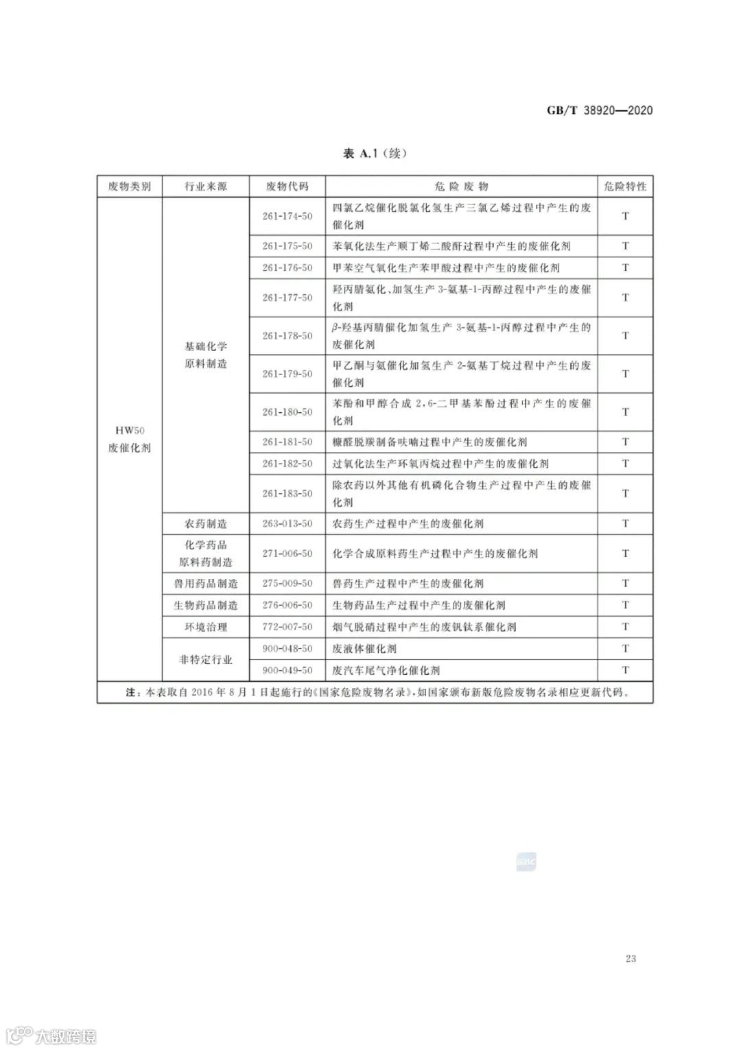
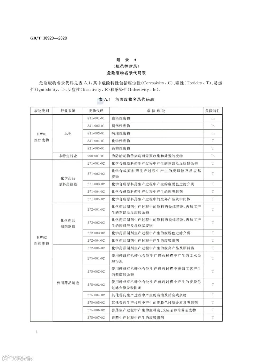
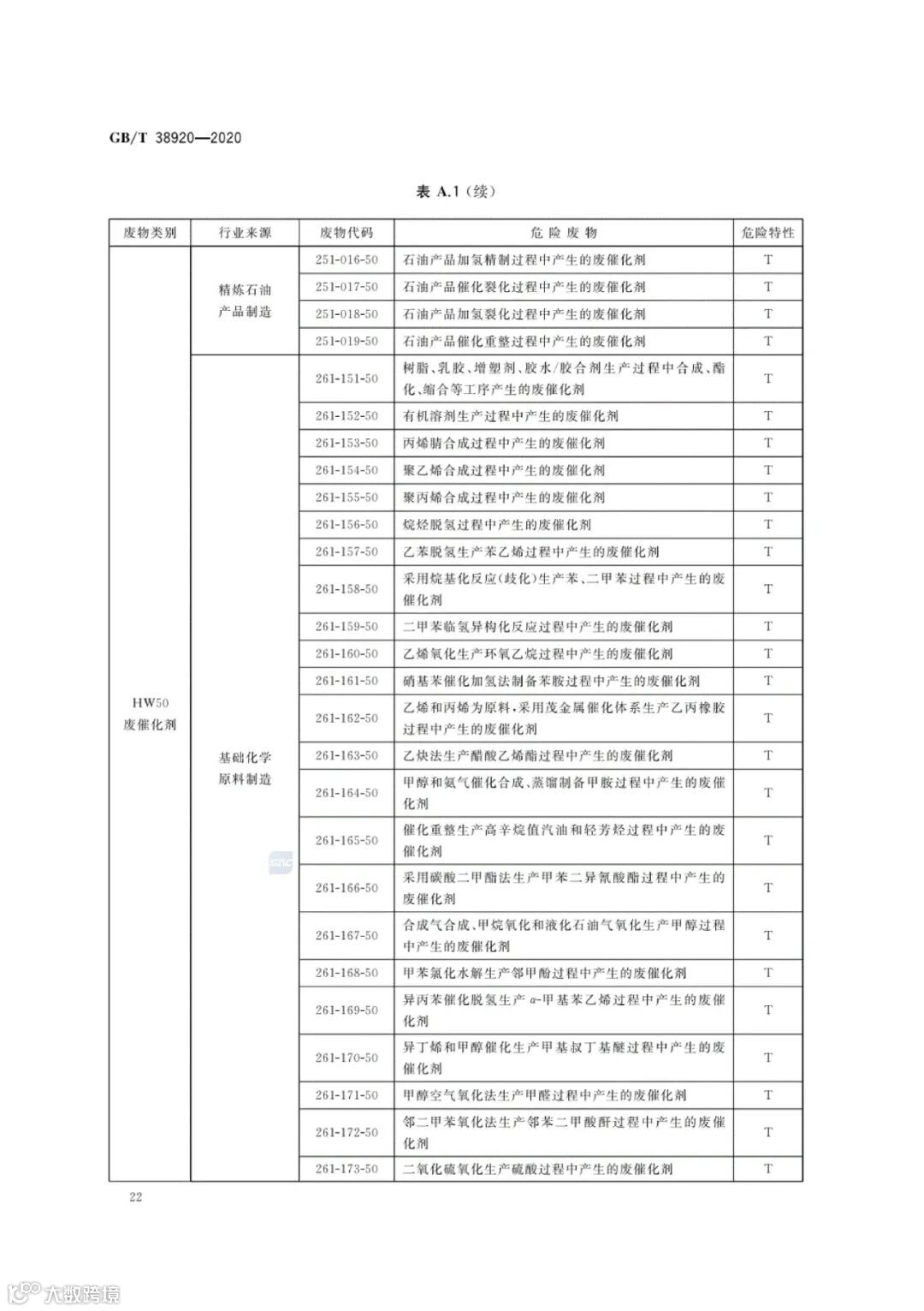
危险废物储运单元编码要求
【声明】内容源于网络
0
0
广州市危险货物运输行业协会
服务于危险货物物流相关企业,定期发布最新行业动态,法律法规、协会线上线下活动通知。
内容
0
粉丝
0
关注
在线咨询
广州市危险货物运输行业协会
服务于危险货物物流相关企业,定期发布最新行业动态,法律法规、协会线上线下活动通知。
总阅读
0
粉丝
0
内容
0