大数跨境

危险品运输行业新国标!10月1日起实施!

危险品运输行业新国标!10月1日起实施! 广州市危险货物运输行业协会
2025-10-08
2
导读:国家标准《危险货物分类和品名编号》(GB 6944-2012),将于2025年10月1日正式实施。

国家标准《危险货物分类和品名编号》(GB 6944-2012),将于2025年10月1日正式实施。

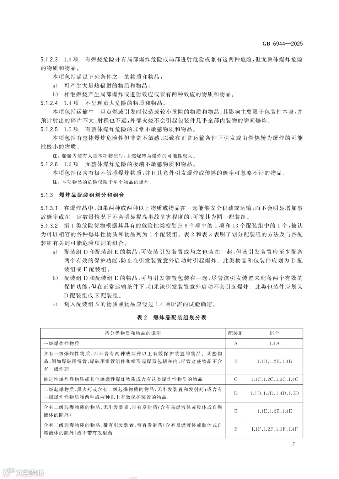
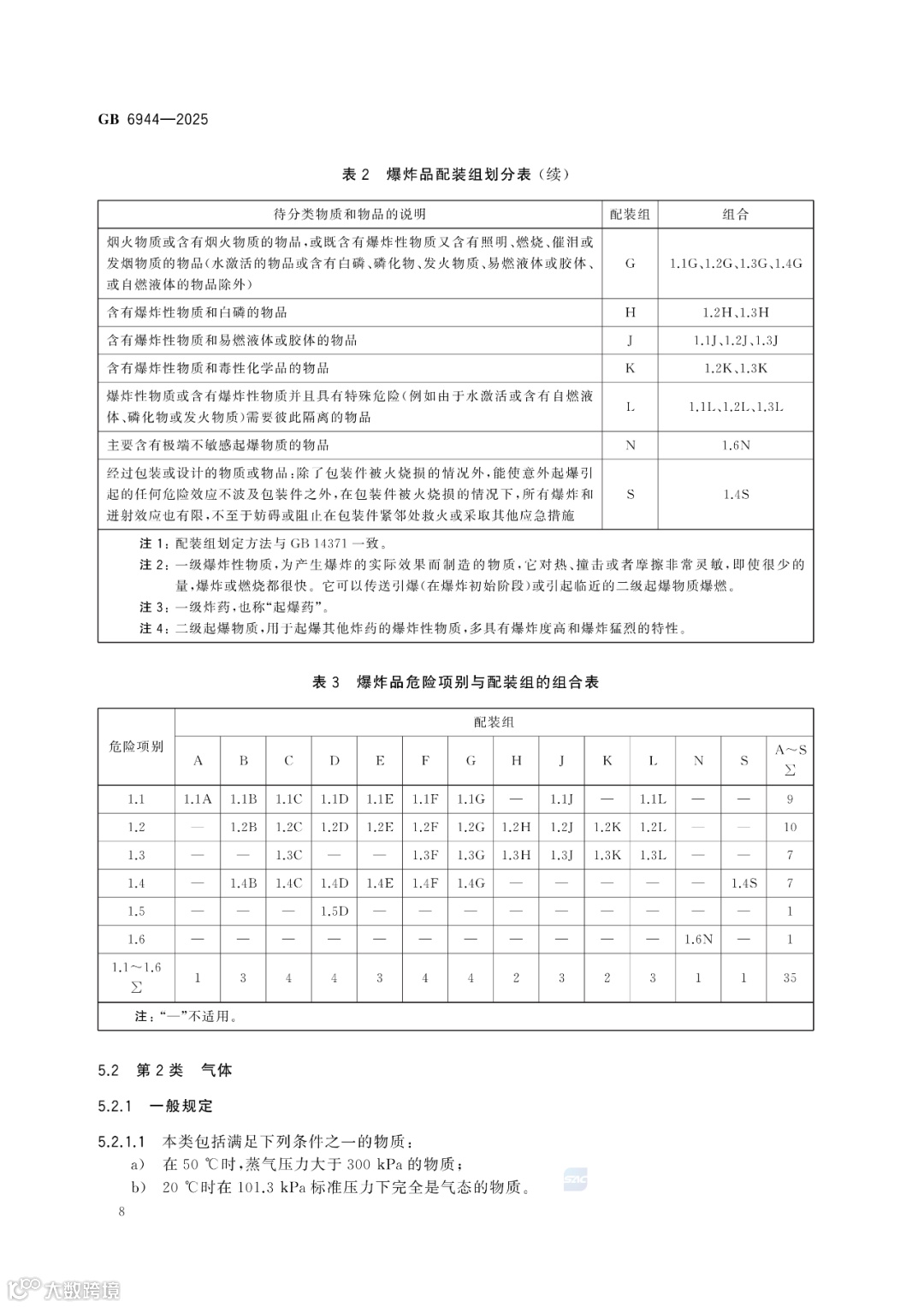
本标准规定了危险货物类别、项别和包装类别、危险货物分类、危险货物危险性的先后顺序、样品的运输分类原则以及危险货物编号和命名规则。适用于1-9类危险货物运输、储存、装卸、经销及相关活动

原文详情如下:


图片
图片
图片
图片
图片
图片
图片
图片
图片
图片
图片
图片
图片
图片
图片
图片
图片
图片
图片
图片
图片
图片
图片

【声明】内容源于网络
0
0
广州市危险货物运输行业协会
服务于危险货物物流相关企业,定期发布最新行业动态,法律法规、协会线上线下活动通知。
内容 1282
粉丝 0
广州市危险货物运输行业协会 服务于危险货物物流相关企业,定期发布最新行业动态,法律法规、协会线上线下活动通知。
总阅读890
粉丝0
内容1.3k