i阀哥
这次跟着我,带你们来到浙江的某电厂看看他们究竟出了什么现场的问题。
IMI
CCI为该电厂已经投入运行的2x1000MW机组提供了旁路阀系统。但问题在于,在运行过程中出现了油站就地蓄能器氮气压力低和充油阀切换报警的问题,而电厂无法热态排查处理。接到问题报告后,IMI CCI技术人员立刻启程奔赴浙江。技术人员在到达现场后,更改了油站控制PLC程序的参数和逻辑,接着又在停机检修时补充了氮气,问题得到顺利解决。
我们在处理此问题中发现,高旁阀油路控制系统中没有就地快动安全位的蓄能器,高旁阀快动功能的动力油完全由油站供油来实现,如果油站出现失压故障,高旁阀就将处于一个不稳定状态,这是一个极大的安全隐患。
那么IMI CCI的技术人员会如何处理后续存在的隐患呢?
i阀哥
系统安全分析
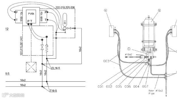
现场高旁阀为平衡式阀芯结构,油路图见下图所示,在全关位时基本依靠的是油动机的力来关紧阀门,快开和快关模块的动力油来自于油站输出,一旦出现油站故障导致的失压,快动模块将基本不起作用,油动机的比例阀模块会闭锁,但是闭锁阀门的时间由油路系统的泄漏量来决定,而且蒸汽在阀芯密封的上、下台阶处的作用面积不同,会造成在失压状态下的阀门被少量顶开,造成母管蒸汽泄压。
改造建议
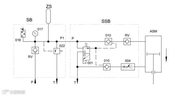
IMI CCI 建议增加一路20升就地蓄能器/SB控制块组件,用来作为高旁阀快动安全位的动力油。这样就实现了高旁阀的快开和快关功能,同时在油站出现失压故障的情况下,也能保证高旁阀处于全关或全开的安全位,让机组更加可靠稳定地运行。其油路图如下
工作原理
油站输出的工作油经逆止阀Rv进入就地蓄能器,平时会处于保压状态,压力约为15MPa,022为泄压阀,保护蓄能器不超压,当快关电磁阀动作,则蓄能器内的油顶开SSB模块内的两个010逆止阀,油路实现快关动作;反之就是快开,而快开和快关时间可以通过004的节流阀进行速度调整。
当油站压力出现失压波动,有就地蓄能器的快关保护动作,可以实现阀门始终处于全关位置可以达到8小时以上,由于就地蓄能器和油站属于2个相对的供油回路,所以任何一个回路的油压出现问题,都可以隔离处理。这样可以在热态在线处理油站出现的一些缺陷问题,比如补氮气、更换充油阀和主泵、调整减压阀和泄压阀等,都不会影响机组稳定的运行。

