自从2018年在浙江乌镇召开的世界互联网大会上,中科院计算所宣布成立「中国开放指令生态(RISC-V)联盟」(下简称“RISC-V中国联盟”)。时间也已经过去了2年多,期间我也多次撰文,指出RISC-V开源指令集将对于整个计算技术领域带来重大的改变,估计大家也对其发展无限美好期望。但,既然是技术创新,发展都必须有一个过程,不像商业模式创新可以快速试错然后迅速养肥。从指令集-->处理器微架构-->IP-->MPW-->SoC涉及到的技术体系的方方面面。一颗soc芯片里面不仅是一个cpu核,包括大量的ip,例如ddr controler、pci-e、APC、interface等,是一个复杂的系统(所以叫SoC System on Chip)。我一直对全志率先使用平头哥c906的RISC-V 64bit处理器拥有高度的期望,因为全志在SoC领域的经验,将能充分与RISC-V处理器技术结合起来。
终于,终于到了。(澎峰科技PerfXLab)RVBoards技术团队寄给我一块「哪吒开发板」。「哪吒开发板」采用全志D1芯片,1.1GHz主频,可以运行Linux(平头哥C906 RISC-V 64bit Process,RVV 0.7.1),我可以率先进行一些工作了。全志原厂提供的是他们的Tina操作系统,RVBoards团队提供Debian系统的镜像文件,这个是我希望的,但我更加期待RVBoards团队当初规划的为RISC-V SoC提供RISC-V Computing Library(RVCL),以及相关的AI计算框架。有国外开发者,已经进行了全志D1和StarFive星光板子的简单性能测试,这个待我验证完,我将披露给大家。不过,今天就是体验拆快递,上电启动的快感!!!
开箱,人生最快乐的就是开箱。上面废话太多了。
包装,简约,大气,环保。(为地球生态节能减排做贡献,绿水青山就是金山银山。呵呵,其实我对一个纸盒好与坏,并不是那么care。)

我对这个小纸盒感兴趣



漂亮,局部放大再来一张。难免等一下我拆了。

连上串口(对了,盒子里送了usb转串口的线,还配了一个usb hub,挺贴心。且我是用苹果电脑的,居然USB转串口不需要如何驱动直接就可以了。

插USB上电启动,看着命令行哗啦哗啦,终于等到$符号出来了。
来几个命令测试一下vmstat, uname, ps -a,如行云流水。

当我准备敲“startx”时,发现没有hdmi线。走~~
去办公室,我已经等不及了。启动debian,支持鼠标,键盘。good!

顺便把压克力壳子拆了,来张D1的裸照吧。

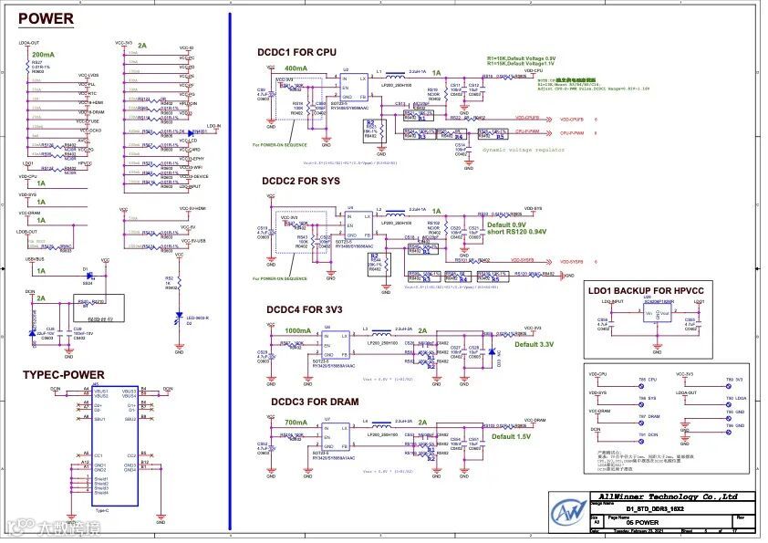
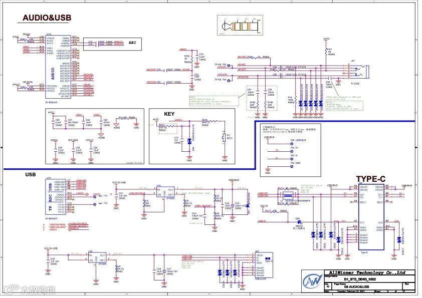
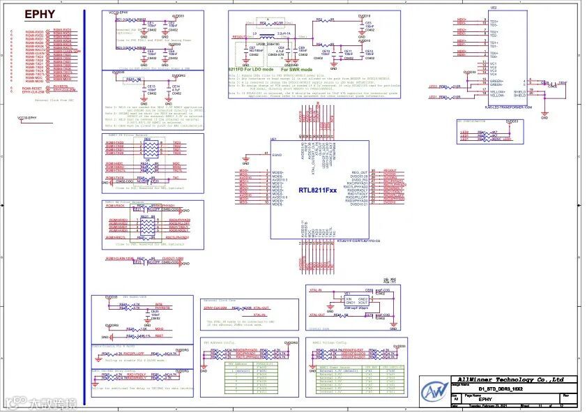
我拿到了RVBoards-哪吒开发板的原理图,也分享给大家。我觉得这也许可以表明了全志与澎峰科技坚持走开放和开源的路线,符合RISC-V的开源精神。期待!









今天先分享到这里,更多精彩请关注我哈。应RVBoards开源团队要求,放张产品海报。



