提示:点击上方"三晶电气"↑查阅更多资讯
变频供水设备通过压力传感器检测出水口的压力,实现管道的目标压力保持恒定。若采用变频器与工频切换技术拖动水泵运行,不但能够满足用水量在高峰或低谷时的恒压供水要求,而且可以在变频器报故障时及时的切换到工频运行,以保证持续不间断供水,增加系统的稳定性。
某小区根据实际用水需求,系统由一台0.75KW 8100变频器、一个工变频控制箱、一台0.75KW卧式多级泵和一个8L的压力罐、一个远传压力表组成一个工频-变频的恒压供水系统。当变频系统出现故障时,可以及时切换到工频继续供水作业。

变频器参数 |
修改内容 |
参数说明 |
备注 |
F0.00 |
2.5 |
压力设定 |
设定压力2.5Bar |
F0.01 |
1.0 |
启动压力偏差 |
唤醒压力=F0.00-F0.01 |
F0.05 |
0 |
启动方式 |
键盘启停 |
F0.06 |
1 |
上电自启动 |
上电自动运行 |
F0.07 |
3 |
上电启动延时 |
上电后启动延时3秒 |
F0.08 |
10 |
传感器量程 |
根据实际情况设定传感器量程 |
F0.09 |
0 |
传感器类型 |
设定传感器反馈为电压信号 |
F7.07 |
1 |
继电器输出功能 |
电机正传运行 |


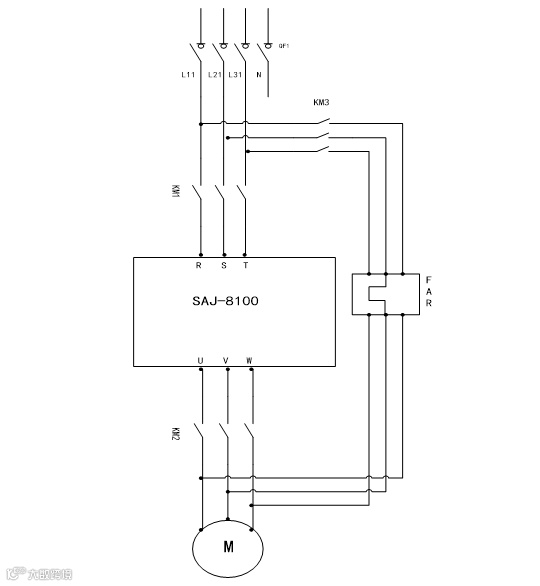
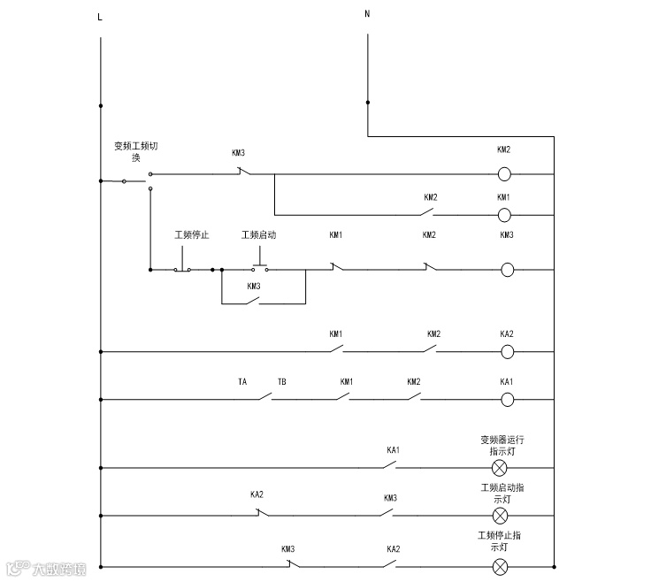
当把转换开关打到变频处时,控制回路中交流接触器线圈KM1和KM2得电,主回路中交流接触器常开触点KM1跟KM2闭合,变频启动。
当把转换开关打到工频时,按下工频启动按钮,控制回路交流接触器线圈KM3得电,KM1跟KM2失电,主回路交流接触器常开触点KM1跟KM2断开,KM3闭合,工频启动。
1、 系统采用了8100水泵变频器,经电气设计可以实现变频和工频的切换。在变频器发生故障时,水泵可以切换到工频运行,增加了系统运行的稳定性。
2、8100水泵变频器内置PID算法,可以使得水压稳定。设置较大启动压力偏差,在用水量较少时,可以减少启动次数,让水泵能处于长时间休眠状态。

三 晶 电 气
诚信学习|创新共赢



