提示:点击上方"三晶电气"↑查阅更多资讯
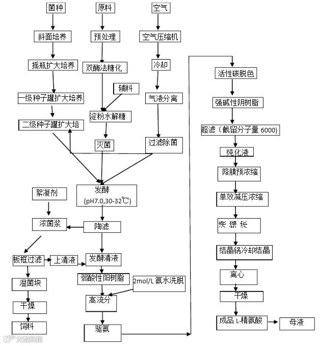
生产头孢菌素类产品的企业,所用的助溶剂无菌原料药——精氨酸、无水碳酸钠等主要辅料,都必须依靠进口,价格的昂贵和出现质量问题后的退换货,是他们急需解决的。


1、发酵控制
L-精氨酸的发酵条件的控制包括温度、pH、菌龄及接种量、通风及搅拌、氧的传递、泡沫等。用发酵条件来控制发酵过程中各种生化反应的方向和速度,以达到高产的目的。由于L-精氨酸发酵过程有中间补料操作,对混合要求较高
2、控制要求
厂内出口制剂加工车间按新版欧洲GMP标准执行, L-精氨酸发酵过程有中间补料操作,对混合要求较高,发酵周期为80小时,生产周期为96小时,即四天连续不间断运行。

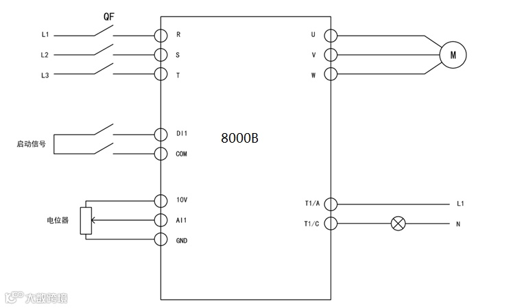
参数 |
参数说明 |
设定值 |
备注 |
F0.01 |
命令源选择 |
1 |
外部按钮启动 |
F0.03 |
频率源选择 |
2 |
外接电位器调速 |
F4.01 |
转矩提升 |
00.0 |
自动转矩提升 |
F5.00 |
DI1功能选择 |
1 |
正转运行 |
F6.02 |
继电器1输出选择 |
3 |
故障输出 |
FA.06 |
自动限流水平 |
180 |
|
FA.08 |
限流动作选择 |
0 |
自动限流 |
1、系统采用了8000B高性能变频器,可以快速稳定的的对设备进行启动停止,具有启动转矩大,对电网冲击小等特点,特别是对长时间运行有可靠的保障性。
2、全方位的保护功能:8000B变频器本身具有过载、过流、过压、缺相等保护,使得系统的安全性大大提高。
三 晶 电 气
诚信学习|创新共赢



