提示:点击上方"三晶电气"↑查阅更多资讯
门式起重机是桥式起重机的一种变形,又叫龙门吊。主要用于室外的货场、料场货、散货的装卸作业。门式起重机具有场地利用率高、作业范围大、适应面广、通用性强等特点,在港口货场得到广泛使用。门式起重机是桥架通过两侧支腿支撑在地面轨道上的桥架型起重机。在结构上由门架、大车运行机构、起重小车和电气部分等组成。

系统控制要求
◀ 安全可靠:龙门吊主要任务是起吊重物,因此这部分的主电路和控制电路不仅要满足不同负载起重要求,还需较高的安全系数。在制动时,采用电气制动和机械抱闸制动相结合的方式。
◀ 同步运行:小车与大车实现同步运行,采用VM1000变频器一拖多的方式来驱动变频电机,使两台电动机达到同步运行,加减速平稳无冲击。
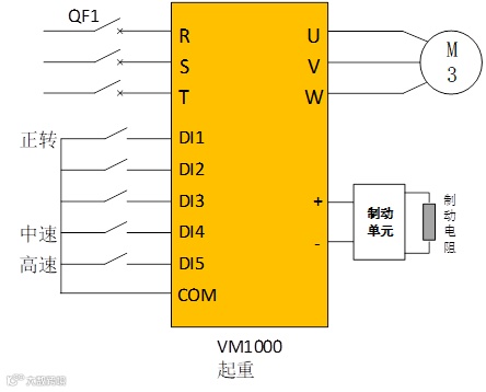
◀ 变速平稳:起吊重物需实现三档速度:慢速、中速与快速。起重电机要求加减速平稳,无溜钩无抖动现象,重物达到预定位置时能够平稳放下。

控制电路图

大小车控制电气图

起重控制电气图
系统特点
◀ VM1000变频器采用了无速度传感器矢量控制,动态性能好,低频时转矩大,输出力矩稳定。
◀ 起重机构加装制动单元及制动电阻,在加减速时间较短情况下,也能够平稳运行。
◀ 大小车机构通过模拟量信号的转换,实现了同步运行。
三 晶 电 气
诚信学习|创新共赢



