点击右上方『…』关注『华学知识产权』公众号
近几年,随电池容量的增大,高功率快充成了一个必不可少的卖点。但是,功率高也存在明显的缺点,那就是充电头的大小过大。受限于元器件的功率密度,普通的快充头都硕大无比,而且随着快充功率的增大,快充头也就更大,这是业界存在的痛点。
1
氮化镓充电器
传统充电器因为受限于材料的功率特性,单位体积的元器件功率转换是存在天花板的。有些厂商在小功率器件上“堆”功率,导致散热失控,存在很大安全隐患。业界都在寻找高功率且转换效率高的材料。转换效率高意味着电能损耗越低,改善发热,才能把充电头做的更小更便捷。在快充发展到今天的这个节点,氮化镓材料很可能是解决这个问题的临门一脚。
氮化镓(GaN)是一种新型半导体材料,由于氮化镓优良特性,提高便携性,电能转化效率,使得运用氮化镓元器件的充电器表现为效率高、发热低、功率大但体积小等特点。
下面介绍一下氮化镓充电器的相关专利。
2
相关专利
1、用于GaN基启动电路的系统和方法
申请日:20190802
公开号:CN110798059A
权利人:英飞凌科技奥地利有限公司
技术方案:本发明涉及用于GaN基启动电路的系统和方法,包括:第一氮化镓(GaN)晶体管,其包括耦合到漏极节点的漏极、耦合到源极节点的源极以及耦合到栅极节点的栅极;以及第二GaN晶体管,其包括耦合到漏极节点的漏极、耦合到第一电源节点的源极,第一电源节点被配置成耦合到第一电容器。

图1 用于GaN基启动电路的系统和方法
2、用于开关氮化镓(GaN)器件的驱动器
申请日:20190731
公开号:CN110798053A
权利人:英飞凌科技股份有限公司
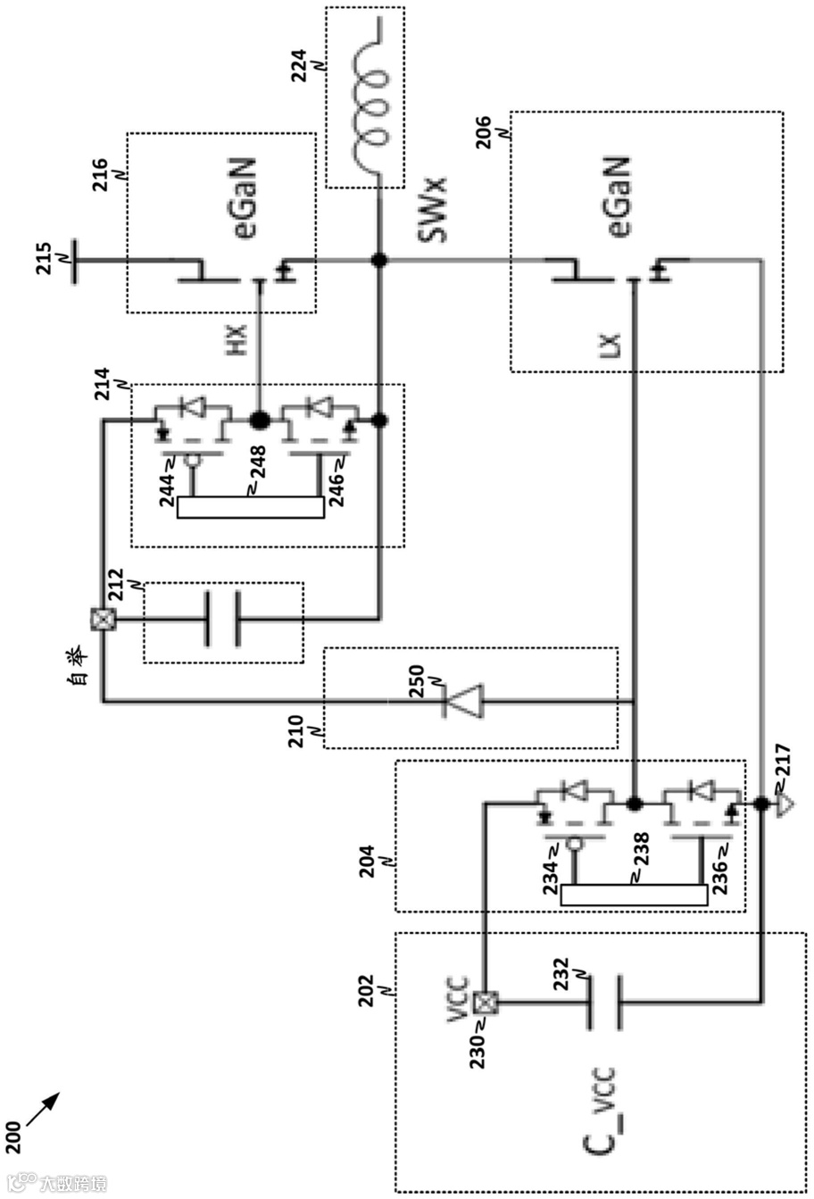
技术方案:本发明公开的实施例提供了用于开关氮化镓(GaN)器件的驱动器,包括高侧驱动器、低侧驱动器、以及高侧充电电路。高侧驱动器适于使用高侧电源来控制高侧GaN器件。低侧驱动器适于使用低侧电源来控制低侧GaN器件。高侧充电电路适于当低侧驱动器激活低侧GaN器件时,利用低侧电源来对高侧电源充电。

图2 用于开关氮化镓(GaN)器件的驱动器
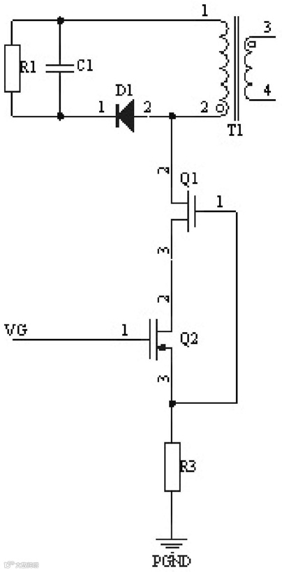
3、一种高效率紧凑型快充电源
申请日:20200715
公开号:CN111786564A
权利人:江苏能华微电子科技发展有限公司
技术方案:本发明公开了一种高效率紧凑型快充电源,包括反激式开关电路及驱动保护电路,其中,所述反激式开关电路包括反激变压器、功率开关及用于抑制电压过冲和振荡的吸收电路,所述功率开关包括氮化镓开关器件;所述驱动保护电路包括稳压源及用于连接所述稳压源与所述功率开关的二极管。本发明使用D型或E型氮化镓器件作为反激电路中的功率开关器件的同时,改进反激电路中的驱动保护电路来控制功率开关的关断偏置电压,既降低了开关损耗,又提高了电路稳定性。

图3 一种高效率紧凑型快充电源
3
总结
氮化镓(GaN)有着出色的击穿能力,更高的电子密度和电子迁移率,还有更高的工作温度,能够实现低损耗和高开关频率。其中,低损耗可降低导阻带来的发热,高开关频率可减小变压器和电容的体积,这两真均可有助于减小充电器的体积和重量。
撰写 | 张梓键 审校 | 梁婉玲
声明:因编撰水平有限,难免有错漏不当之处,仅供参考
『华学®知识产权』微信公众号是由广州市华学知识产权代理有限公司(www.chinahuaxue.com)主办的资讯与服务平台,致力于为社会大众提供更多专业知识产权信息与咨询服务。


