点击上方『华学知识产权』关注我们吧
2022年4月15日,第二十三届中国专利奖评审结果公示。获得中国专利奖的专利,在专利质量、技术先进性/设计要点及理念的表达、运用及保护措施和成效、社会效益及发展前景等四大指标均具有极其亮眼的表现。下面,我们来看看历届专利奖获奖名单中,哪些家电领域的专利获此荣誉。
炎炎夏日,煮太多饭菜吃不完怎么办?过节又囤了好多生鲜肉菜怎么办?想随时随地来一口“冰阔落、冰激凌”怎么办?不论保鲜还是冷冻,冰箱帮你一键搞定。
以下这几件专利可谓是冰箱领域的佼佼者。
表1历年获得中国专利奖的冰箱专利情况
| 序号 | 专利号 | 专利名称 | 申请日 | 当前权利人 | 获奖届次 |
| 1 | ZL201710433854.2 | 防止食物冻结的控制方法、控制装置和冰箱 | 2017.06.09 | 合肥华凌股份有限公司; 合肥美的电冰箱有限公司; 美的集团股份有限公司; 合肥美的生物医疗有限公司 |
第22届中国专利奖优秀奖 |
| 2 | ZL201410267647.0 | 一种具有瞬冷冻功能的冰箱及控制方法 | 2014.06.16 | 合肥晶弘电器有限公司; 珠海格力电器股份有限公司 |
第22届中国专利奖优秀奖 |
| 3 | ZL201410134759.9 | 具有食品管理系统的冰箱及食品管理方法 | 2014.04.03 | 合肥美的智能科技有限公司 | 第21届中国专利奖优秀奖 |
| 4 | ZL201410034496.4 | 离子保鲜冰箱 | 2014.01.24 | 海信容声(广东)冰箱有限公司 | 第21届中国专利奖优秀奖 |
| 5 | ZL201510264463.3 | 冰箱 | 2015.05.21 | 青岛海尔股份有限公司 | 第20届中国专利奖优秀奖 |
| 6 | ZL201310607405.7 | 一种具有三循环制冷系统的风冷电冰箱及其制冷方法 | 2013.11.25 | 长虹美菱股份有限公司 | 第20届中国专利奖优秀奖 |
下面以附图形式简要列举获奖专利的设计或技术要点
申请日:2017.06.09
利权人:合肥华凌股份有限公司;合肥美的电冰箱有限公司;美的集团股份有限公司;合肥美的生物医疗有限公司
获奖等级: 第22届中国专利奖优秀奖
技术要点:通过本发明的技术方案,实现了在保证保鲜效果的同时避免了食物的冻结,更利于食物的存储,有效提升用户体验。


申请日:2014.06.16
利权人:合肥晶弘电器有限公司;珠海格力电器股份有限公司获奖等级: 第22届中国专利奖金奖
设计要点:具有瞬冷冻功能的冰箱,涉及制冷设备技术领域,为解决现有具有瞬冷冻功能的冰箱成本高、瞬冷冻效果差等问题而设计。


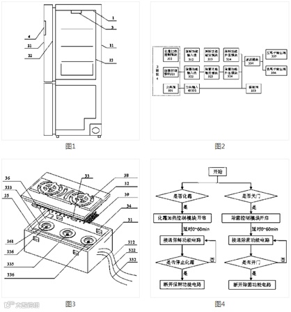
申请日:2014.04.03
利权人:合肥美的智能科技有限公司
获奖等级: 第21届中国专利奖优秀奖
设计要点:本发明的冰箱能够对食品进行自动化管理,操作便利、工作可靠且具有相当的实用性。


申请日:2014.01.24
利权人:海信容声(广东)冰箱有限公司
获奖等级: 第21届中国专利奖优秀奖
设计要点:本发明的冰箱,可以精确地确定出冰箱内热源的位置和温度,便于根据热源的情况进行制冷控制,为冰箱内的食物提供最佳的储存环境,减少食物的营养流失,并且能够减小冰箱的耗电,节约能源。




申请日:2015.05.21
利权人:青岛海尔股份有限公司
获奖等级: 第20届中国专利奖优秀奖
设计要点:本发明通过各间室风扇的开停控制,实现冰箱各间室的独立控温,温度控制准确,间室湿度高,降温速度快且制冷系统效率更高降低能耗。

申请日:2013.11.25
利权人:长虹美菱股份有限公司
获奖等级: 第20届中国专利奖优秀奖
设计要点:本发明采用保鲜功能电路与除菌功能电路相结合的方式,兼具保鲜与除菌双重功能,提高冰箱内食品的存储质量、延长食品存储期。

『华学®知识产权』微信公众号是由广州市华学知识产权代理有限公司(www.chinahuaxue.com)主办的资讯与服务平台,致力于为社会大众提供更多专业知识产权信息与咨询服务。


