图文详解气动调节阀工作原理及选型


没有关注化工707的朋友请按上方提示关注,和小编每天学点化工专业知识!如果你喜欢我们的内容请分享朋友圈,让更多的朋友加入到化工707的每日学习中来!!
【提示】技术类文章PDF和PPT版本均在化工707论坛持续更新,请有需要的7友们去往论坛下载!
先请大家欣赏一组图片,下面这个是部分气动调节阀的型号

工作原理图

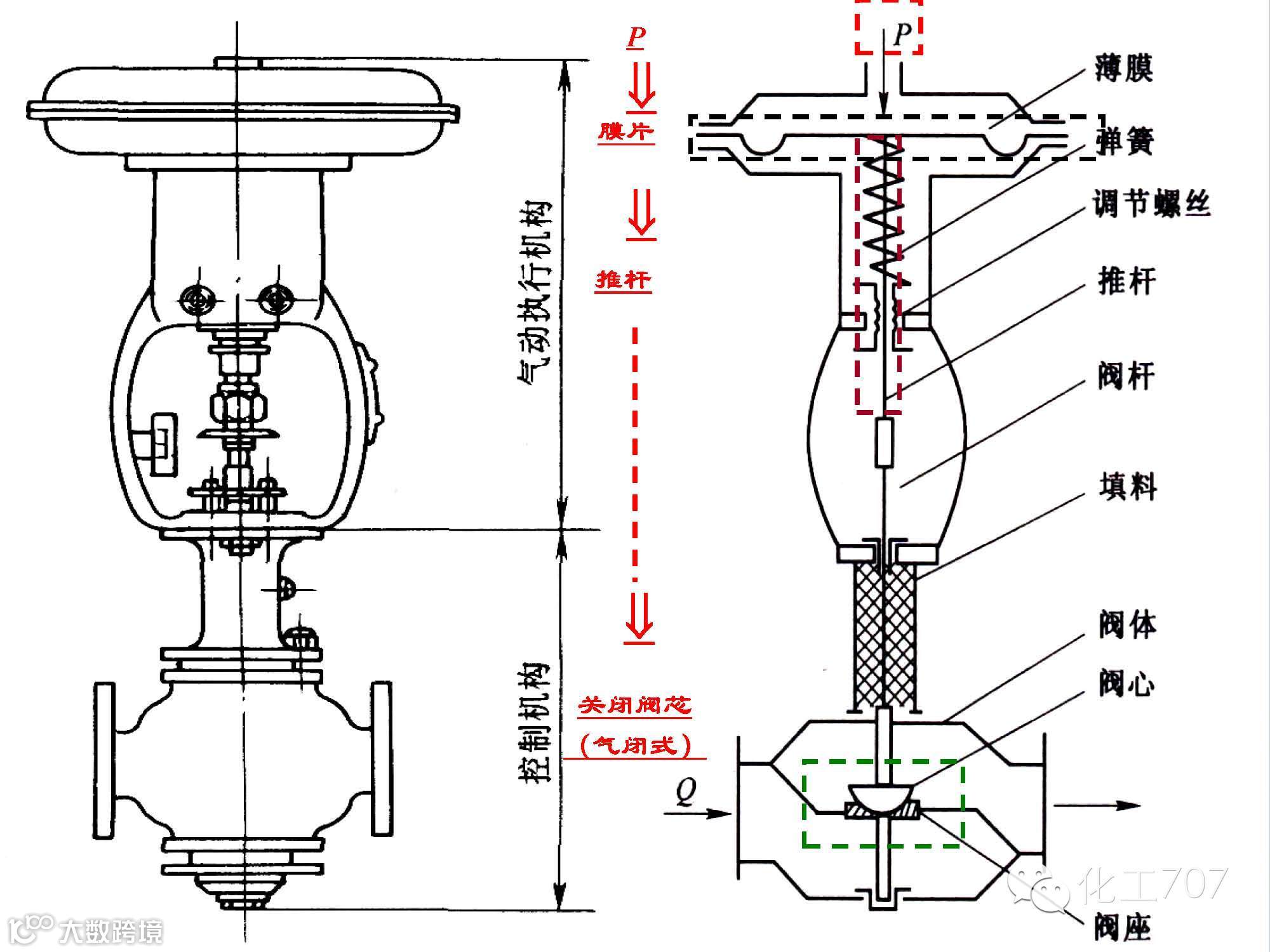
结构图



气动调节阀应用现场

从这里开始做技术讲解,各位七友如果有技术相关问题,请到化工707论坛发帖求助,百万七友和你一起解决你的技术问题。

















































课间休息十分钟:更多技术问题请到化工707论坛与120万七友交流!





























































































