
一、 CFB锅炉的基本组成

二、 CFB锅炉原理简述
当气体或液体以一定的速度向上流过固体颗粒层时,固体颗粒层呈现出类似液体状态的现象,称为流态化现象。
流化速度:一般是指假设床内没有床料时空气通过炉膛的速度。U0表示,单位m/s。
临界流速是床料开始流化时的一次风速,此时一次风量为临界流量。

循环流化床锅炉采用流态化的燃烧方式,即半悬浮燃烧方式。

利用石灰石炉内燃烧中脱硫;给煤中的硫在炉膛内反应生成SO2及一些硫化物;同时一定粒度的石灰石被给入炉膛,这些石灰石被迅速加热煅烧反应,产生多孔疏松的CaO,CaO 吸收SO2 并生成CaSO4,生成的CaSO4 逐渐地把孔隙堵塞,并不断地覆盖在新鲜的CaO 表面。达到脱硫的目的。
1、颗粒对流换热
2、气体对流换热
3、辐射传热
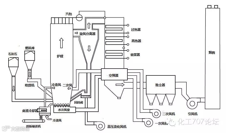
三、 CFB锅炉的结构分析

循环流化床锅炉包括锅炉本体和锅炉辅助设备两部分
汽水系统:
它的任务是吸收燃料燃烧放出的热量,使水蒸发并最后成为规定压力和温度的过热蒸汽。
主要由汽包、水冷壁、过热器、再热器、省煤器、联箱等组成。
2、燃烧系统:
任务是使燃料在炉内进行良好的燃烧,放出热量。
主要由燃烧器、分离器、回料系统、布风装置主要装置组成。
1、)分离器、回料系统由高温旋风分离器、回料阀以及连接两者的立管(也叫料腿)组成。
旋风分离器是利用旋转的含尘气体所产生的离心力,将颗粒从气流中分离出的一种干式气—固分离装置。烟气携带固体颗粒切向进入圆筒形旋风分离器,并在分离器内形成向下的漩涡流动。
在离心力作用,烟气中的固体颗粒被抛向分离器筒壁,并沿壁面下滑进入连接分离器的立管中。通过回料阀进入炉膛。烟气进去烟道。
2、回料阀位于高温气固分离器的下方作用有二:
一、将旋风分离器分离下来的灰连续不断的送回炉膛进行循环燃烧实现返料平衡;
二、在立管中建立一定的物料高度,形成炉膛与分离器的密封,防止烟气短路。
3、布风装置:由风室,花板,风帽和隔热层组成.
四、辅助系统有:
煤及石灰石系统、送风/排烟系统、给水系统、灰渣处理系统、锅炉控制系统、点火系统等以及一些锅炉附件
End
别忘记分享朋友圈哦!
如果您有技术性产品或资料可供大家学习参考,请联系小编共享资源!谢谢!
微信号:huifenghua059
电 话:028-85059086
邮 箱:hfhseal@163.com
服务电话:13618059880
QQ:2896583258











