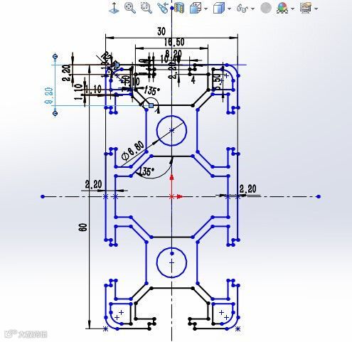
我们知道很多标准件他的型号大小都是按照比例大小进行规定的,当我们画好一个零件的草图,如何将他按比例缩小或者放大呢?比如下图中所画的这款铝型材3060(指宽30长60)侧视图。

如果我们想把它按比例变成4080的铝型材,然后就用了这么一个工具,首先我们需要把辅助线全部删除(为何要删辅助线,因为不删辅助线我们接下来的操作将会无法进行)。

然后,点“工具-草图工具-修改”命令,会弹出以下的对话框:

因为现在是3060,我们要变成4080的,那么缩放因子应该填写4/3或者1.3333333,比例按默认的相对于草图原点即可。

然后按空格键,就完成修改了。如下图,我们所有的尺寸都是前面尺寸的4/3倍:

注意我们的缩放比例是“相对于草图原点”而言的,也就是说任意一点相对草图的距离扩大了4/3倍从而重新形成的新图形。

广州意普信息科技有限公司是华南地区一家专业的3D设计软件销售与信息化建设咨询服务供应商,由行业资深技术专家组成的咨询服务型公司,帮助企业专业推行正版化的高新技术企业,位于中国华南制造业中心---广州。经过十多年的发展与技术沉淀,意普EP成为达索SolidWorks公司增值服务商,致力为企业打造更高效的产品研发和管理体系。意普EP为企业提供:CAD/CAM/CAE/PDM完整的一体化解决方案、项目实施服务、技术咨询服务。

