
一、案例背景

盾构机及主轴承

三、密封状态评估
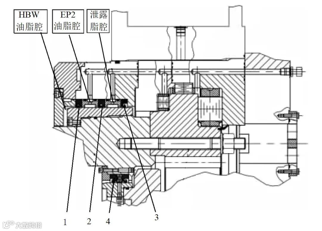
图中所示为其刀盘驱动系统的密封结构。该盾构机由内外两层密封结构组成,其中外密封由三道唇形密封组成,第一道唇形密封与密封压紧环之间形成的油脂腔采用黏度较大的HBW 进行密封和润滑,将土舱内泥水与主驱动内部密封腔隔离;第二道密封与第一道密封之间的油脂腔采用黏度相对较小的EP2 油脂进行润滑;在第三道密封与第二道密封之间的油脂腔为润滑油腔,外接一个防泄漏油箱,用来收集泄漏油脂并检测密封的磨损情况。内密封采用双唇形密封,将主轴承与隧道内的空气隔离,双唇之间采用手动方式供给EP2油脂,润滑唇口,降低摩擦。

基于该盾构机主轴承的密封结构,结合检测数据分析判断可知:
(1)盾构机主轴承齿轮油受到EP2密封脂的污染,EP2有两个来源,一是内密封填充脂,二是第二道外密封填充脂。如果是后者,说明第二、三道外密封以及内密封都存在损伤,这可以通过检查泄露腔中的泄露油脂来确认。从检测数据上看,EP2润滑脂含量不多,密封件的损伤程度较轻。
(2)主轴承齿轮油未受到HBW密封脂的污染,表明第一道外密封密完好,未出现损坏情况。
现场工程师依据检测报告,对泄露油箱进行了检查,未发现异常,说明盾构机的外密封良好,作业过程中泥浆水与渣土依然可以被有效地隔离在润滑系统外。润滑油中的EP2润滑脂来源于内密封填充脂,其含量较少,说明内密封存在轻微磨损。
因盾构施工是地下作业,现场维修或更换密封系统非常困难,现场综合考虑后,未更换内密封,但对润滑系统进行了换油处理。此外现场制定了完善的主驱动密封状态监测方案,对油脂注入量、油温、泄漏进行实时监测,同时定期进行油样分析,对轴承及密封件的磨损状态进行严密监控,并适时换油。在这种保守的维护方式下,该盾构机又继续运行了三个月,至今运行状态依然正常,不仅有效的降低了维护费用,更重要的是保障了施工工期,使得施工过程得以顺利进行。



(扫码关注,带你了解国机)


“广研检测”是中国机械工业集团有限公司(国机集团)下属单位,是国机智能/广州机械院“设备润滑与检测研究所”的简称,拥有“工业摩擦润滑技术国家地方联合工程研究中心”、“广东省工业摩擦学企业重点实验室”、“机械工业装备润滑智能检测重点实验室”等技术创新平台。
“广研检测”是目前国内专门从事“重大装备润滑安全监控、远程智能运维、润滑可靠性管理”综合实力最强的第三方技术服务机构。
************************************
■ 关注微信公众号:gti1959,获取更多机构动态

