基于超低电容、大通流静电保护要求,我们推出如下静电保护器件,专用于保护电子设备免受静电损坏。
实现UDD系列超低电容大通流单路,双向保护硅材料TVS Array保护器件!


● SOD323封装,尺寸大小2.50mm*1.25mm*1.0mm.
● 最大工作电压为3V且浪涌电流高达11A,能有效保护热插拔引起的浪涌及免受静电损坏.
● 漏电流低至100nA(MAX), 电容值低至1.5PF(TYP).
● IEC61000-4-5(Lightning)11A(8/20μs).
● IEC61000-4-2 ESD:Contact Discharge(30KV),Air Discharge(30KV)
● IEC61000-4-4(EFT)40A(5/50ns).
可应用于:
● USB接口保护
● 以太网口保护
● STB信号口

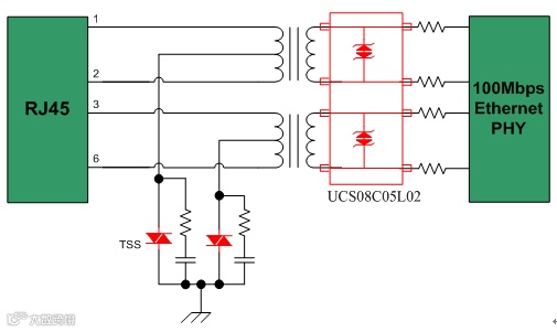
100M网口应用方案

超低电容、大通流、两路保护 硅材料TVSArray保护器件!


● SOT23封装,尺寸大小2.90mm*2.30mm*1.00mm
● 最大工作电压为3V且浪涌电流高达11A,能有效保护热插拔引起的浪涌及免受静电损坏.
● 电容值低至1.5PF(TYP).
● IEC61000-4-5(Lightning)11A(8/20μs).
● IEC61000-4-2 ESD:Contact Discharge(30KV),Air Discharge(30KV)
● IEC61000-4-4(EFT)40A(5/50ns).
可应用于:
● USB接口保护
● 以太网口保护
● STB信号口

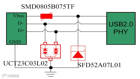
USB2.0应用方案

SD卡应用方案
超低电容、大通流、两路保护静电保护器件!


● SOIC08封装,尺寸大小4.9mm*6.0mm*1.55mm
● 最大工作电压为5V且浪涌电流高达11A,能有效保护热插拔引起的浪涌及免受静电损坏.
● 电容值低至1.5PF(TYP).
● IEC61000-4-5(Lightning)11A(8/20μs).
● IEC61000-4-2 ESD:Contact Discharge(30KV),Air Discharge(30KV)
● IEC61000-4-4(EFT)40A(5/50ns).
可应用于:
● USB接口保护
● 以太网口保护
● STB信号口

100M网口应用方案

T1/E1应用方案


● SOD323封装,尺寸大小2.50mm*1.25mm*1.0mm
● 大工作电压为30V,静电满足Level4等级,能有效保护热插拔引起的浪涌及免受静电损坏
● 电容值低至20PF(MAX).
● IEC61000-4-5(Lightning)3A(8/20μs).
● IEC61000-4-2 ESD:Contact Discharge(8KV),Air Discharge(15KV)
● IEC61000-4-4(EFT)40A(5/50ns).
可应用于:
● 射频接口
● 芯片电源


芯片供电Vcc直流保护应用方案
USB 3.0、USB 3.1、TYPE-C接口静电保护!


● SOD-882(0402)封装,尺寸大小1.0mm*0.6mm*0.4mm
● 工作电压为5V,能有效保护热插拔引起的浪涌及免受静电损坏
● 电容值低至0.4PF.
● IEC61000-4-5(Lightning)3A(8/20μs).
● IEC61000-4-2 ESD:Contact Discharge(8KV),Air Discharge(15KV)
可应用于:
● USB 3.0、USB 3.1、Type-C接口
● 1000M 以太网
● HDMI接口

USB 3.0接口应用方案

USB 3.1、TYPE-C接口应用方案


