值此七夕,广受国人重视、参与度日益增高的中国情人节,
情侣们享受烂漫玫瑰和车窗外的美景,
君耀的保护元件也在一如既往的保障汽车电路更安全!

在能源危机和环境污染问题的压力下,寻找替代石油的新能源车成了必然的选择。本文对新能源汽车包括混合动力汽车、纯电动汽车、燃料电池汽车定义、分类进行了简单总结,通过简析新能源电动汽车电子浪涌防护的重要性,对新能源汽车浪涌防护方案做进一步的阐述。
1、电动汽车背景简介
能源消费占世界能源总消费的近四分之一。随着世界经济的发展,汽车的保有数量在急剧增加,由此而引起的能源与环境问题就显得更加严重,发展新能源电动汽车未来汽车的一种趋势。
目前新能源电动汽车(BEV)是指以车载电源为动力,用电机驱动车轮行驶,符合道路交通、安全法规各项要求的车辆,种类主要分为:纯电动汽车(BEV)、混合动力汽车(PHEV)、燃料电池汽车(FCEV)等。
然而,汽车电子的设计者在系统设计过程期间,将面临众多的技术挑战,包括设计各种克服电气危害的电路保护方法。这些系统中电气危害的三大主要来源是静电放电(ESD)、雷电以及电力电子电路中的开关性负载。克服破坏车辆电子设备的瞬态浪涌是设计过程中最大的挑战。
2、电动汽车相关系统结构
电动控制模块:电极控制器,DC-DC,动力配电箱,主控 ECU,档位控制器,加速踏板,电池管理单元;
动力模块:电动机总成,电池包;
高压辅助模块:车载慢冲,漏电保护器、车载充电口、应急开关等。
3、电动汽车电子系统浪涌防护方案
3.1 充电站的 380V 高压充电桩通过车辆上的充电口,或者 220V 市用电源通过车载充电器升压后输电给车上的配电箱,配电箱直接途径应急开关后对 HV 电池组充电,相关保护方案如下图 1 所示:


图 1
交流电源 AC220V 输入/输出保护,差模采用MOV 或者 TMOV,共模采用 MOV 串联 SPG/GDT 到地。
MOV 与 GDT 或者 SPG 串联是为了减缓 MOV 的老化,增加系统的可靠性,延长保护器件的使用寿命。
AC380V 电源采用每条相先接一颗 MOV 或者 TMOV,再串联 GDT 或者 SPG 到地,满足 ICE61000-4-5 相关测试要求
3.2 电池组在电源管理器和漏电保护器的监控下,通过应急开关输电给配电箱,配电箱根据车辆的实际用电情况分配电量。一部分电量流向电机控制器,另一部分电量流向 DC-DC 交换器。DC-DC 负责将 330V 高压直流转低压提供给车载低压用电设备,如蓄电池、EPS 等。另一部分从配电箱流向 DC-DC 交换器的电量,经过 DC-DC交换器将高压直流电转化为低压直流电,为车辆电动液压助力转向系统提供 42V 的电源(以某品牌电动车为例),同时还为整车其他用电设备提供 12V 的电源,防护方案如图 2。


图 2
DC 330V 可以选择 BK HF 系列,满足 ICE61000-4-5 相关测试
DC42V :可以选择 5.0SMDJ 系列/BK HF系列保护,满足 IEC61000-4-5 相关测试
DC12V:可以选择 SMDJ 系列/5.0SMDJ 系列/SMEJ-AG 系 列 /ATN 系 列 , 满 足IEC61000-4-5/ISO7637-2 相关测试要求
下图是 ATN20C 和 ATN36C 在 ISO7637-2 12V 和 24V 系统测试的残压值为例

3.3 电池包是由几十甚至几百个电池芯组成,对每个电池芯进行电压监测,电池均衡导致过多的线路和线束,在使用中都存在电缆短路、电池正负极误接短路、或电池组温度过高等潜在故障。这些故障轻则损坏设备电路,重则造成财产、人身安全事故。在电池组中合理使用基于 PPTC 技术的过流保护和温度检测可有效保护电池组、减少此类故障造成的性能下降和安全隐患、防止电池在均衡或者电压检测过程中的短路状况。

图 3
PPTC:BK250 大电流系列 每个电池单元并联一个 PPTC 保护
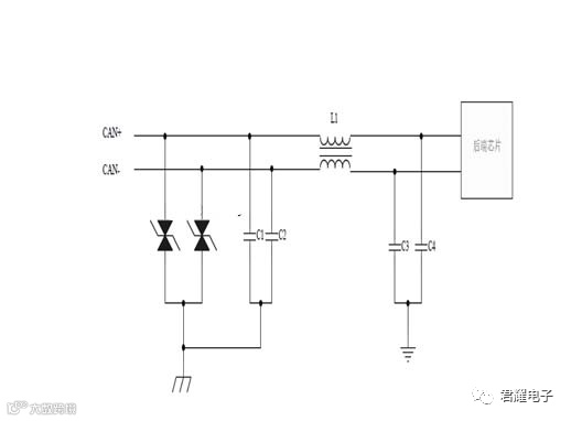
3.4 车载充电器通过 CAN 总线与其他系统(如电池管理系统)进行通信。在密集的汽车环境中,CAN 线路会遭受静电(在组装和保养时)或其他汽车系统通过耦合或传导而引起的其他瞬变所导致的过电压。

图 4
保护器件ESD: SDT23C24L02/ LBT23C24L02
满足 IEC61000-4-2 相关测试等级
3.5 LIN 收发器的信号范围是+24 /–15V,数率是 2.4kbps 至 20kbps。如下图所见,需要小型化封装 ESD保护。

图 5
ESD: UDD32C24L01/ SDD32C24L01( SOD323)
满足 IEC61000-4-2 相关测试等级
随着时间的过渡,新能源汽车也会越来越普及,汽车中电子器件的技术含量和数量是衡量汽车性能一个重要标志。随着人们对驾驶的舒适性、安全性、娱乐性和经济性的要求日益苛刻,对更精准的汽车控制和娱乐享受的追求没有停歇 ,使汽车电子系统变得更加复杂,汽车中电子器件的数量也越来越多,对于汽车电子防护来说也是一个挑战和机遇。


