搜索
首页
大数快讯
大数活动
服务超市
文章专题
出海平台
流量密码
出海蓝图
产业赛道
物流仓储
跨境支付
选品策略
实操手册
报告
跨企查
百科
导航
知识体系
工具箱
更多
找货源
跨境招聘
DeepSeek
首页
>
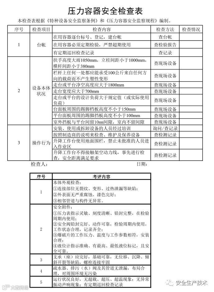
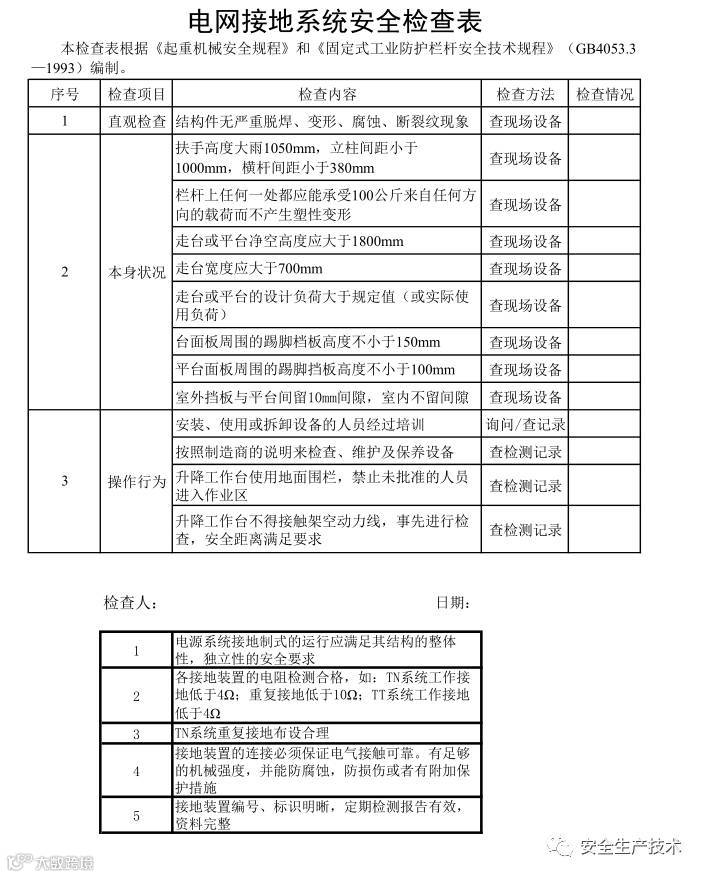
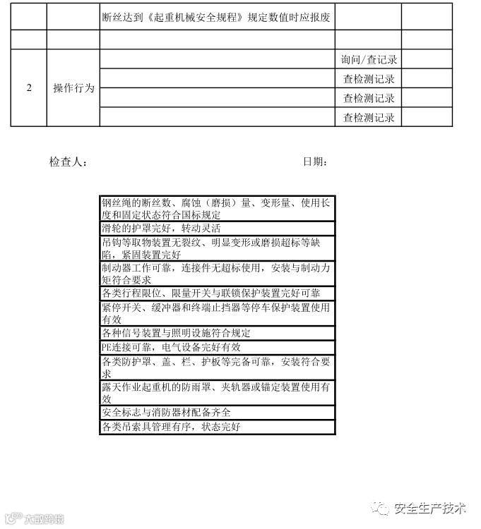
节前一波检查,附:一整套设备安全检查表
>
节前一波检查,附:一整套设备安全检查表
日照交通能源发展集团
2017-09-30
2
导读:节前一波检查,附:一整套设备安全检查表
集团企管部
根据公众号“安全生产技术”内容整理供稿
【声明】内容源于网络
0
0
日照交通能源发展集团
日照交通能源发展集团,竭诚为您服务!
内容
4185
粉丝
0
关注
在线咨询
日照交通能源发展集团
日照交通能源发展集团,竭诚为您服务!
总阅读
1.2k
粉丝
0
内容
4.2k