

广州市住房和城乡建设局关于印发《广州市建筑师负责制试点实施工作方案(试行)》的通知
各区人民政府、空港经济开发区管理委员会,各市直单位,各有关单位:
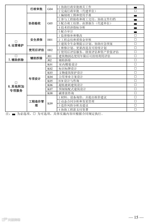
为贯彻落实《中共中央国务院关于进一步加强城市规划建设管理工作的若干意见》(中发〔2016〕6号)、《国务院关于印发广州南沙深化面向世界的粤港澳全面合作总体方案的通知》(国发〔2022〕13号)、《国务院办公厅转发住房城乡建设部关于完善质量保障体系提升建筑工程品质指导意见的通知》(国办函〔2019〕92号)、《国务院关于开展营商环境创新试点工作的意见》(国发〔2021〕24号)、《广州市优化营商环境条例》《广州市人民政府关于印发广州市建设国家营商环境创新试点城市实施方案的通知》关于探索建筑师负责制试点工作有关要求,响应“中国设计”走出去和“一带一路”倡议要求,促进与国际标准政策接轨,推动粤港澳大湾区合作共赢,提升建筑行业高质量发展水平,我局结合广州实际,组织制定了《广州市建筑师负责制试点实施工作方案(试行)》,现予印发,请遵照执行。实施过程中遇到的问题,请径向市住房和城乡建设局反映。
特此通知。
广州市住房和城乡建设局
2022年10月10日
(联系人:李先生、吴先生,联系电话:020-83124966,020-83124855)













文字来源:广州市住房和城乡建设局,点击下方“阅读原文”查看详情。
往
期
回
顾



