
1、大型垂直运输设备施工核心技术

超高层施工过程中,应合理调整钢结构分节及吊次,综合工期情况,以减少大型设备的资金投入,确保施工顺利进行。
2、同类型工程大型吊装设备情况



3、塔吊参数
M1280D


M1060D

M760DX

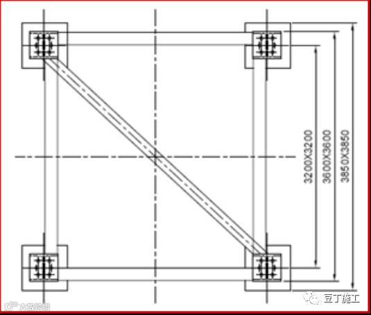
4、塔吊基础设计


马蹬立面图

马蹬支脚固定

基础脚俯视图

固定框俯视图

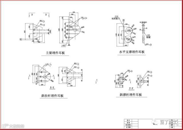
5、塔吊支撑设计

塔吊外挂架设计图纸

塔吊外挂架设计图纸

塔吊外挂架设计图纸

塔吊外挂架设计图纸

塔吊外挂架设计图纸

C型梁设计图纸
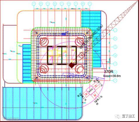
6、案例工程塔吊具体布置及安装
(1)地下室底板完成后,300t汽车吊将M1280D各配件吊入基坑,现有塔吊安装1#M1280D塔吊,1#塔吊安装2#M1280D塔吊。


(2)施工出正负零,通过1#塔吊安装3#JCD260塔吊,施工至50层。


(3)50层~76F期间使用2台塔吊:M1280D(1#、2#)。


(4)地上76F完成施工后,安装2台塔吊(M600D);2#塔吊完成4#塔吊安装,4#塔吊完成5#塔吊安装。


7、塔吊爬升规划
(1)1#、4#塔吊爬升规划

爬升说明:
a、1#M1280D塔吊(外挂)爬升高度最大为22.20m,最小为18.00m,爬升17次;
b、4#M600D塔吊
(外爬)爬升高度最大为21.10m,最小为18.00m,爬升3次。
(2)2#、5#塔吊爬升规划

爬升说明:
a、2#M1280D塔吊(内爬)爬升高度最大为22.20m,最小为18.00m,爬升17次;
b、5#M600D塔吊
(外附),顶升2次。
(3)3#塔吊爬升规划

爬升说明:
3#塔吊JCD260在核心筒出地面后安装,采用外挂式爬升,每次爬升14.25m~18.10m,共爬升12次,施工50层后拆除。
8、塔吊的拆除
(1)78F层完成后,利用2#塔吊拆除1#塔吊。


(2)利用4#塔吊拆除2#塔吊。


(3)屋面钢结构吊装完成,利用4#塔吊拆除5#塔吊。


(4)屋面天线安装完成,利用370R屋面吊拆除4#塔吊。


(5)370R完成4#塔吊和通道塔拆除后,由SDD20/15屋面吊拆除370R塔吊。


(6) 使用SDD3/17屋面吊拆除SDD20/15屋面吊,最后SDD3/17屋面吊人工拆除。


9、塔吊拆除实例
塔吊以“中拆大、立中拆小”的方式拆除,即立屋面吊拆塔、立拔杆拆除屋面吊的方式进行拆除。根据塔吊零件最大构件重量,并考虑屋面吊性能、屋面吊选址及结构承载,进行屋面吊的定位,进而开展塔吊拆除工作。


转载自微信公众号:豆丁施工


