文/浙江国检检测
10.9级轴承调隙螺栓,规格为M20×65,40Cr钢制作,表面达克罗处理。螺栓安装在车辆前轴与轴承挡板上用于固定轴承调隙组片。共安装六枚螺栓,安装扭矩为390-400N·m,采用锁止钢丝锁紧,车辆服役3435小时后轴承损坏,轴承内圈掉出轮毂,前轴端部下方磨损严重,六颗螺栓全部断裂。
15.4.1 试验过程与结果
从前轴里面取出的一件(半截螺栓),另取2件完好件,分析断裂原因。
首先从螺栓安装图观察,断裂螺栓的安装位置在用于固定轴承调隙组片的轴承挡板上,见图15-17。
图15-17 螺栓安装示意图
(1)故障件检查
螺栓断裂残件及两件完好件,宏观形貌如图15-18。
断裂发生于螺纹牙底,见图15-19。
断口穿过相邻两个螺纹的牙底和牙顶,断面光亮呈金属本色,未见明显腐蚀产物及冶金缺陷,断口附近可见明显宏观剪切塑性变形,断口宏观形貌,见图15-20。
图15-18 完好件与断裂件宏观形貌
图15-19 螺纹牙底断裂宏观形貌
图15-20 断口宏观形貌
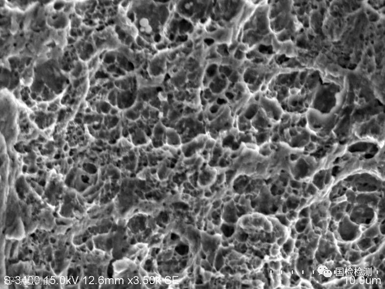
(2)扫描电镜观察
断口上有剪切断裂形貌特征,见图15-21。
从断裂源处至总终断区,微观组织形貌主要分别为剪切韧窝、剪切与等轴混合韧窝、等轴韧窝。
剪切韧窝形貌,见图15-22;剪切与等轴混合韧窝形貌,见图15-23;
等轴韧窝形貌,见图15-24。
图15-21 剪切断裂形貌特征
图15-22 剪切韧窝形貌特征
图15-23 剪切与等轴混合韧窝形貌
图15-24等轴韧窝形貌
(3)性能试验与化学分析
取该批完好螺栓进行拉伸强度和硬度检测,检测结果:拉伸强度1194 MPa(标准要求≥1040MPa);心部硬度328~337 HV10(标准要求320~380)
拉伸强度和硬度符合《GB/T 3098.1-2010》标准规定10.9级螺栓的要求。
采用直读光谱法对螺栓进行化学成分分析,分析结果,化学成分符合《GB/T 3077-1999》标准40Cr钢要求。
(4) 金相组织检查
对断裂螺栓金相组织检查,心部金相组织为均匀回火索氏体组织,见图15-25。
图15-25 回火索氏体组织
螺纹处金相组织碳势正常(图中白亮带为镀层),牙顶与牙底均未发现不连续性缺陷;见图15-26。
对断裂件螺纹牙底的金相组织放大高倍检查,牙底有微裂纹存在,且微裂纹外侧镀层已经破坏,说明微裂纹是在螺栓安装或服役过程中产生的,见图15-27。
断裂螺栓的非金属夹杂物检查,根据《GB-T 10561-2005 钢中非金属夹杂物含量的测定标准》评定,非金属夹杂物为D类球状氧化物(细系)1.5级,图15-28。
图15-26 螺纹处金相组织
图15-27螺纹牙底金相高倍组织
图15-28 断裂螺栓非金属夹杂物
15.4.2 综合分析
断裂螺栓的金相组织、化学成分、心部硬度、抗拉强度等均符合标准要求,断裂与材质及热处理无关。
断裂螺栓断口存在明显宏观剪切变形,断面微观形貌为大面积韧窝形貌,说明螺栓是在剪切力作用下发生的韧性断裂。
断口形貌检查发现螺纹底部存在微裂纹,微裂纹外侧镀层已破坏,说明螺栓在安装或服役之前是完好的,微裂纹只能是在成品螺栓安装或服役过程中产生。
该螺栓为轴承调隙螺栓,安装在车辆前轴与轴承挡板上用于固定轴承调隙片组,共六枚螺栓。车辆服役3435小时后发现轴承损坏,轴承内圈掉出轮毂,前轴端部下方磨损严重,六颗螺栓全部断裂。断裂发生于螺纹牙底,断口穿过相邻两个螺纹牙底和牙顶,断面光亮呈金属本色,断口新鲜,无可见腐蚀产物及冶金缺陷;断口附近可见明显剪切塑性变形,说明螺栓曾有过载情况。断口新鲜,说明微裂纹是在螺栓安装或服役过程中产生的,当螺栓在工作中受到较大的外力作用时,发生瞬间剪切断裂。
车辆前轴端部下方磨损严重,说明在轴承破坏及螺栓断裂前,车辆已经在非正常情况下服役了较长时间,当轴承破坏后,螺栓在外力作用下发生了过载断裂。
15.4.3 结论与启示
(1)当螺栓在工作中受到较大的剪切外力作用时,发生瞬间剪切断裂。
(2)车辆在非正常情况下服役了较长时间,当轴承破坏时螺栓受到较大的剪切外力作用,在剪切外力作用下发生了剪切断裂。
(3)车辆在使用过程中一定要注意异常情况,要及时检修与维护,使车辆在完好情况下工作。
end
国检检测 | 电话:13372307781
扫码/长按关注哈
立即加微信,每天涨知识!
你若喜欢,别忘了点个在看哟

