点击蓝字关注我们
钢是机械制造常用材料,在钢材金相检验时经常会遇到的一些典型金相组织,例如奥氏体、铁素体、渗碳体、珠光体(珠光体、索氏体、屈氏体)球状珠光体、马氏体(板条马氏体、针状马氏体)、回火马氏体、回火屈氏体、回火索氏体、贝氏体(上贝氏体、下贝氏体),粒状贝氏体、魏氏组织等。今天我们一起探究,这些典型的金相组织的形貌特征。
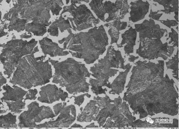
珠光体组织
球状珠光体组织
球状渗碳体组织
珠光体+网状渗碳体组织
珠光体+铁素体组织
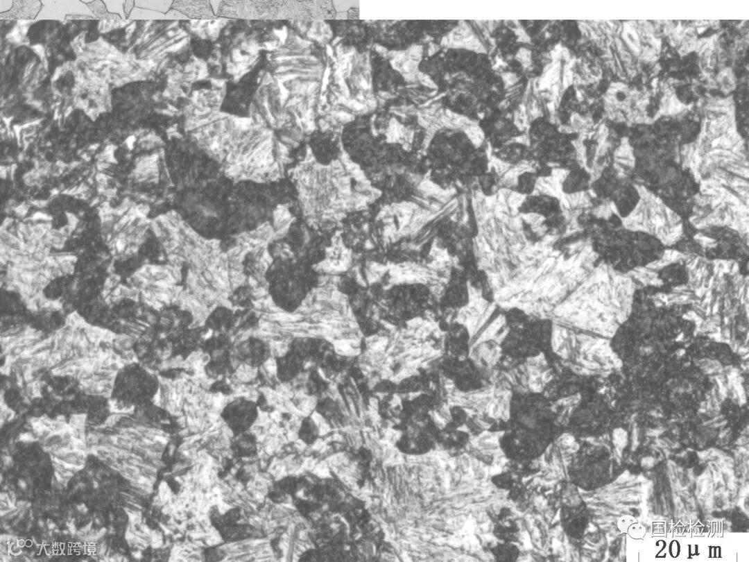
马氏体组织
淬火马氏体组织
片状马氏体组织
铁素体+马氏体组织
屈氏体+马氏体组织
贝氏体组织
下贝氏体组织
粒状贝氏体组织
回火体组织
回火屈氏体组织
回火索氏体组织
不锈钢常见金相组织
不锈钢中α相组织
不锈钢中δ-Fe显微组织
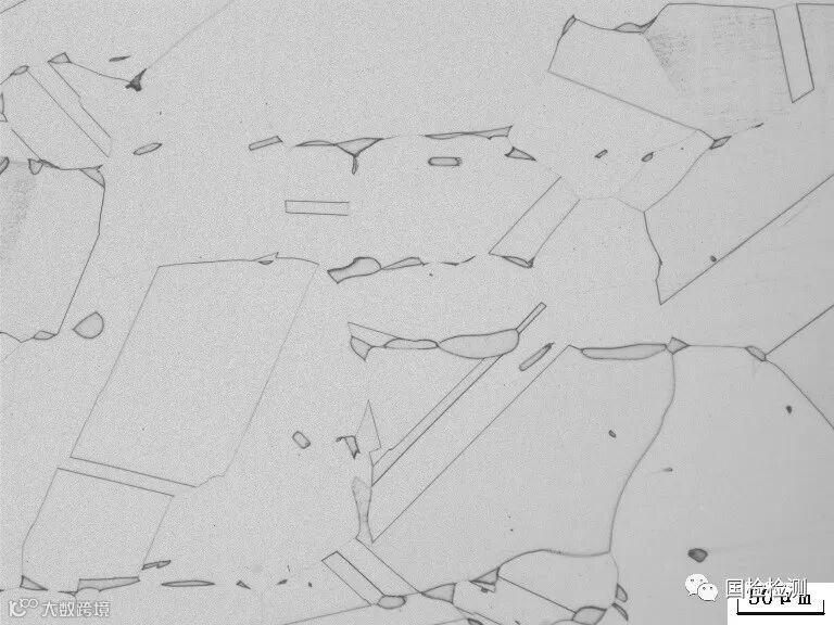
铁素体组织
铁素体组织
球状渗碳体+铁素体组织
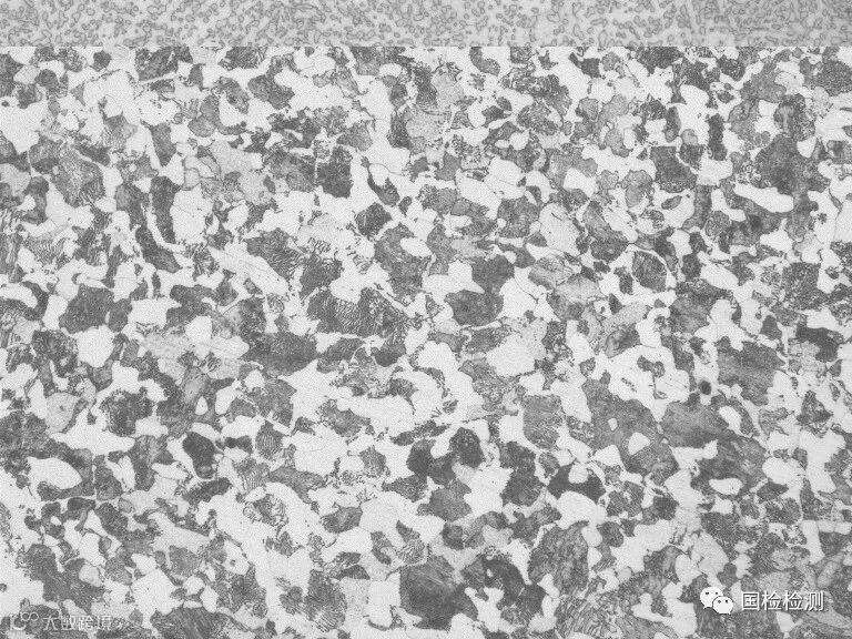
结构钢圆钢棒材表面半脱碳组织
圆钢表面半脱碳组织
低合金钢的渗碳组织
低合金钢的渗碳组织
碳钢不正常的退火组织
碳钢不正常退火组织为网状铁素体+针状铁素体+珠光体组织
碳钢不正常的退火组织
转载需注明来源
国检官网:www.chinazbj.com
立即加微信
天天涨知识
微信号 : 13372307781
国检官网:www.chinazbj.com

