概念--三相电与两相电:
注意:只有单相电与三相电。不存在两相电之说。一根火线一根零线,是单相220伏。家用照明电大多采用此种输入接线方式。
两根火线,是单相380伏。BX系列焊机,电阻系列焊机以及现在的逆变直流双电源焊机,大多采用此种输入接线方式。三相380伏如果缺一相电,既是单相380伏。也不能称作两相电。
三根火线,是三相380伏。电动机以及大多数380V用电器,大多采用此种接线方式。
三相电就是三根相线,三根线之间电压都是380v,用于三相电源供电设备,比如三相电动机。
总的来说单相电用来为民用和办公电器供电,而三相交流系统则广泛用于配电及直接为功率更高的设备提供电力。
三相系统
三相电由频率相同、幅度类似的三个AC电压组成。每个ac电压“相位”与另一个ac电压相隔120°(图1)。这可以通过图形方式,使用波形和矢量图(图2)进行表示。
图1. 三相电压波形
图2. 三相电压矢量
使用三相系统的原因有两个:
1. 可以使用三个矢量间隔的电压,在马达中产生旋转磁场。从而可以在不需要额外绕组的情况下启动马达。
2. 三相系统可以连接到负载上,要求的铜缆连接数量(传输损耗)是其它方式的一半。
我们看看三个单相系统,每个系统为一个负载提供100W的功率(图3)。总负载是3 x 100W = 300W.为提供电力,1安培电流流经6根线,因此有6个单位的损耗。也可以把三个电源连接到一个公共回程上,如(图4)所示。当每个相位中的负载电流相同时,负载被认为是均衡的。在负载均衡、且三个电流相位彼此位移120°的情况下,任何时点上的电流之和都为零,回程线路中没有电流。
图3. 三个单相电源 - 6个单位损耗
图4. 三相电源,均衡负载 - 3个单位损耗
Y形接法或星形接法
在三相120°系统中,要求3根线传送功率,而在其它方式下则要求6根线。要求的铜缆数量减少了一半,导线传输损耗也将减半。
拥有公共连接的三相系统通常如(图5)的示意图所示,称为“Y形或星形”接法。
公共点称为中性点。为安全起见,这个点通常在电源上接地。在实践中,负载并不是完美均衡的,要使用第四条“中性”线传送得到的电流。如果本地法规和标准允许,中性导体可能会比三条主导体小得多。
图5. Y形接法或星形接法 - 三相四线

上面讨论的三个单相电源也可以串联起来。在任何时点上,三个120°相移电压之和都是零。如果和为零,那么两个端点都处在相同的电位,可以联接在一起。这种接法如(图7)中的示意图所示,使用希腊字母Δ表示,称为三角形接法。
图6. 任意时间的瞬时电压之和为零
图7. 三角形接法 - 三相三线
Y形接法和三角形接法比较
Y形接法用来为家庭和办公中使用的日常单相设备供电。单相负载连接到线路和中性线之间Y形的一条腿上。每个相位的总负载尽可能多地共享,以便为主三相电源提供均衡负载。
Y形接法还可以为更高电压上更高的功率负载提供单相或三相电。单相电压是相位到中性电压。另外还提供较高相间电压,如(图8)中的黑色矢量所示。
图8. V phase-phase = √3 x V phase-neutral
三角形接法最常用的情况是为功率较高的三相工业负载供电。然而,通过沿着变压器线圈进行连接或“分接”,可以从三相三角形电源中获得不同的电压组合。例如,在美国,240V三角形系统可以有分相或中心分接线圈,提供两个120V电源(图9)。为安全起见,中心分接点可以在变压器上接地。在中心分接点和三角形接法的第三条“高脚”之间,还提供了208V电压。
图9. 三角形接法,采用“分相”或“中心分接”线圈
功率测量
在交流系统中,功率使用功率表测量。现代数字采样功率表,把多个电压和电流的瞬时样点乘在一起,计算瞬时功率,然后取一个周期中瞬时功率的平均值,表示有功功率。功率表将在广泛的波形、频率和功率因数范围上,准确测量有功功率、视在功率、无功负载、功率因数、谐波等等。为使功率分析仪提供良好的结果,必须能够正确识别布线配置,正确连接功率分析仪。
单相功率表连接
只要求一个功率表,如(图10)所示。系统与功率表电压端子和电流端子的连接简单明了。功率表的电压端子透过负载并连,电流通过与负载串联的电流端子输入。
图10. 单相双线和DC测量
单相三相连接
在这个系统中,如图11所示,从一个中心分接的变压器线圈中产生电压,所有电压都同相。这在北美住宅应用中十分常见,其中提供了一个240 V电源和两个120V电源,在每条腿线上可能有不同的负载。为测量总功率和其它数量,应如(图11)所示连接两个功率表。
图11.单相三线
布朗德尔定理:要求的功率表数量,在单相系统中,只有两根线。功率使用一个功率表测量。
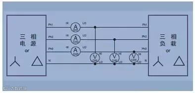
在三线系统中,要求两个功率表,如(图12)所示。
一般来说,要求的功率表数量 = 线数-1
图12. 三线Y形系统
验证三相星形系统
功率表测量的瞬时功率是瞬时电压和电流样点之积。
功率表1读数 = i1 (v1 - v3)
功率表2读数 = i2 (v2 - v3)
读数之和W1 + W2 = i1v1 - i1v3 + i2v2 - i2v3
= i1v1 + i2v2 - (i1 + i2) v3
(根据基尔霍夫定律,i1 + i2 + i3 = 0, so i1 + i2 = -i3)
2个读数W1 + W2 = i1v1 + i2v2 + i3v3 = 总瞬时功率。
三相三线接法 - 两个功率表方法
在有三根线时,要求两个功率表测量总功率。根据图所示方法连接两相到功率表的电压端子。
图13. 三相三线、两个功率表方法
三相三线接法·三个功率表方法
尽管测量三线系统中的总功率只要求两个功率表,但有时可以方便地使用三个功率表。在如图所示的接法中,通过把所有三个功率表的电压低端子连接在一起,创建一个假中性线。
图14 三相三线(三个功率表方法,把分析仪设置成三相四线模式)
三线三个功率表的接法的优势在于,它指明每一个相的功率(这在两个功率表的接法中是不可能的)以及相到中线电压。
三相四线接法
测量四线系统中的总功率要求三个功率表。测得的电压是真实的相电压。通过使用矢量数学运算,可以从相电压的幅度和相位中准确地计算出相间电压。现代电源分析仪也使用基尔霍尔定律,计算流过中线的电流。
图15. 三相四线(三个功率表方法)
配置测量设备
在线数一定(N)时,要求N-1个功率表测量整体电能质量,如功率。必须确保拥有足够数量的通道,且正确连接。
现代多通道功率分析仪将使用相应的内置公式,直接计算整体电能质量,如瓦特、伏特、安培、伏安和功率因数。公式根据布线配置选择,因此设置布线对获得良好的总功率测量至关重要。拥有矢量功能的功率分析仪还将把相电压(或Y形)分量转换成线电压(或三角形)分量。只能使用因数√3,实现系统间转换,或对均衡线性系统上只有一个功率表的测量定标。
了解布线配置、正确进行连接对功率测量至关重要。熟悉常用的布线系统,记住布朗德尔定理,将帮助您获得相应的连接以及可以依赖的结果。
免责声明:本文来自网络,版权归原作者所有,如涉及版权问题,请及时与我们联系删除,谢谢

