
电气工程师是需要制作图纸和看图纸两项技能,电气图纸的设计一定按照电气行业标准去设计,方便给维护人员等相关从事电行业人员提供帮助,更加快速的解决电气故障,同时方便维护人员接线,防止出现不会接线、看不懂图纸的情况,下面带您一起看电气图纸,带您真正了解电气图纸。
一、拿到图纸的怎么做
1、详看图纸说明拿到图纸后,首先要仔细阅读图纸的主标题栏和有关说明,如图纸目录、技术说明、电器元件明细表、施工说明书等,结合已有的电工知识,对该电气图的类型、性质、作用有一个明确的认识,从整体上理解图纸的概况和所要表述的重点。
2、看概略图和框图由于概略图和框图只是概略表示系统或分系统的基本组成、相互关系及其主要特征,因此紧接着就要详细看电路图,才能搞清它们的工作原理。概略图和框图多采用单线图,只有某些380/220V低压配电系统概略图才部分地采用多线图表示。
3、看电路图是看图的重点和难点电路图是电气图的核心,也是内容最丰富、最难读懂的电气图纸。看电路图首先要看有哪些图形符号和文字符号,了解电路图各组成部分的作用、分清主电路和辅助电路,交流回路和直流回路。

4、按照先看主电路,再看辅助电路的顺序进行看图,看主电路时,通常要从下往上看,即先从用电设备开始,经控制电器元件,顺次往电源端看,看辅助电路时,则自上而下、从左至右看,即先看主电源,再顺次看各条支路,分析各条支路电器元件的工作情况及其对主电路的控制关系,注意电气与机械机构的连接关系。
5、通过看主电路,要搞清负载是怎样取得电源的,电源线都经过哪些电器元件到达负载和为什么要通过这些电器元件,通过看辅助电路,则应搞清辅助电路的构成,各电器元件之间的相互联系和控制关系及其动作情况等,同时还要了解辅助电路和主电路之间的相互关系,进而搞清楚整个电路的工作原理和来龙去脉。
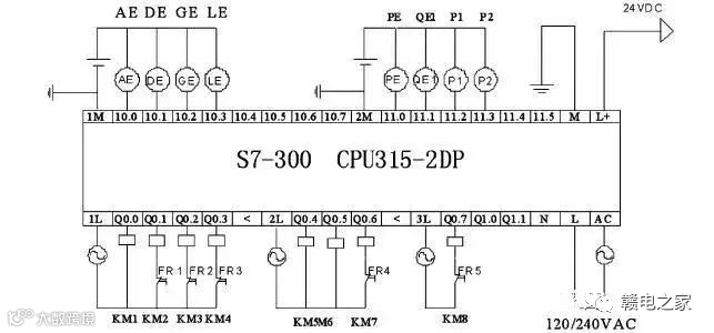
6、电路图与接线图对照起来看接线图和电路图互相对照看图,可帮助看清楚接线图,读接线图时,要根据端子标志、回路标号从电源端顺次查下去,搞清楚线路走向和电路的连接方法,搞清每条支路是怎样通过各个电器元件构成闭合回路,配电盘(屏)内、外电路相互连接必须通过接线端子板,配电盘内有几号线,端子板上就有几号线的接点,外部电路的几号线只要在端子板的同号接点上接出即可,看接线图时,要把配电盘(屏)内、外的电路走向搞清楚,就必须注意搞清端子板的接线情况。

二、看电气控制电路图的方法
看电气控制电路图一般方法是先看主电路,再看辅助电路,并用辅助电路的回路去研究主电路的控制程序。
A:看主电路的步骤
1、看清主电路中用电设备,用电设备指消耗电能的用电器具或电气设备,看图首先要看清楚有几个用电器,它们的类别、用途、接线方式及一些不同要求等。
2、要弄清楚用电设备是用什么电器元件控制的,控制电气设备的方法很多,有的直接用开关控制,有的用各种启动器控制,有的用接触器控制。
3、了解主电路中所用的控制电器及保护电器,前者是指除常规接触器以外的其他控制元件,如电源开关(转换开关及空气断路器)、万能转换开关,后者是指短路保护器件及过载保护器件,如空气断路器中电磁脱扣器及热过载脱扣器的规格、熔断器、热继电器及过电流继电器等元件的用途及规格,对主电路作如上内容的分析以后,即可分析辅助电路。

4、看电源。要了解电源电压等级,是380V还是220V,是从母线汇流排供电还是配电屏供电,还是从发电机组接出来的。
B:看辅助电路的步骤
辅助电路包含控制电路、信号电路和照明电路,分析控制电路,根据主电路中各电动机和执行电器的控制要求,逐一找出控制电路中的其他控制环节,将控制线路“化整为零”,按功能不同划分成若干个局部控制线路来进行分析,如果控制线路较复杂,则可先排除照明、显示等与控制关系不密切的电路,以便集中精力进行分析。

1、看电源,首先看清电源的种类,是交流还是直流,其次,要看清辅助电路的电源是从什么地方接来的,及其电压等级,电源一般是从主电路的两条相线上接来,其电压为380V,也有从主电路的一条相线和一零线上接来,电压为单相220V,也可以从专用隔离电源变压器接来,电压有140、127、36、6.3V等。
辅助电路为直流时,直流电源可从整流器、发电机组或放大器上接来,其电压一般为24、12、6、4.5、3V等,辅助电路中的一切电器元件的线圈额定电压必须与辅助电路电源电压一致,否则,电压低时电路元件不动作,电压高时,则会把电器元件线圈烧坏。

2、了解控制电路中所采用的各种继电器、接触器的用途,如采用了一些特殊结构的继电器,还应了解他们的动作原理。
3、根据辅助电路来研究主电路的动作情况,分析了上面这些内容再结合主电路中的要求,就可以分析辅助电路的动作过程,控制电路总是按动作顺序画在两条水平电源线或两条垂直电源线之间的。

因此,也就可从左到右或从上到下来进行分析,对复杂的辅助电路,在电路中整个辅助电路构成一条大回路,在这条大回路中又分成几条独立的小回路,每条小回路控制一个用电器或一个动作,当某条小回路形成闭合回路有电流流过时,在回路中的电器元件(接触器或继电器)则动作,把用电设备接人或切除电源,在辅助电路中一般是靠按钮或转换开关把电路接通的。
对于控制电路的分析必须随时结合主电路的动作要求来进行,只有全面了解主电路对控制电路的要求以后,才能真正掌握控制电路的动作原理,不可孤立地看待各部分的动作原理,而应注意各个动作之间是否有互相制约的关系,如电动机正、反转之间应设有联锁等。
4、研究电器元件之间的相互关系,电路中的一切电器元件都不是孤立存在的而是相互联系、相互制约的,这种互相控制的关系有时表现在一条回路中,有时表现在几条回路中。

5、研究其他电气设备和电器元件,如整流设备、照明灯等。
三、综上所述
电气控制电路图的查线看图法的要点为:
1、分析主电路
从主电路人手,根据每台电动机和执行电器的控制要求去分析各电动机和执行电器的控制内容,如电动机启动、转向控制、制动等基本控制环节。

2、分析辅助电路
看辅助电路电源,弄清辅助电路中各电器元件的作用及其相互间的制约关系。

3、分析联锁与保护环节
生产机械对于安全性、可靠性有很高的要求,实现这些要求,除了合理地选择拖动、控制方案以外,在控制线路中还设置了一系列电气保护和必要的电气联锁。

4、分析特殊控制环节
在某些控制线路中,还设置了一些与主电路、控制电路关系不密切,相对独立的某些特殊环节,如产品计数装置、自动检测系统、晶闸管触发电路、自动调温装置等,这些部分往往自成一个小系统,其读图分析的方法可参照上述分析过程,并灵活运用所学过的电子技术、交流技术、自控系统、检测与转换等知识逐一分析。

5、总体检查
经过“化整为零”,逐步分析了每一局部电路的工作原理以及各部分之间的控制关系之后,还必须用“集零为整”的方法,检查整个控制线路,看是否有遗漏,最后还要从整体角度去进一步检查和理解各控制环节之间的联系,以达到清楚地理解电路图中每一电气元器件的作用、工作过程及主要参数。
扫描下面二维码
关注赣电之家



