二次控制电路也叫拓展电路,是相对于主回路而言的,二次控制电路的作用功能就是根据生产需要加装各种控制保护元器件来启停并保护我们的设备。
对维修电工来说,难就难在二次控制电路,如果能够熟练掌握二次控制电路,绝对是中上水平。很多公司在招聘电工时考的最多的也是二次控制电路如:正反转,星三角启动等。

为什么很多电工面对二次控制电路很迷茫,束手无策无从下手呢?主要是控制电路线多,各种保护控制元器件多,理不出头绪,归根结底还是没有搞懂底层逻辑。今天我把自己心得分享给大家,相信大家一看就很明了。
对于二次控制电路只需要搞明白两点:
常开和常闭:
常开就是正常状态下触点是断开的,只有人为或机械干预后闭合,干预结束后又自动恢复到断开状态,各种设备如电动机的启动按扭就是常开
常闭就是正常状态下触点是闭合的,只有人为或机械干预后断开,干预结束后又自动恢复到闭合状态,各种设备如电动机的停止按扭就是常闭。


2.并联和串联
并联:在控制电路中并联特性是当电路中多个触点并联时,任一个触点闭合就能让设备启动,有一出一。
串联:在控制电路中特性是当电路中多个触点串联时,任一个触点断开就能让设备停止,全一出一。
只要知道上面的常开和常闭,串联和并联,那所有的控制电路就很简单了,无非就是常开常闭进行串并联接线,并且这个接线还有个非常简单的规律:常开并联,常闭串联。
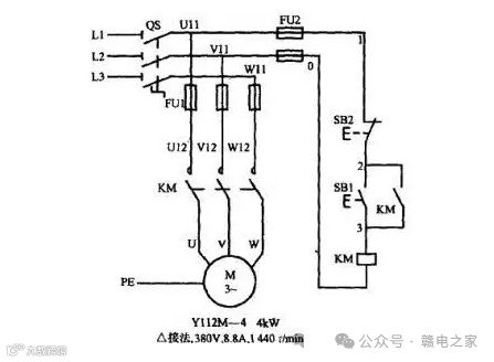
我们先来看最简单的自锁控制电路:启动常开按扭SB1和自锁常开触点KM并联,停止常闭按扭SB2串联在启动常开和自锁常开上级,如下图。

假如上面的电路为搅拌机控制电路,为了保护设备和人生安全,需要加上缺相,过载,门盖开关等保护开关,这些保护开关都是常闭,即然是常闭咱们串联在电路就行了,全一出一,保证出现任一问题设备停止工作,如下图。

假如这个电路为商场新风机组,需要在营业时间内,超过温度范围,空气二氧化碳浓度过高时都要启动,根据常开并联,有一出一的规律,把定时开关,温控器,空气质量检测器常开触点并联接线就可以了。保证有一条件满足,设备即可启动,如下图:

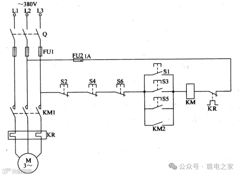
我们再来看看异地控制这个经典电路:所有的停止常闭S2,S4,S6串联,启动常开S1,S3,S5并联就实现了多地控制同一台设备,如下图

纵上分析,只要我们理解了常闭串联,常开并联,也就算掌握了二次控制电路,各种电路都信手拈来根本用不着死记硬背,甚至根据想要实现的功能自己设计电路都是轻而易举的事情!
免责声明:本文来自网络,版权归原作者所有,如涉及版权问题,请及时与我们联系删除,谢谢



