

好久没放动图了,今天小编给大家带来一些电气控制原理动图。觉得有用的,可以永久收藏了......
低压电器部分
1
按钮开关

2
闸刀开关

3
行程开关

4
交流接触器

5
热继电器

6
时间继电器


7
速度继电器

电动机及控制线路
1
异步电动机


2
直流电动机

3
步进电动机

4
永磁电机

5
正反转控制

6
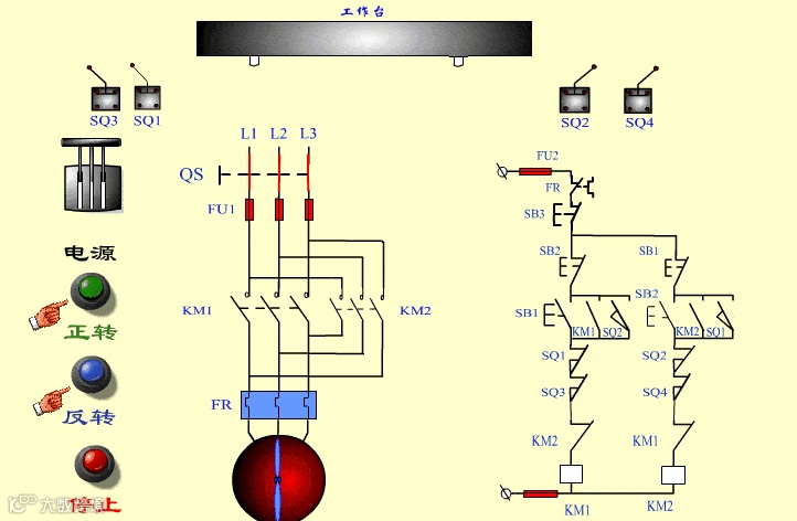
自动往返控制

7
顺序控制

8
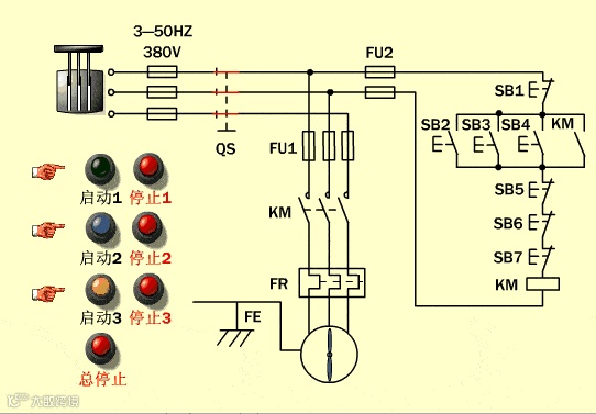
多点控制

9
星三角启动

10
手动控制

传感及控制原理
1
布料张力测量

2
MQN型气敏电阻

3
气泡式水平仪

4
直滑式电位器控制气缸活塞行程

5
电容加速度传感器

原理图纸对照
最后分享一个电气控制原理图纸对照视频,希望对大家有帮助。
感谢您对我们的关注
更多电力知识,请返回公众号点击文章回顾查阅!
扫描下面二维码
关注赣电之家


