1、概述:
奥特迅GZDW系列直流电源柜,适用于大中小型发电厂、变电所,作为高压断路器直流操作机构的分、合闸、继电保护、自动装置、 信号装置等使用的操作电源及事故照明和控制用直流电源。各项性能指标达到并超过DL/T459-2000标准。
2、工作原理:
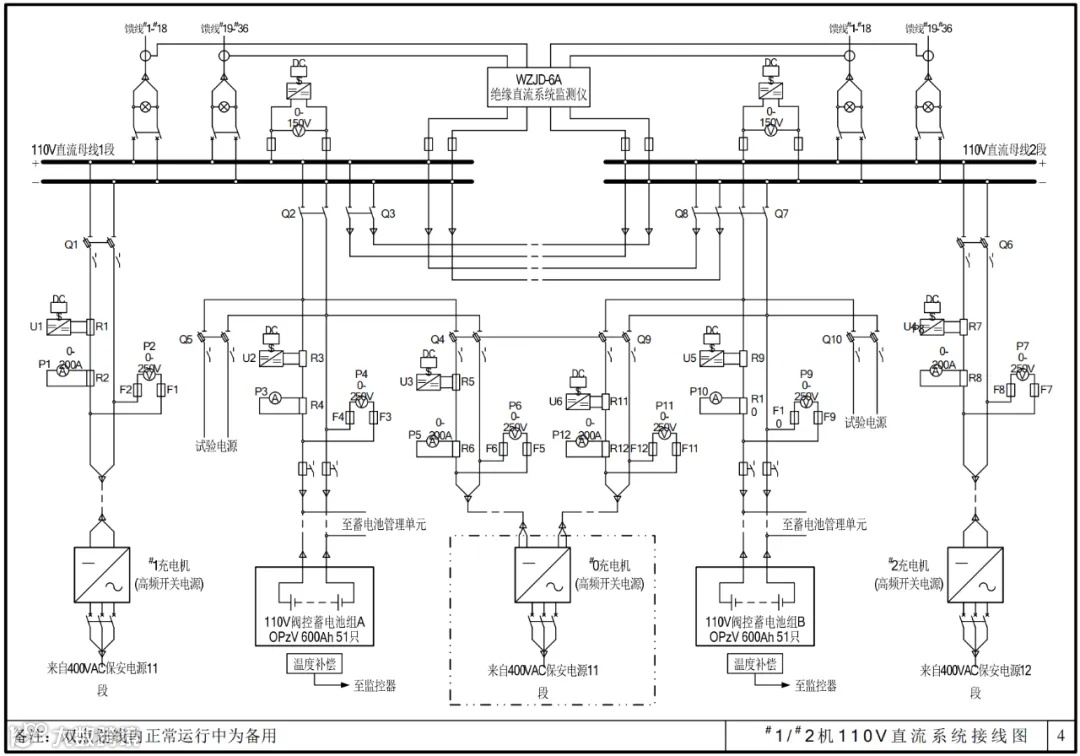
两路交流输入经交流配电单元选择其中一路交流输入提供给充电模块;充电模块输出稳定的直流,一方面对蓄电池组补充充电和提供合闸输出,另外通过降压单元提供控制输出,为负载提供正常的工作电流;绝缘监测单元可在线监测直流母线和各支路的对地绝缘状况;集中监控单元可实现对交流配电单元、充电模块、直流馈电、绝缘监测单元、直流母线和蓄电池组等运行参数的采集与各单元的控制和管理,并可通过远程接口接受后台操作员的监控。下图1为某公司110V直流系统图。

图1.某公司110V直流系统图
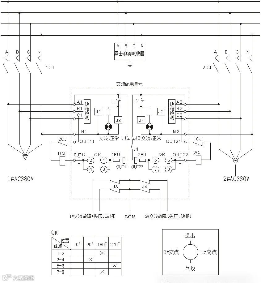
交流配电单元
图2为双路交流自投电路,适用于一组充电机由两路交流电源供电的系统;图3为单路交流输入电路,适用于每组充电机由一组独立的交流电源供电的系统。交流配电单元各部分电路原理如下:

图2.双路交流自投电路图
双路交流自投回路由交流配电单元,两个交流接触器(1CJ、2CJ)组成。交流配电单元为双路交流自投的检测及控制元件,接触器为执行元件。交流配电单元上设有转换开关QK、两路电源的指示灯和交流故障告警信号输出的空接点。转换开关 QK有4个档位,旋转手柄旋至不同档位可实现如下功能:
a)“退出”位:两个交流接触器均断开,关断两路交流输入。

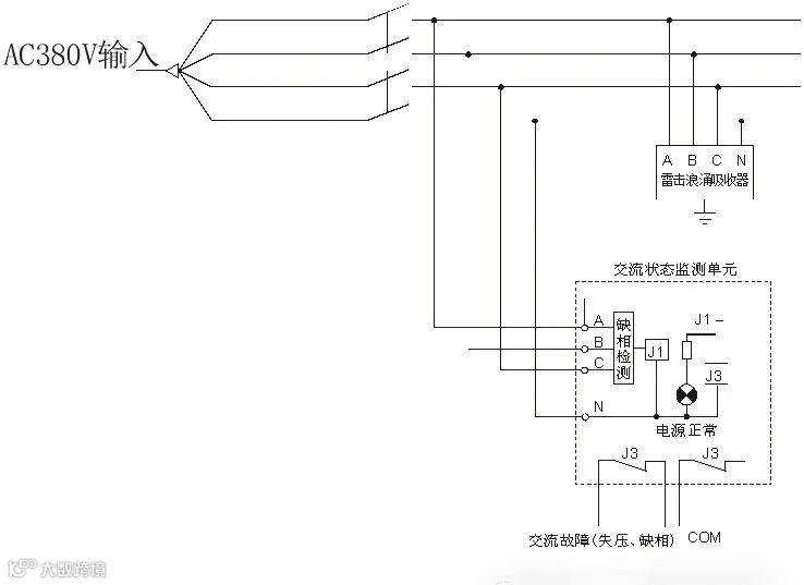
图3.单路交流输入电路图
b)“1#交流”或“2#交流”位:手动选择1#或2#交流投入作为充电机的输入电源。“互投”位:双路交流的自动互投位,当任一路交流故障时,均可自动将另一路交流投入,以保证充电机交流电源的可靠性。
单路交流检测电路:单路交流检测回路由交流状态监测单元实现。
正常运行时,三相交流电处于相对平衡的状态,三相交流电中心点与零线之间无电势差,内部继电器J1不动作,交流故障监测单元内的告警继电器J3的线圈通过J1的常闭接点接于零线与火线间,同时LED 发光管点亮,指示交流电源正常。当交流任一相发生缺相或三相严重不平衡时,三相交流电中心点与零线之间产生电势差,内部继电器J1得电动作,其常闭接点断开,使得内部继电器J3线圈失电,J3常闭接点闭合,发出故障告警信号,同时 LED熄灭,指示交流电源故障。
防雷保护电路:雷击分为直击雷和感应雷两种,线路直接遭雷击时,电缆中流过很大电流,同时引起数千伏的过电压直接加到线路装置和电源设备上,持续时间达若干微秒,直接危害用电设备。感应雷通过雷云之间或雷云对地的放电,在附近的电缆或用电设备上产生感应过电压,危害用电设备的安全。因此必须要在交流配电单元入口加装防雷器。
目前我司直流电源柜设有C级及D 级防雷,C级防雷设在交流配电单元入口,选用的防雷器为世界名牌防雷产品,通流量为 40kA,动作时间小于25ns,D级防雷设在充电模块内,通流量为10kA,动作时间小于25ns,可以有效地将雷电引入大地,将雷电的危害降至最小。当防雷器故障时,C级防雷器的工作状态窗口由绿变红,提醒更换防雷模块,防雷模块插拔方便,易于更换。
雷击浪涌吸收器:雷击浪涌吸收器具有防雷和抑制电网瞬间过压双重功能,最大通流量40KA,动作时间小于25ns。由图 4可见,相线与相线之间,相线与零线之间的瞬间干扰脉冲均可被压敏电阻和气体放电管吸收。因此,其功能优于单纯的防雷器。

图4.雷击浪涌吸收器工作原理图
充电模块:
充电模块采用(N+1)冗余方式供电,即在用N个模块满足电池组的充电电流(0.1C10)加上经常性负荷电流的基础上,增加1个备用模块。例如:200AH电池组,经常性负荷(Ij)为10A的直流系统,可算出充电机的最大输出电流为:
最大输出电流=0.1C10+Ij=0.1×200+10=30A
如采用容量为10A的充电模块,取N=3,N+1=4备用模块采用热备份方式,直接参与正常工作。
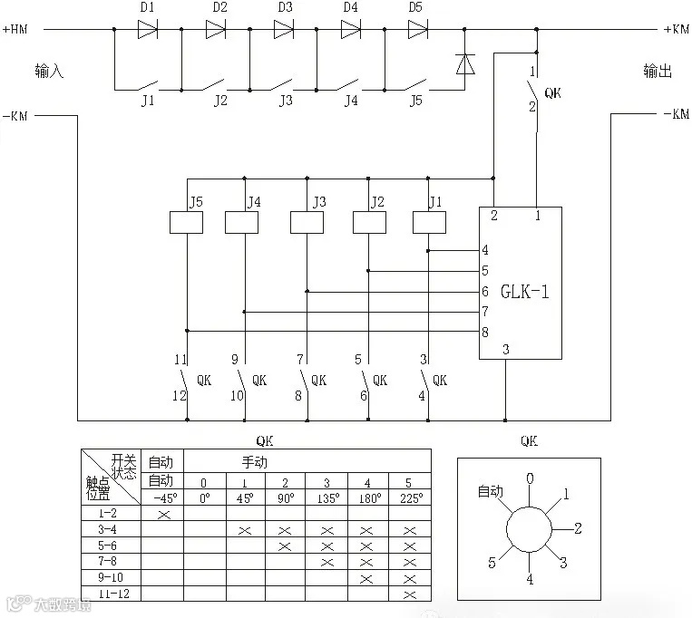
降压装置:

图5.降压装置原理图
图5为降压装置原理图,由降压硅链、控制器、执行继电器及转换开关组成。系统正常工作时,充电机对蓄电池的均/浮充电压通常会高于控制母线允许的波动电压范围,采用多级硅调压装置串接在充电机输出(或蓄电池)与控制母线之间,使调压装置的输出电压满足控制母线的要求。
降压硅链由多只大功率硅整流二极管串接而成,利用PN结基本恒定的正向压降,通过改变串入电路的PN结数量来获得适当的压降。转换开关有多个档位,正常运行时将转换开关置于“自动”档位,装置处于自动调压状态,这时调压装置实时检测控制母线电压,并与设定值进行比较,根据比较结果,控制硅链的投入级数,从而保证控制母线电压波动范围;当手动操作转换开关至“0”位时,所有硅链全部投入,降压值最大;当手动操作转换开关至“1”位时,转换开关“3-4”接点闭合,从而使执行继电器J1线圈带电,驱动其常开接点J1闭合, 1级硅链被短接,依此类推,当转换开关分别转至“2”、“3”、“4”、“5”时,2级、3级、4级、5级硅链被短接,从而达到根据需要手动调节控制母线电压的目的。
硅链中大功率硅二极管由专用的自冷式散热片夹持固定,确保散热效果,适于大电流下连续可靠工作。整个装置采用独立模块化设计,便于安装和维护,整个单元一般安装在屏内顶部,便于散热。
直流馈电单元:
直流馈电单元是将直流电源通过负荷开关送至各用电设备的配电单元。
馈线回路部分:
根据负荷的功能不同馈线回路可分为:控制回路和合闸回路,各回路所用负荷开关均选用专用直流断路器,分断能力均在 6kA以上,保证在直流负荷侧故障时相应支路可靠分断,其容量与本系统上、下级开关相匹配,以保证开关动作的选择性。
绝缘监测单元:
绝缘监测单元用于监测直流系统电压及其绝缘情况,在直流电压过、欠压或直流系统绝缘强度降低等异常情况下发出声光告警,并将对应告警信息发至集中监控器。根据用户的不同需要,绝缘监测仪可配置普通型或带支路巡检型,一般安装在馈线柜上,带支路巡查的监测仪配有传感器,分别装在每回馈线开关的后下部,各馈线开关的引出线穿过传感器的中心孔。
内置绝缘监测仪:
检测直流母线电压、正负母线对地电压、正负母线对地电阻。当电压过高、过低或绝缘电阻过低时发出相应的告警信号,告警定值可通过键盘设置。
带支路巡检的绝缘监测仪:
监测正负直流母线的对地电压和绝缘电阻,当正、负直流母线的对地绝缘电阻低于设定的报警值时,自动启动支路巡检功能。支路巡检采用直流有源CT,不需向母线注入信号。每个CT内含CPU,被检信号直接在 CT 内部转换为数字信号,由CPU通过串行口上传至绝缘监测仪主机。支路检测精度高和抗干扰能力强。采用智能型CT,所有支路的漏电流检测同时进行,支路巡检速度高。
监控单元:
交流配电监测:
(1)电源系统的交流输入设有交流配电单元,当出现交流失电、缺相故障时,通过无源接点将告警信号送监控器,监控器发出交流电源故障告警信号。
(2)当系统配有智能交流电压、电流表时,这些表计能直接显示交流输入电压、电流,并通过串行总线将测量到的数据送监控器,监控器可显示这些数据,并判断交流输入是否过压、欠压、失电、缺相或三相不平衡,故障时发出交流电源故障告警信号。
直流配电监测:
(1)正常情况下电源系统设有母线电压、电流表或变送器及蓄电池电压、电流表,这些表计能直接显示母线及蓄电池电压、电流,并通过串行总线将测量到的数据送监控器,监控器可显示这些数据,判断母线及蓄电池是否过压、欠压,故障时发出告警信号。
(2)重要回路(蓄电池、充电机)的熔断器设有熔断器故障附件,故障信号直接送监控器,故障时发出熔断器故障告警信号。
(3)当馈线回路设有馈线脱扣故障告警触点时,各脱扣故障告警信号并连后送监控器,故障时发出馈线脱扣故障告警信号。
(4)当电源系统配有馈线状态监测模块时,馈线状态监测模块通过串行总线将测量到的馈 线开关分合状态送监控器。
(5)充电机、蓄电池的输出开关及母联开关、放电开关的状态可由其辅助接点送给监控器, 在历史记录中显示和送给后台。
(6)电压监视器,重要回路可选配独立的电压监视器,当电压异常时,可通过空接点发出报警信号。
绝缘监测:
(1)当电源系统选用监控器内置接地仪时,可同时监测到两段母线的对地绝缘电阻,并显 示接地电阻值,当监测到的接地电阻值小于设定值时,发出接地故障告警信号。
(2)当电源系统选用带支路检测的接地仪时,接地仪通过 RS485数字通信接口将测量到的 数据送监控器,故障时发出接地故障告警信号及显示接地支路号和接地电阻值。
(3)当电源系统选用绝缘监查继电器时,可监测一段母线的对地绝缘电阻,并显示接地电 流,当接地电流大于设定值时,发出告警信号。
充电模块监控:
充电模块通过串行总线接受监控器的监控,实时向监控器传送工作状态和工作数据,并接受监控器的控制。监控的功能有:
(1)遥控充电模块的开/关机及均/浮充
(2)遥测充电模块的输出电压和电流。
(3)遥信充电模块的运行状态。
(4)遥调充电模块的输出电压。
电池管理:
电池的管理功能主要有如下内容:
(1)可显示蓄电池电压和充放电电流,当出现过、欠压时进行告警。
(2)设有温度变送器测量蓄电池环境温度,变送器通过串行总线将测量到的蓄电池环境温度送监控器,当温度偏离25℃时,由监控器发出调压命令到充电模块,调节充电模块的输出电压,实现浮充电压温度补偿。
不同品牌的蓄电池其温度补偿系数要求不同,可通过监控器键盘设置温度补偿系数,豹牌单节2V电池的温度补偿系数为0.005V/℃,对于108只的电池组,其温度补偿系数为0.54V/℃,即当温度上升1℃时,充电机输出电压降低0.54V,当温度下降1℃时,充电机输出电压上升0.54V。
(3)手动定时均充,可通过监控器键盘预先设置均充电压、均充时间,然后启动手动定时均充,监控器运行以下均充程序:以整定的充电电流进行稳流充电,当电压逐渐上升到均充电压整定值时,自动转为稳压充电,定时时间到转为浮充运行。
3、使用条件:
户内使用,设备运行的周围空气温度不低于-10℃,不高于+40℃,在设备停用期间,周围空气温度不低于-25℃,不高于+55℃;
日平均相对湿度不超过95%,月平均相对湿度不大于90%;
运行地点无导电或爆炸尘埃,无腐蚀金属和破坏绝缘的气体或蒸汽;
交流输入电压波形为正弦,电压波动范围不超过额定值的±20%;
交流输入频率波动范围不超过额定值的50HZ±10%。
4、保护报警:
Ø输入过压保护
Ø输入欠压报警
Ø输出过压保护
Ø输出欠压报警
免责声明:本文来自网络,版权归原作者所有,如涉及版权问题,请及时与我们联系删除,谢谢



