它的主要功能是把线路上的高压变换成低电压,把线路上的大电流变换成小电流,以便于各种测量表和继电保护装置的使用。互感器的原理其实和变压器差不多,你也可以把它理解为一个小的变压器。

上图就是一个电流互感器的原理图,左一次线圈匝数是电流的输入端,右边二次线圈匝数是电流的输出端,电流表为二次负荷。电流互感器是按照一二次电流与一二次线圈匝数成反比的规律检测一次电流的。也就是电流的大小与线圈的匝数成反比,为什么呢,因为线圈越多,电阻也就越大,电流也就越小,反之线圈越少,电阻也越越小,通过的电流也就越大。
应该指出,电流互感器的一次电流(输入)决定于一次负荷的大小,而与二次负荷无关,意思是输入端电流的大小决定了一次线圈匝数中电流的大小,和二次线圈的匝数及输出电流的大小没有任何关系。
电流互感器的二次电流(二次线圈匝数输出的电流)也与二次负荷无关,而取决于一次电流的大小。也就是你给我多少钱,我就只能帮你买多少东西给你,你给我一块钱,想帮你买下淘宝那是不可能的。我能帮你买多少东西取决你给我多少钱,与一次电流(输入电流)有关。
这就是电流互感器,比较简单,它的接法和电流表一样只能串联,原因可以看一下前面我写的为什么电流表只能串联。还要注意电流互感器只允许在1.1倍的额定电流下长时间运行,一旦超过了容易损坏电流互感器,上面所说的额定电压是指一次线圈(输入端)可以接用的线路额定电压。
比如电流互感器的额定电压为220V,那它高能承受的电压为220*1.1=242V,如果你把它接在250V的电线中就会损坏,为什么是1.1倍呢,这是经过实验计算出来的,了解就可以了。
以下是电流互感器的几种接线方法:

图A
图A,一台互感器接线,主要用于测量对称三相电路中线路上的电流。

图B
图B,三台互感器星形接线方法,可测量对称和不对称三相电路(包括三相四线)中线路上的电流。

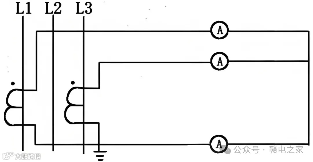
图C
图C,两台互感器V形接线方法,测量对称和不对称三相三线电路中线路上的电流。三相电流矢量和为零,所以最下面电流表测量的是未装互感器那相的电流。此接法也可用于继电保护接线,但灵敏度低。

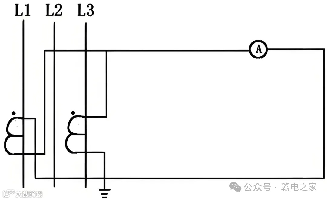
图D
图D,两台互感器电流差接线法,用于线路、电机、并联电容器的继电保护接线,灵敏度较高。
免责声明:本文来自网络,版权归原作者所有,如涉及版权问题,请及时与我们联系删除,谢谢



