四级开关选用的配电场合如下:
1. 保证电源转换的功能性开关电器应作用于所有带电导体,且不得使这些电源并联;
2 . TN-C-S、TN-S系统中的电源转换开关,应采用切断相导体和中性导体的四极开关;
3. 正常供电电源与备用发电机之间,其电源转换开关应采用四极开关;
4. TT系统的电源进线开关应采用四级开关;
5. IT系统中当有中性导体时应采用四极开关。
下面就针对以上的几种情况下来分析一下四级开关的选用问题。
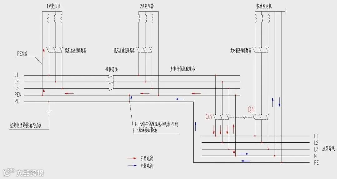
1. 以上1~3款中是关于电源转换开关(功能性开关),这些电源转换开关假设采用三级开关;下面通过以下(图一)和(图二)来分析一下:
(图一) 为末端电源转换开关采用三级开关(Q1和Q2),从图中可以看出,转换开关(Q1和Q2)采用三级的话,会出现杂散电流从转换开关的N线通过,图中蓝色箭头就是杂散电流的路径,如果将电源转换开关(Q1和Q2)更换为四级开关,就可以切断产生杂散电流的路径。
(图二) 为正常电源与备用发电机之间转换开关采用三级开关(发电机配电采用TN-S),从图中可以看出,转换开关(Q3和Q4)采用三级的话,也会出现杂散电流从转换开关的N线通过,图中蓝色箭头就是杂散电流的路径,如果将电源转换开关(Q3和Q4)更换为四级开关,就可以切断产生杂散电流的路径。
从(图一)和(图二)这两种配电接线方式中,电源转换开关是需要采用四级开关来避免产生杂散电流的,从而避免杂散电流带来的危害。
2. TT系统的电源进线开关需要采用四级开关
在TT配电系统中,如果进线采用三级开关,如下图三:
通过(图三)可知,当进线的相线L1出现接地故障时,故障电流Id流经RE和RB返回变压器中性点,则N线上的电位升高为Uf,设RB=4Ω,Id=25A,这Uf=25x4=100V,如果室内的进线开关采用三级开关,即检修时N线不断开,则从室外的电源处N线上的危险电位就会传递至室内,使室内的N线上也带上100V的危险电位,这对于维修时是很危险的,因此TT系统配电中,室内进线处应装设四级开关来保证维修时的安全。
3. IT系统中当有中性导体时应采用四极开关
对于引出中性线的IT系统,其接线图如下所示:
当L1相发生接地故障时,中性线对地电压就升为相电压220V,在进行电气维修时的电击危险性很大,因此对于配出中性线的IT系统,也应该采用四级开关。
以上仅是讨论了几种情况下的四级开关的选用,该不该采用四级开关,还需根据项目实际采用的配电接地系统型式和配电接线方式来确定;无需采用四级开关的场所则不能随意选用四级开关,因为采用四级开关不但会增加投资造价,还会增加配电系统“断零”的风险。
免责声明:本文来自网络,版权归原作者所有,如涉及版权问题,请及时与我们联系删除,谢谢


