⒈、主变的“四态”
运行状态:
至少有一侧的开关使主变与相邻设备有电气连接(允许其它侧开关保留不同的状态)。
如:
这两种都是#1主变的运行状态。
热备用状态:
至少有一侧的开关在热备用,但各侧开关、刀闸均不能使主变与相邻设备间有电气连接(允许其他侧开关保留不同的状态)。
如:
这两种都是#1主变的热备用状态。
冷备用状态:
主变高压侧刀闸在断开位置;低压侧开关、刀闸均在断开状态(允许低压侧开关在检修状态)。
如:
此时#1主变在冷备用状态。
检修状态:
在冷备用状态的基础上,在各侧引线均装设一组接地线或合上接地刀闸。
如:
此时#1主变在检修状态。
2 、主变由运行转检修
一般来说,在操作主变转检修前,调度会先下令将待检修主变所带的负荷转到另一台主变,将待检修主变转到空载运行状态。
调度会这样下令:
1.10kV母分91M开关由热备用转合环运行
2.#2主变10kV侧91B开关由运行转热备用(解环)
我们的合环操作票这样开:
操作任务:10kV母分91M开关由热备用转合环运行
1.合上10kV母分91M开关。
2.查监控主机上10kV母分91M开关确已指示在“合闸”位置,三相电流指示为A相:A,B相:A,C相:A。
3.查10kV母分91M开关确已合上。
解环操作票这样开:
操作任务:#2主变10kV侧91B开关由运行转热备用(解环)
1.查监控主机上#2主变10kV侧91B开关三相电流指示为A相:A,B相:A,C相:A。
2.断开#2主变10kV侧91B开关。
3.查监控主机上#2主变10kV侧91B开关确已指示在“分闸”位置,三相电流指示为A相:A,B相:A,C相:A。
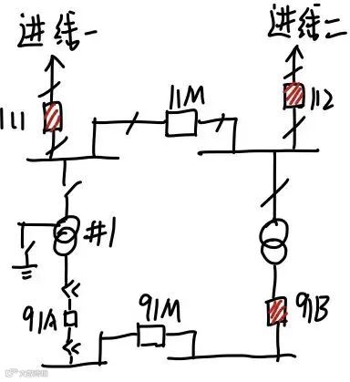
这样一来,主变就被转到了下图所示的空载运行状态。
下面我们试着进行一个主变转检修的操作,将图中的#2主变由空载运行转检修。
可以看出,只要断开主变高压侧112开关,就可以使主变与相邻设备间失去电气连接,即将主变转到热备用状态。但是这个开关是不能直接断开的,因为开关的三相不可能完全同时分闸,在分闸的过程中难免会存在一个非全相运行的时期,此时会在中性点产生高电压,可能危及中性点绝缘。因此,我们在断开高压侧开关之前,应该先把中性点接地刀闸合上,强制使中性点和地等电位。
在操作票上写:
1.查#2主变确已在空载运行状态。
2.合上#2主变110kV侧中性点11B8接地刀闸,查确已合上。
3.断开进线二112开关。
这样就把#2主变转到了热备用状态。接下来我们需要将#2主变从热备用状态转到冷备用状态。我们比较两个状态可以发现,断开11B1刀闸,拉出91B手车开关至试验位置,断开110kV侧中性点11B8接地刀闸,就可以把#2主变转到冷备用状态。
既然要进行这三步操作,自然就要考虑操作顺序问题。规定变压器停电时先停负荷侧再停电源侧,送电时顺序相反。因此,应该先把91B手车开关拉出至试验位置,再断开11B1刀闸,最后断开中性点11B8接地刀闸。为防止监控误合开关,在进行这三步操作前,应将主变各侧开关的QK转换开关由远方控制切换至就地控制;为防止带负荷分隔离开关,在将91B手车开关拉出至试验位置前,应检查91B开关确已断开;在断开11B1刀闸前,应检查11M、112开关均已断开。
因此,在操作票上写:
4.将进线二112开关QK转换开关由远方控制切换至就地控制。
5.将110kV内桥11M开关QK转换开关由远方控制切换至就地控制。
6.将#2主变10kV侧91B开关QK转换开关由远方控制切换至就地控制。
8.拉出#2主变10kV侧91B手车开关至试验位置,查确已在试验位置。
9.查进线二112开关确已断开。
10.查110kV内桥11M开关确已断开。
11.合上#2主变110kV侧11B1刀闸操作电源。
12.断开#2主变110kV侧11B1刀闸,查确已断开。
13.断开#2主变110kV侧11B1刀闸操作电源。
14.断开#2主变110kV侧中性点11B8接地刀闸,查确已断开。
15.断开#2主变110kV中性点11B8接地刀闸操作电源。
这样就把主变转到了冷备用状态。接下来,在主变高、低压侧分别装设接接地线,就可以把主变转到检修状态。按照停电顺序,先在低压侧装设接地线,再在高压侧装设接地线。接地线装设完毕后,还应断开主变低压侧开关的操作电源,保证低压侧开关不会在检修工作中误合。根据我们自己的规定,主变转检修还需要解除重瓦斯跳闸出口压板,保证检修工作中重瓦斯保护即使误动作,也不会出口跳闸;最后,因为我们检修的是主变,和112、11M开关无关,所以我们要将112和11M的状态恢复到初始状态,即将QK转换开关切回远方控制,并合上112开关。在操作票上写:
16.在#2主变10kV侧91B开关靠#2主变侧验电,确已无电压后即装设 接地线。
17.在#2主变110kV侧11B1刀闸靠#2主变侧验电,确已无电压后即装设 接地线。
18.断开#2主变10kV侧91B开关操作电源。
19.解除#2主变保护屏上 1LP 本体重瓦出口跳闸 压板。
20.解除#2主变保护屏上 2LP 有载重瓦出口跳闸 压板。
21.将进线二112开关QK转换开关由就地控制切换至远方控制。
22.将110kV内桥11M开关QK转换开关由就地控制切换至远方控制。
这样就把主变转到了检修状态。下面把所有步骤连起来:
操作任务:#2主变由空载运行转检修(110kV进线二112开关置热备用)
1.查#2主变确已在空载运行状态。
2.合上#2主变110kV侧中性点11B8接地刀闸,查确已合上。
3.断开进线二112开关。
4.将进线二112开关QK转换开关由远方控制切换至就地控制。
5.将110kV内桥11M开关QK转换开关由远方控制切换至就地控制。
6.将#2主变10kV侧91B开关QK转换开关由远方控制切换至就地控制。
8.拉出#2主变10kV侧91B手车开关至试验位置,查确已在试验位置。
9.查进线二112开关确已断开。
10.查110kV内桥11M开关确已断开。
11.合上#2主变110kV侧11B1刀闸操作电源。
12.断开#2主变110kV侧11B1刀闸,查确已断开。
13.断开#2主变110kV侧11B1刀闸操作电源。
14.断开#2主变110kV侧中性点11B8接地刀闸,查确已断开。
15.断开#2主变110kV中性点11B8接地刀闸操作电源。
16.在#2主变10kV侧91B开关靠#2主变侧验电,确已无电压后即装设 接地线。
17.在#2主变110kV侧11B1刀闸靠#2主变侧验电,确已无电压后即装设 接地线。
18.断开#2主变10kV侧91B开关操作电源。
19.解除#2主变保护屏上 1LP 本体重瓦出口跳闸 压板。
20.解除#2主变保护屏上 2LP 有载重瓦出口跳闸 压板。
21.将进线二112开关QK转换开关由就地控制切换至远方控制。
22.将110kV内桥11M开关QK转换开关由就地控制切换至远方控制。
3 、主变由检修转运行
先将主变由检修转到冷备用。按照变压器“四态”的定义,冷备用和检修之间差了两组接地线。我们在操作主变由冷备用转检修时,装设了两组接地线,断了主变低压侧开关的操作电源,解除了两块重瓦斯保护跳闸出口压板。所以在检修转冷备用时,除了拆地线之外,我们还需要投入重瓦斯保护的跳闸出口压板,把主变低压侧开关的操作电源合回去。拆接地线的顺序和装接地线相反,按照送电“先送电源侧,后送负荷侧”的顺序。
在操作票上写:
1.投入#2主变保护屏上 1LP 本体重瓦出口跳闸 压板。
2.投入#2主变保护屏上 2LP 有载重瓦出口跳闸 压板。
3.合上#2主变10kV侧91B开关操作电源。
4.拆除#2主变110kV侧11B1刀闸靠#2主变侧的 接地线。
5.拆除#2主变10kV侧91B开关靠#2主变侧的 接地线。
此时主变就被转到了冷备用状态。
注意到,我们在主变转检修的最后几步操作了QK转换开关。在主变由检修转冷备用的时候,不能直接把停电的操作票倒回去写,而应该思考每一步操作的用意。我们转QK是为了防止在操作刀闸时调度误合开关导致的带负荷分合刀闸,因此我们应该等到需要操作刀闸时再操作QK转换开关。
接下来要将主变从冷备用状态转到热备用状态,即合上主变高压侧11B1刀闸,并将主变低压侧91B手车开关推入至工作位置。根据主变送电顺序,送电时应先送电源侧,后送负荷侧;为了防止操作过电压,在操作前需要先合上主变中性点接地刀闸。还需要注意,在合刀闸之前,为了防止监控误合开关,需要将110kV侧进线二112开关和内桥11M开关的QK转换开关由远方控制切换至就地控制。
在操作票上写:
6.合上#2主变110kV侧中性点11B8接地刀闸操作电源。
7.合上#2主变110kV侧中性点11B8接地刀闸,查确已合上。
8.将进线二112开关QK转换开关由远方控制切换至就地控制。
9.将110kV内桥11M开关QK转换开关由远方控制切换至就地控制。
10.查进线二112开关确已断开。
11.查110kV内桥11M开关确已断开。
12.合上#2主变110kV侧11B1刀闸操作电源。
13.合上#2主变110kV侧11B1刀闸,查确已合上。
14.断开#2主变110kV侧11B1刀闸操作电源。
15.查#2主变10kV侧91B开关确已断开。
16.推入#2主变10kV侧91B手车开关至工作位置,查确已在工作位置。
17.将进线二112开关QK转换开关由就地控制切换至远方控制。
18.将110kV内桥11M开关QK转换开关由就地控制切换至远方控制。
19.将#2主变10kV侧91B开关QK转换开关由就地控制切换至远方控制。
这样就把#2主变转到了热备用状态。接着合上主变电源侧开关(根据调度指令合上112或11M开关,此处合上11M开关),就可以把主变转到空载运行状态。在操作票上写:
20.合上110kV内桥11M开关。
21.查110kV内桥11M开关确已合上。
22.断开#2主变110kV侧中性点11B8接地刀闸,查确已断开。
这样就把主变转到了空载运行状态。调度在主变送电时,通常会先下令将主变转到空载运行,再通过两条合解环的令把负荷转回来,将主变转到运行状态。
把所有步骤连起来:
操作任务:#2主变由检修转接110kV进线一111线路空载运行(10kV侧91B开关置热备用)
1.投入#2主变保护屏上 1LP 本体重瓦出口跳闸 压板。
2.投入#2主变保护屏上 2LP 有载重瓦出口跳闸 压板。
3.合上#2主变10kV侧91B开关操作电源。
4.拆除#2主变110kV侧11B1刀闸靠#2主变侧的 接地线。
5.拆除#2主变10kV侧91B开关靠#2主变侧的 接地线。
6.合上#2主变110kV侧中性点11B8接地刀闸操作电源。
7.合上#2主变110kV侧中性点11B8接地刀闸,查确已合上。
8.将进线二112开关QK转换开关由远方控制切换至就地控制。
9.将110kV内桥11M开关QK转换开关由远方控制切换至就地控制。
10.查进线二112开关确已断开。
11.查110kV内桥11M开关确已断开。
12.合上#2主变110kV侧11B1刀闸操作电源。
13.合上#2主变110kV侧11B1刀闸,查确已合上。
14.断开#2主变110kV侧11B1刀闸操作电源。
15.查#2主变10kV侧91B开关确已断开。
16.推入#2主变10kV侧91B手车开关至工作位置,查确已在工作位置。
17.将进线二112开关QK转换开关由就地控制切换至远方控制。
18.将110kV内桥11M开关QK转换开关由就地控制切换至远方控制。
19.将#2主变10kV侧91B开关QK转换开关由就地控制切换至远方控制。
20.合上110kV内桥11M开关。
21.查110kV内桥11M开关确已合上。
22.断开#2主变110kV侧中性点11B8接地刀闸,查确已断开。
可以看出,主变倒闸操作需要注意的点有中性点接地刀闸合上和断开的时机;倒闸操作时除了对一次设备的操作,还需要解除二次保护压板;主变转检修时需要注意在最后恢复电源侧开关的状态。
主变和母线的倒闸操作是110kV变电站中最复杂的操作,但只要概念和逻辑清晰,把票开好并不难。
免责声明:本文来自网络,版权归原作者所有,如涉及版权问题,请及时与我们联系删除,谢谢


