点击蓝字关注我们
国检检测
请输入
常用紧固件螺栓采用中碳钢和中碳合金结构钢加工制造,其热处理工艺为淬火+回火或调质(淬火+高温回火),热处理后的金相组织要求为回火索氏体。由于含碳量的不同和冷却速率的不同,造成产品热处理后的回火索氏体组织中,有不同程度的铁素体存在。对高强度螺栓回火组织中的铁素体数量,技术要求越少越好,有的标准要求控制在5﹪以内。
国检检测
请输入
生产现场的淬火+回火或调质(淬火+高温回火)后的金相组织检查中,对铁素体的判定为:把回火索氏体组织中的白色块状、条状等组织判定为铁素体。一般情况下对淬火+回火或调质(淬火+高温回火)后的金相组织检查,回火组织中有白色的块状、条状等组织时,其回火组织为回火索氏体+铁素体;如果铁素体量较少或没有时其回火组织为回火索氏体。
碳素钢螺栓金相组织与热处理工艺
(1) 25钢螺栓
A. 25钢螺栓,热处理为淬火+回火,
热处理后的组织为回火索氏体+铁素体,见图5-31。
图5-31 25 钢螺栓回火组织 400×
B. 25钢螺栓热处理工艺
淬火:900℃ 40min,快速淬火油冷却
回火:420℃ 90min,水冷
(2) 35钢螺栓
A. 35钢螺栓,热处理工艺为淬火+回火。
热处理后的组织为回火索氏体+铁素体,见图5-32。
图5-32 35钢淬火回火组织 500×
B. 热处理工艺:淬火+回火,
淬火:850℃ 45min,快速淬火油冷却
回火:500℃ 90min,水冷
(3) 45钢螺栓调质处理
A. 45钢螺栓,调质处理的金相组织为回火索氏体+铁素体,见图5-33。
图5-33 45钢螺栓调质处理金相组织500×
B. 45钢产品热处理工艺
淬火:840℃ 40min,快速淬火油冷却
回火:520℃ 90min,水冷
C. 45钢螺栓调质处理的晶粒度5~6级,见图5-34。
图5-34 45钢螺栓调质处理的晶粒度
合金钢紧固件
(1)35CrMo钢螺栓
A. 35CrMo螺栓,强度10.9级;经调质(淬火+高温回火),金相组织为回火索氏体+铁素体,见图5-35
图5-35 35CrMo螺栓心部回火索氏体组织500×
B. 35CrMo螺栓热处理工艺
淬火: 880℃ 40min,快速淬火油冷却
回火: 520℃ 90min,水冷
(2)ML40Cr钢螺栓
A. ML40Cr螺栓,强度10.9级;经调质(淬火+高温回火),金相组织为回火索氏体+铁素体,见图5-36。
图5-36 ML40Cr螺栓心部回火索氏体组织
B. ML40Cr螺栓热处理工艺
淬火: 880℃ 45 min,快速淬火油冷却
回火: 480℃ 90 min,水冷
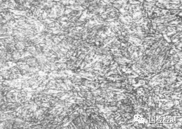
(3) 40Cr钢螺栓
A. 40Cr螺栓,强度8.8级;经调质(淬火+高温回火),金相组织为回火索氏体,见图5-37
图5-37 40Cr螺栓心部回火索氏体组织
B. 40Cr螺栓热处理工艺
淬火: 880℃ 45min,快速淬火油冷却
回火: 520℃ 90min,水冷
(4)42CrMo螺栓
A. 42CrMo螺栓,强度10.9级;经调质(淬火+高温回火),金相组织为回火索氏体+铁素体,见图5-38。
图5-38 42CrMo螺栓心部回火索氏体组织
B. 42CrMo螺栓热处理工艺
淬火: 860℃45 min,快速淬火油冷却
回火: 520℃90 min,水冷
(5)42CrMo螺栓
A. 42CrMo螺栓,强度12.9级;经调质(淬火+高温回火),金相组织为回火索氏体,见图5-39。
图5-39 42CrMo螺栓心部回火索氏体组织
B. 42CrMo螺栓热处理工艺
淬火: 860℃ 45min,快速淬火油冷却
回火: 480℃ 90min,水冷
扫码关注我们
微信号 : 13372307781
官网:www.chinazbj.com
扫码关注我们
点击阅读原文,查看更多
我知道你在看哟


