二次回路识图基础
二次回路概念
为确保一次系统安全稳定、经济运行和操作管理的需要而配置的辅助电气设备,如各类测控装置、继电保护装置、安全自动装置等称为二次设备。
二次回路即是把二次设备按一定功能要求连接起来所形成的电气回路,以实现对一次系统设备运行工况的监视、测量、控制、保护、调节等功能。
二次回路分类:
图纸分类示意图
归总式原理图
将二次回路与有关一次设备画在一起,以整体图形符号表示二次设备,按实际电路连接关系绘制的图纸。
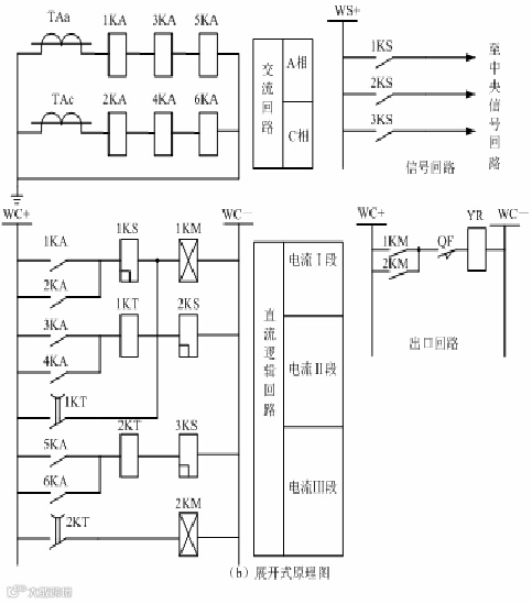
展开式原理图
将二次设备的构成元件,如线圈、触点分别用图形符号表示,按回路性质不同分为几个部分绘制的图纸,如交流电流回路展开图、交流电压回路展开图、直流操作回路展开图、信号回路展开图等
图纸常用符号
为方便大家识图,特将一些常见符号列出:常用电气设备的文字符号有:自动重合闸装置文字符号为(ARD)、电容,电容器文字符号(C)、避雷器文字符号为(F)、熔断器文字符号为(FU)、发电机,电源文字符号为(G)、指示灯,信号灯文字符号为(HL)、继电器,接触器的文字符号为(K)、电流继电器文字符号为(KA)、中间继电器文字符号为(KM)、热继电器,温度继电器文字符号为(KH)、时间继电器文字符号为(KT)、电动机文字符号为(M)、中性线文字符号为(N)、电流表文字符号(PA)、保护线文字符号(PE)、保护中性线文字符号(PEN)、电能表文字符号为(PJ)、电压表文字符号为(PV)、电力开关文字符号为(Q)、断路器文字符号为(QF)、刀开关文字符号为(QK)、隔离开关文字符号为(QS)、电阻器文字符号为(R)、启辉器文字符号为(S)、按钮文字符号为(SB)、变压器文字符号为(T)、电流互感器文字符号为(TA)、电压互感器文字符号为(TV)、变流器,整流器文字符号为(U)、导线,母线文字符号为(W)、端子板文字符号为(X)、电磁铁文字符号为(YA)、跳闸线圈,脱扣器文字符号为(YR)等。
二次图读图技巧
中间继电器(KM):用于自动控制电路中,相当于一种用小电流电路控制大电流电路的一种“控制开关”。也可在电路中起到转换接点类型、增加接点数量及容量、抗干扰等作用。中间继电器大多都是辅助触头。
时间继电器:
基本控制回路
自保持:用继电器的常开辅助接点作为控制开关或按钮的旁路,当继电器带电后继续导通
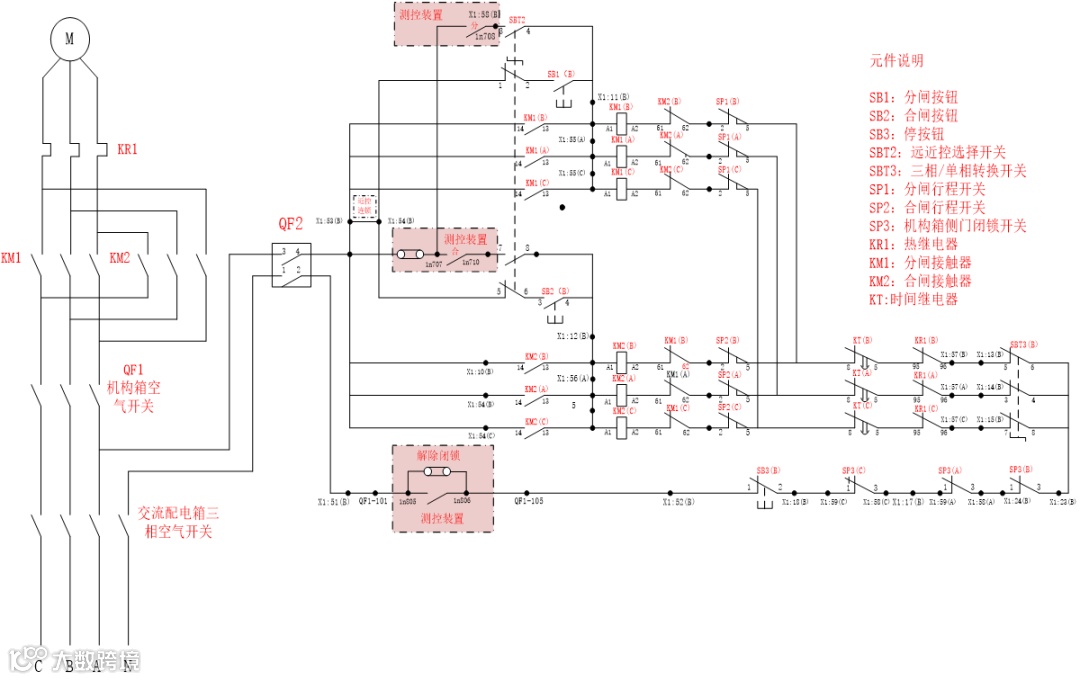
隔离开关操作机构及控制回路
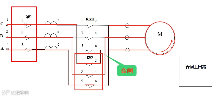
隔离开关的电机回路:
隔离开关的控制回路:
就地解锁分闸回路:
就地联锁分闸回路:
远方分闸回路:
就地解锁合闸回路:
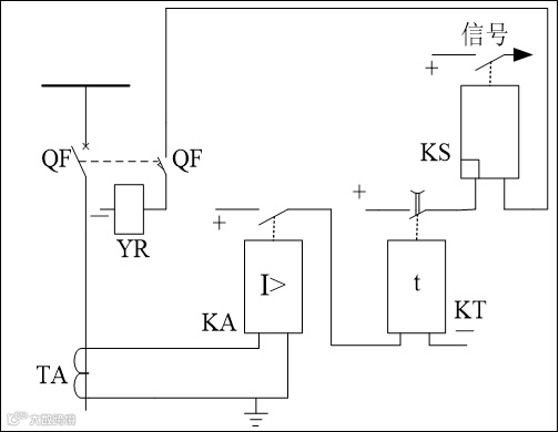
断路器操作机构及控制回路
断路器控制回路基本要求:
能手动和自动实现分闸与合闸
应能监视控制回路操作电源及跳合闸的完整性
跳、合闸线圈按短时通电设计,在合闸或跳闸完成后,应能自动解除命令脉冲,切断合闸或跳闸能源
有防止断路器多次跳、合闸的防跳跃措施
有三相不一致保护措施
对于气压、液压、弹簧等应有相应的监视
控制回路:


