交流调压调功器(调功单元)是应用晶闸管过零触发和移相触发的典型代表。多用于大功率电加热设备的功率调节,可实现精准的温度控制。
全数字交流调压调功器是以单片微处理器为控制核心,以大功率晶闸管为执行部件,通过调节输出功率,实现了电炉及大功率电加热设备的单点和多温度段的升温,降温、恒温,升降温度速率的自动控制和自动记录。调功器可缓起、缓停止以及热待机后的重新缓起等多种功能,避免起动电流的冲击。调功器输出功率与控制电压或电流成正比,并可开环使用,手动调节给定电位器,达到控温的目的,智能化高,控温精度可达0.2%~0.5%。

交流调压调功器具备多种调功方式,比如过零触发和移相触发。
比较常用的PWM调功方式,就是一种过零触发的调功方式。由于过零触发保留了正弦波的完整波形,因此可有效避免谐波对电网产生污染,并且不会降低电网的功率因素。下图是50Hz 电源下的PWM 调功方式的波头示意图。周期T为所设定的PWM周期,而导通的 Ton 为对应占空比下的导通时间。

当选择周期为10s,PWM 方式加热,占空比为40%。那么上图周期为T= 10s ,Ton=4 ,即在500 个(50 个/s×10s)正弦波头内,过零触发波头数目200 个,无触发300。其中,处于Ton时间,调功器即为“正在加热中”的状态,对应的指示灯亮。
什么是晶闸管过零触发?
过零触发是指当加入触发信号,晶闸管在交流负载电压为零或接近为零时,晶闸管才导通;当断开触发信号,晶闸管要等到交流负载电压为零或接近为零时,晶闸管才断开。如图1所示,过零触发就是在刚刚过箭头处触发,触发信号起始点之后的几乎整个半波是全导通的,如图中阴影所示。过零触发是在给定时间间隔内,改变晶闸管导通的周波数来实现电压或功率的控制。当过零触发的通断比太小时会出现低频干扰,通常只适用于热惯性较大的电热负载。过零触发是改变晶闸管导通的周波数,输出波形仍然是正弦波。
图1 过零触发波形示意图
什么是晶闸管移相触发?
如果是在其他时间触发,如图2则为移相触发。此次触发的电源有效范围是从触发起到下次零点前的那一部分,即图中A处半波的阴影范围。移相触发是通过控制晶闸管的导通角来控制晶闸管的导通量,从而改变负载上所加的功率。其控制波动小,使输出电流、电压能平滑升降。移相触发的输出波形被斩了一截,所以负载得到的是一种有缺角的正弦波;因此,移相触发会引起电源波形畸变和高频电磁干扰。
图2 移相触发波形示意图
单路晶闸管过零触发输出电路
图3是某品牌温控器的单路晶闸管过零触发输出模块的电路原理图,该电路采用了MOC3083光电耦合器。它由砷化镓发光二极管及具有自动过零检测功能的双向晶闸管组成。该光电耦合器有六个引脚,1、2是输入端,4、6是输出端。1、2由温控器的MCU进行控制,当1、2之间有大于5mA的触发电流时,把发光二极管点亮,然后MOC3083中的过零检测电路检测4、6之间的电压,电压出现过零点则触发双向晶闸管,使4、6由断开状态转变为导通状态。当1、2之间的电流消失时,4、6由导通状态转变为断开状态。IC1光电耦合器4、6的通断又控制了BCR1的通断状态,并从温控器接线端子输出过零触发驱动信号。该电路的输出管选择了三象限双向晶闸管,可以不用外接RC缓冲电路。
图3 温控仪单路晶闸管过零触发输出电路
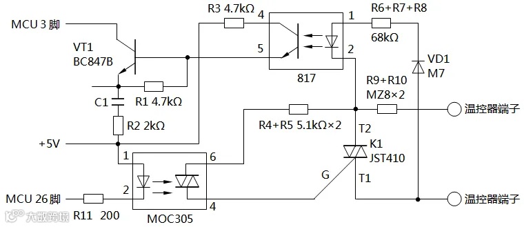
单路晶闸管移相触发输出电路
图4是某品牌温控器的单路晶闸管移相触发输出模块的电路原理图,图中驱动输出采用JST410双向晶闸管。817光电耦合器是同步信号检测的隔离器件,它将检测的过零同步信号传送至VT1放大后,送至MCU3脚,MCU根据过零同步信号来确定触发信号,使其按移相要求输出触发脉冲信号。MCU 26脚输出为低电平时,MOC3052光电耦合双向晶闸管驱动器被触发导通,同时又使K1导通,该移相触发驱动信号通过温控器接线端子输出,该信号驱动外接的晶闸管导通从而接通电加热器电源。
图4 温控器单路晶闸管移相触发输出电路
免责声明:本文来自网络,版权归原作者所有,如涉及版权问题,请及时与我们联系删除,谢谢



