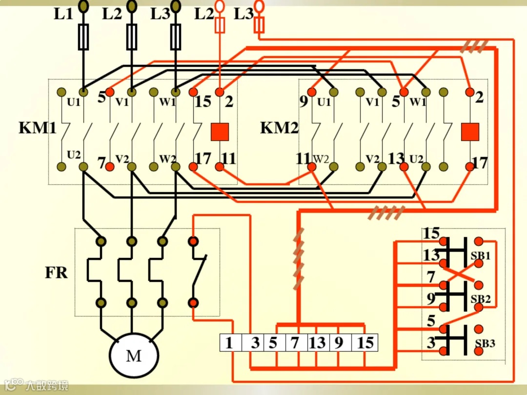
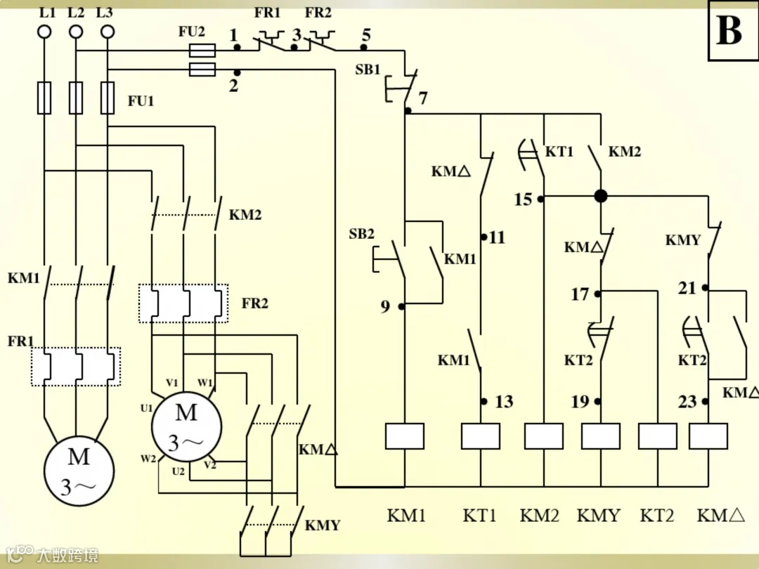
对于初涉电工领域的新手而言,面对复杂的电路图纸可能会感到无所适从。那么,不会识图对电工究竟意味着什么呢?
老电工深知识图的重要性,他们常常告诫新手:“识图是基础,是告别‘土电工’称号的第一步!更是电工进阶的必经之路,想要提升自己,识图技巧必不可少!”
为何识图在电工领域中如此重要?原因其实很简单,也极其关键。以电气成套行业为例,无论是从事一次安装、二次接线、成套报价、售后维修还是电气设计等岗位,几乎都离不开识图基础。图纸是电工工作的指南针,只有看懂图纸,才能准确地进行操作。即便是二次接线这样的具体工作,在某些地区也要求电工能够看懂原理图进行接线。
因此,识图能力对于电工而言,是迈向更高层次发展的必备技能。它不仅是电工入门的基础,更是电工进阶和提升自我的关键。
或许有人会说:“我只想做个简单的物业电工,识图对我来说并不重要。”然而,这种想法其实限制了自身的发展空间。如果希望在电工领域有所建树,提升自己的专业素养,那么识图技巧是必不可少的。
那么,对于新手电工而言,该如何学习识图呢?
首先,要打好电工基础知识,了解电路的基本组成和原理。其次,可以通过阅读相关的电工书籍和资料,学习图纸的符号和标注方法。同时,多观察和实践也是非常重要的,通过实际操作加深对图纸的理解。此外,还可以向有经验的电工请教和学习,借鉴他们的识图技巧和经验。
总之,识图对于电工而言是一项非常重要的技能。只有掌握了识图技巧和方法,才能更好地理解和应对复杂的电路问题,提升自己的专业素养和竞争力。因此,对于新手电工而言,学习识图技巧是迈向电工进阶之路的必经之路。

































































免责声明:本文来自网络,版权归原作者所有,如涉及版权问题,请及时与我们联系删除,谢谢



