在电工的世界里,电气原理图如同导航图,引领我们穿梭于复杂的电路之中。对于初学者而言,学会识图、理解电气原理图,是踏入电工领域的第一步。通过识图,我们能够根据图纸练习实物接线,逐渐积累经验,迈向更高的技能水平。
许多资深电工之所以技艺高超,能够在不看图纸的情况下迅速接线,并快速定位故障,这背后是无数次的实践和经验积累。他们掌握的电路数量众多,维修经验丰富,因此能够游刃有余地应对各种电路问题。

电动机点动控制

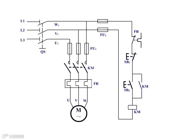
电动机自锁控制

点动加长动控制

电气互锁控制电路

双互锁控制电路

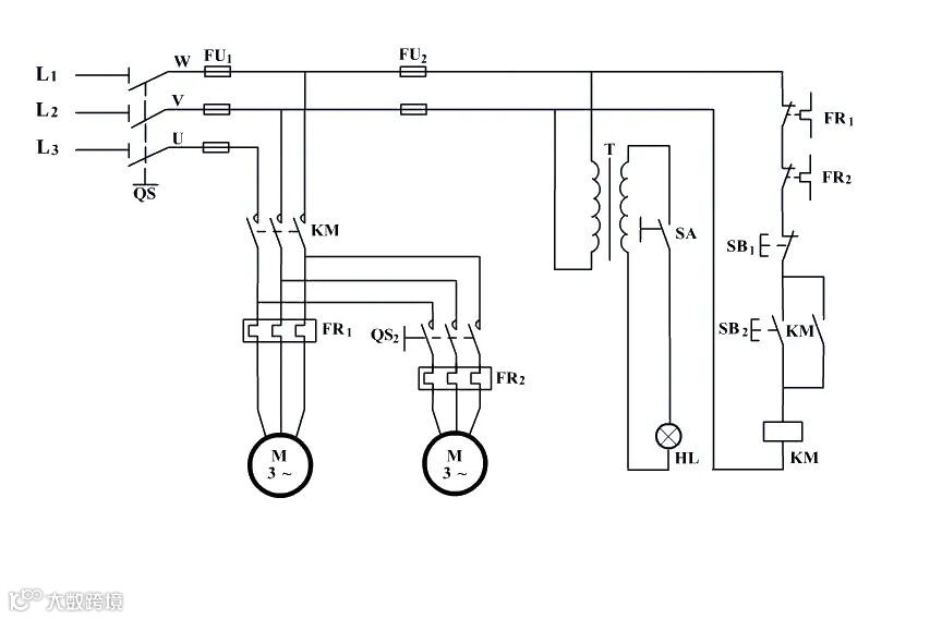
顺序启动控制电路

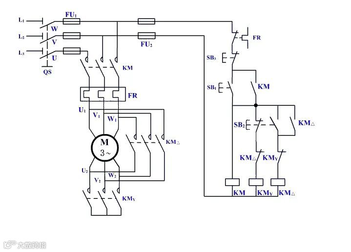
手动星三角控制电路

自动往返控制电路
为了提升识图能力,我们首先需要熟悉常见的电气元件的字母符号和图形符号。这些符号如同电路图中的“汉字”,是理解图纸的基础。然而,仅仅认识符号是不够的,我们还需要学会推导电气控制的工作过程。这需要我们像侦探一样,顺着电路的脉络,一步步揭开电路的神秘面纱。

















实践是提升识图能力的最佳途径。我们可以找来各种不同类型的电路图,反复研究,不断积累经验。通过大量的练习,我们的识图能力将逐渐提升,处理故障时也能更加得心应手。

C620车床电气控制电路

Z535钻床电气控制电路
据研究表明,熟练掌握电路图看图技巧的电工,在处理故障时能够显著提高工作效率。因此,掌握电路图的看图技巧对于电工职业生涯至关重要。
在科技飞速发展的今天,电工行业也在不断变革。智能化、自动化技术的广泛应用,使得电气领域的新技术、新设备层出不穷。如果电工故步自封,不学习新知识,很快就会被时代淘汰。
新型的智能控制系统、高效节能的电力设备等,都需要电工去深入了解和掌握。只有不断学习,才能跟上时代的步伐,熟练操作这些新设备,应对各种复杂的电气问题。
因此,作为电工,我们要保持学习的热情,不断充实自己。通过参加培训课程、阅读专业书籍、关注行业动态等方式,我们可以不断提升自己的专业技能和知识水平。只有这样,我们才能在激烈的竞争中立于不败之地,为社会的电气事业贡献更多的力量。
总之,掌握电气原理图、不断提升识图能力,是电工职业生涯中的重要一环。让我们用心钻研、不断实践,在电路图的世界中自由穿梭,成为出色的电工!
免责声明:本文来自网络,版权归原作者所有,如涉及版权问题,请及时与我们联系删除,谢谢



